Ihre Services im Dashboard..
Registriert nutzen Sie das komplette Angebot.

Klemmstück

Zum Anschluss von Flachmaterial an Konstruktionsteile oder z. B. Anschlussklemmen für Stahlträger (ohne Bohrung im Flachband).

2 Produkte

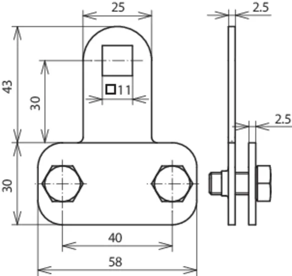
Art.-Nr. 380129 KS B11.11 FL30X4 V2A

GTIN 4013364150416, Zolltarifnr. (EU): 85359000, Bruttogewicht: 102.00 g, VPE: 50.00 Stk.


Abbildungen

Weitere Information

Klemmstück zum Anschluss von Flachmaterial NIRO
Klemmstück zum Anschluss von Flachmaterial
an Konstruktionsteile oder z.B. Anschlussklemmen
für Stahlträger (ohne Bohrung im Flachband).
Klemmbereich Fl: bis 30 x 4 mm
Werkstoff: NIRO
Art der Verbindung: lösbare Verbindung
Befestigung: Vierkantloch 11 x 11 mm
Schraube: M8 x 16 mm
Werkstoff Schraube: NIRO
Blitzstromtragfähigkeit (10/350 µs): *)
Normenbezug: DIN EN 62561-1

Fabrikat: DEHN
Typ: KS B11.11 FL30X4 V2A
Art.-Nr.: 380129
oder gleichwertig.

Zertifikate

 

Technische Daten

Klemmbereich Fl bis 30 x 4 mm
Werkstoff NIRO
Art der Verbindung lösbare Verbindung
Befestigung Vierkantloch 11 x 11 mm
Schraube di M8 x 16 mm
Werkstoff Schraube NIRO
Blitzstromtragfähigkeit (10/350 µs) = *)
Normenbezug DIN EN 62561-1
*) Genaue Zuordnung siehe Prüfzertifikat.

Artikel 380129 wurde zum Merkzettel hinzugefügt.

Zum Merkzettel

Artikel 380129 wurde zum Warenkorb hinzugefügt.

Zum Warenkorb

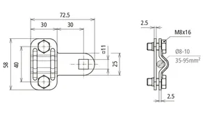
Art.-Nr. 380130 KS B11.11 8.10 V2A

GTIN 4013364512481, Zolltarifnr. (EU): 85359000, Bruttogewicht: 110.00 g, VPE: 50.00 Stk.


Abbildungen

Weitere Information

Klemmstück zum Anschluss von Rund und Flachmaterial NIRO
Klemmstück zum Anschluss von
Rund und Flachmaterial an
Konstruktionsteile oder
z.B. Anschlussklemmen für
Stahlträger
(ohne Bohrung im Flachband)
Klemmbereich Rd: 8-10 mm
Klemmbereich Seil: 35-95 mm2
Werkstoff: NIRO
Art der Verbindung: lösbare Verbindung
Befestigung: Vierkantloch 11 x 11 mm
Schraube: M8 x 16 mm
Werkstoff Schraube: NIRO
Blitzstromtragfähigkeit (10/350 µs): *)
Normenbezug: DIN EN 62561-1

Fabrikat: DEHN
Typ: KS B11.11 8.10 V2A
Art.-Nr.: 380130
oder gleichwertig.

Zertifikate

 

Technische Daten

Klemmbereich Rd 8-10 mm
Klemmbereich Seil 35-95 mm2
Werkstoff NIRO
Art der Verbindung lösbare Verbindung
Befestigung Vierkantloch 11 x 11 mm
Schraube di M8 x 16 mm
Werkstoff Schraube NIRO
Blitzstromtragfähigkeit (10/350 µs) = *)
Normenbezug DIN EN 62561-1
*) Genaue Zuordnung siehe Prüfzertifikat.

Artikel 380130 wurde zum Merkzettel hinzugefügt.

Zum Merkzettel

Artikel 380130 wurde zum Warenkorb hinzugefügt.

Zum Warenkorb

nach oben