Ihre Services im Dashboard..
Registriert nutzen Sie das komplette Angebot.

DEHNbloc Maxi 440 / 760

  • Blitzstrom-Ableiter auf Funkenstreckenbasis
  • Sehr hohes Blitzstrom-Ableitvermögen
  • Hohe Folgestromlöschfähigkeit und Folgestrombegrenzung durch RADAX-Flow-Technologie
  • Ohne Leitungslänge auf Überspannungs-Schutzgerät DEHNguard direkt koordiniert
  • Funktions- / Defektanzeige durch grün-rote Markierung im Sichtfenster

Details

lorem ipsum

DEHNbloc Maxi 1 440 (FM)

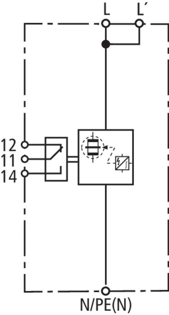
Koordinierter, einpoliger Blitzstrom-Ableiter zum Einsatz in 400 / 690 V-Systemen; in der Ausführung FM mit potentialfreiem Fernmeldekontakt.

2 Produkte

Art.-Nr. 961140 DBM 1 440

GTIN 4013364116269, Zolltarifnr. (EU): 85363090, Bruttogewicht: 592.00 g, VPE: 1.00 Stk.

Vorgänger

Abbildungen

Weitere Information

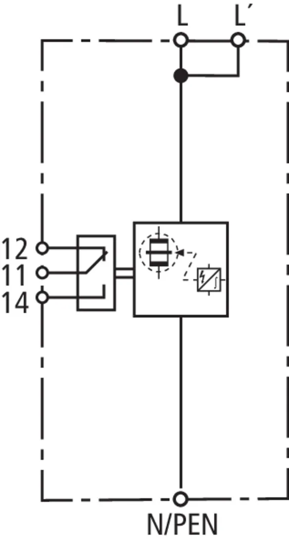
Koordinierter Blitzstrom-Ableiter DEHNbloc Maxi 1 440
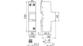
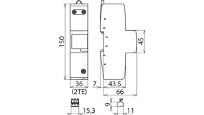
1-poliger, koordinierter Blitzstrom-Ableiter, Breite 2TE
Ableiter Typ 1 nach EN 61643-11
RADAX-Flow-Funkenstrecken-Technologie
zur Folgestrombegrenzung
Defektanzeige
Höchste Dauerspannung: 440 V ac
Schutzpegel: <= 2,5 kV
Blitzstoßstrom (10/350): 35 kA
Folgestromlöschfähigkeit: bis 100 kAeff.
Energetische Koordination nach DIN EN 62305-4
Ableiter der Red/Line-Familie

Fabrikat: DEHN
Typ: DBM 1 440
Art.-Nr.: 961140
oder gleichwertig.

Zertifikate

 

Wellenbrecher-Funktion

Während des Ableitvorgangs fließt bei funkenstreckenbasierten Typ 1-Ableitern der gesamte Strom über den Typ-1 Ableiter. Wie bei einem Wellenbrecher wird die ankommende Energie stark heruntergebrochen, was die nachgeschalteten SPDs deutlich entlastet. Alle Typ 1-Ableiter der Red/Line-Produktfamilie weisen die Wellenbrecherfunktion WBF auf.

Technische Daten

SPD nach EN 61643-11 / ... IEC 61643-11 Typ 1 / Class I
Höchste Dauerspannung AC (UC ) 440 V
Blitzstoßstrom (10/350 µs) (Iimp ) 35 kA
Schutzpegel (UP ) ≤ 2,5 kV
Max. Vorsicherung (L) bis IK = 50 kAeff (ta ≤ 0,2 s) 500 A gG
Max. Vorsicherung (L) bis IK = 50 kAeff (ta ≤ 5 s) 250 A gG
Zulassungen UL, CSA

Artikel 961140 wurde zum Merkzettel hinzugefügt.

Zum Merkzettel

Artikel 961140 wurde zum Warenkorb hinzugefügt.

Zum Warenkorb

Art.-Nr. 961145 DBM 1 440 FM

GTIN 4013364116276, Zolltarifnr. (EU): 85363090, Bruttogewicht: 601.60 g, VPE: 1.00 Stk.

Vorgänger

Abbildungen

Weitere Information

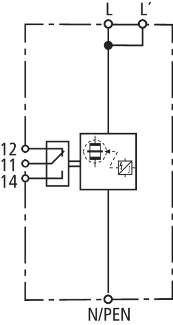
Koordinierter Blitzstrom-Ableiter DEHNbloc Maxi 1 440 FM
1-poliger, koordinierter Blitzstrom-Ableiter, Breite 2TE
Ableiter Typ 1 nach EN 61643-11
mit Fernmeldekontakt
RADAX-Flow-Funkenstrecken-Technologie
zur Folgestrombegrenzung
Defektanzeige
Höchste Dauerspannung: 440 V ac
Schutzpegel: <= 2,5 kV
Blitzstoßstrom (10/350): 35 kA
Folgestromlöschfähigkeit: bis 100 kAeff.
Energetische Koordination nach DIN EN 62305-4
Ableiter der Red/Line-Familie

Fabrikat: DEHN
Typ: DBM 1 440 FM
Art.-Nr.: 961145
oder gleichwertig.

Zertifikate

 

Wellenbrecher-Funktion

Während des Ableitvorgangs fließt bei funkenstreckenbasierten Typ 1-Ableitern der gesamte Strom über den Typ-1 Ableiter. Wie bei einem Wellenbrecher wird die ankommende Energie stark heruntergebrochen, was die nachgeschalteten SPDs deutlich entlastet. Alle Typ 1-Ableiter der Red/Line-Produktfamilie weisen die Wellenbrecherfunktion WBF auf.

Technische Daten

SPD nach EN 61643-11 / ... IEC 61643-11 Typ 1 / Class I
Höchste Dauerspannung AC (UC ) 440 V
Blitzstoßstrom (10/350 µs) (Iimp ) 35 kA
Schutzpegel (UP ) ≤ 2,5 kV
Max. Vorsicherung (L) bis IK = 50 kAeff (ta ≤ 0,2 s) 500 A gG
Max. Vorsicherung (L) bis IK = 50 kAeff (ta ≤ 5 s) 250 A gG
Zulassungen UL, CSA
FM-Kontakte / Kontaktform Wechsler

Artikel 961145 wurde zum Merkzettel hinzugefügt.

Zum Merkzettel

Artikel 961145 wurde zum Warenkorb hinzugefügt.

Zum Warenkorb

DEHNbloc Maxi 1 760 FM

Koordinierter, einpoliger Blitzstrom-Ableiter zum Einsatz in 690 V-Systemen; mit Fernmeldekontakt für Überwachungseinrichtung (potentialfreier Wechsler).

1 Produkt

Art.-Nr. 961175 DBM 1 760 FM

GTIN 4013364116283, Zolltarifnr. (EU): 85363090, Bruttogewicht: 589.80 g, VPE: 1.00 Stk.


Abbildungen

Weitere Information

Koordinierter Blitzstrom-Ableiter DEHNbloc Maxi 1 760 FM
1-poliger, koordinierter Blitzstrom-Ableiter, Breite 2TE
Ableiter Typ 1 nach EN 61643-11
mit Fernmeldekontakt
RADAX-Flow-Funkenstrecken-Technologie zur
Folgestrombegrenzung
Defektanzeige
Höchste Dauerspannung: 760 V ac
Schutzpegel: <= 4 kV
Blitzstoßstrom (10/350): 25 kA
Folgestromlöschfähigkeit: bis 25 kAeff
Energetische Koordination nach DIN EN 62305-4
Ableiter der Red/Line-Familie

Fabrikat: DEHN
Typ: DBM 1 760 FM
Art.-Nr.: 961175
oder gleichwertig.

Zertifikate

 

Wellenbrecher-Funktion

Während des Ableitvorgangs fließt bei funkenstreckenbasierten Typ 1-Ableitern der gesamte Strom über den Typ-1 Ableiter. Wie bei einem Wellenbrecher wird die ankommende Energie stark heruntergebrochen, was die nachgeschalteten SPDs deutlich entlastet. Alle Typ 1-Ableiter der Red/Line-Produktfamilie weisen die Wellenbrecherfunktion WBF auf.

Technische Daten

SPD nach EN 61643-11 / ... IEC 61643-11 Typ 1 / Class I
Höchste Dauerspannung AC (UC ) 760 V
Blitzstoßstrom (10/350 µs) (Iimp ) 25 kA
Schutzpegel (UP ) ≤ 4 kV
Max. Vorsicherung (L) bis IK = 25 kAeff (ta ≤ 5 s) 250 A gG
Zulassungen UL, CSA
FM-Kontakte / Kontaktform Wechsler

Artikel 961175 wurde zum Merkzettel hinzugefügt.

Zum Merkzettel

Artikel 961175 wurde zum Warenkorb hinzugefügt.

Zum Warenkorb

DEHNbloc Maxi 1 440 SN1885 FM

1 Produkt

Art.-Nr. 961148 DBM 1 440 SN1885 FM

GTIN 4013364475953, Zolltarifnr. (EU): 85363090, Bruttogewicht: 601.00 g, VPE: 1.00 Stk.


Abbildungen

Weitere Information



Fabrikat: DEHN
Typ: DBM 1 440 SN1885 FM
Art.-Nr.: 961148
oder gleichwertig.

Zertifikate

 

Wellenbrecher-Funktion

Während des Ableitvorgangs fließt bei funkenstreckenbasierten Typ 1-Ableitern der gesamte Strom über den Typ-1 Ableiter. Wie bei einem Wellenbrecher wird die ankommende Energie stark heruntergebrochen, was die nachgeschalteten SPDs deutlich entlastet. Alle Typ 1-Ableiter der Red/Line-Produktfamilie weisen die Wellenbrecherfunktion WBF auf.

Technische Daten

SPD nach EN 61643-11 / ... IEC 61643-11 Typ 1 / Class I
Höchste Dauerspannung AC (UC ) 440 V
Blitzstoßstrom (10/350 µs) (Iimp ) 35 kA
Schutzpegel (UP ) ≤ 2,5 kV
Max. Vorsicherung (L) bis IK = 50 kAeff (ta ≤ 0,2 s) 500 A gG
Max. Vorsicherung (L) bis IK = 50 kAeff (ta ≤ 5 s) 250 A gG
FM-Kontakte / Kontaktform Wechsler

Artikel 961148 wurde zum Merkzettel hinzugefügt.

Zum Merkzettel

Artikel 961148 wurde zum Warenkorb hinzugefügt.

Zum Warenkorb

nach oben