Ihre Services im Dashboard..
Registriert nutzen Sie das komplette Angebot.

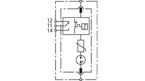
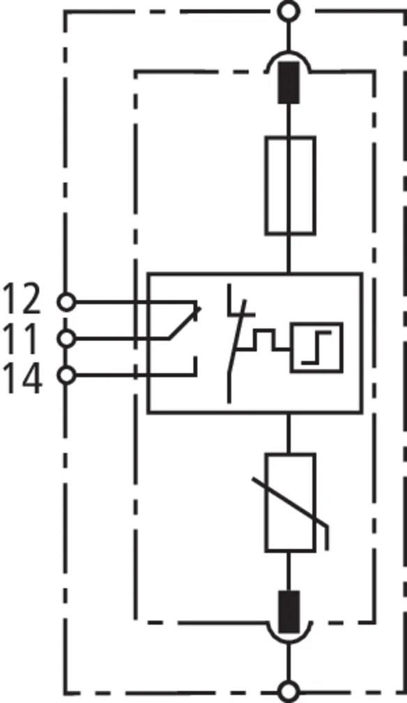
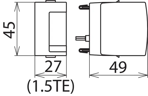
Schutzmodul für DEHNguard M, ... S und DEHNgap C S

  • Hohes Ableitvermögen durch leistungsfähige Zinkoxidvaristoren / Funkenstrecken
  • Hohe Geräte-Sicherheit durch Überwachung "Thermo-Dynamik-Control"
  • Energetisch koordiniert innerhalb der Red/Line-Produktfamilie
  • Funktions- / Defektanzeige durch grün-rote Markierung im Sichtfenster
  • Einfacher, werkzeugloser Schutzmodulwechsel durch Modulverriegelungssystem mit Modulentriegelungstaste
  • Vibrations- und schockgeprüft nach EN 60068-2

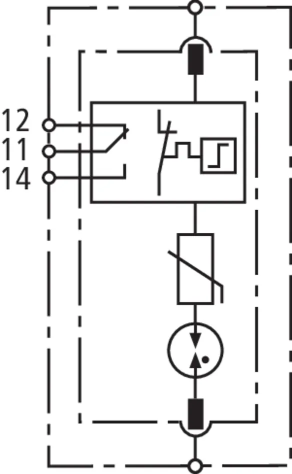
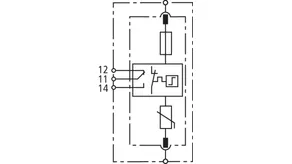
Schalter-Funkenstrecken-Schutzmodul für DEHNguard M ACI

2 Produkte

Art.-Nr. 952024 DG MOD ACI 275

GTIN 4013364377356, Zolltarifnr. (EU): 85363030, Bruttogewicht: 55.00 g, VPE: 1.00 Stk.


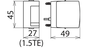
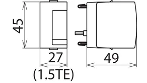
Abbildungen

Weitere Information

Schalter-Funkenstrecken-Schutzmodul DG MOD A 275
Steckbares Schutzmodul für DEHNguard M ACI ...
Typ 2-Ableiter der Red/Line - Produktfamilie
nach EN 61643-11
Höchste Dauerspannung: 275 V ac/350 V dc
Nennableitstoßstrom: 20 kA
Defektanzeige

Fabrikat: DEHN
Typ: DG MOD ACI 275
Art.-Nr.: 952024
oder gleichwertig.

Zertifikate

 

ACI-Technologie

Sie ist eine Weiterentwicklung der CI-Technologie und besteht aus einer Schalter-Funkenstreckenkombination, aufgebaut in Reihe mit einem Hochleistungsvaristor. Dies ermöglicht eine einfache Auslegung und den sicheren Betrieb des Überspannungsschutzgerätes. Weitere Merkmale sind Dimensionierungssicherheit, TOV-Festigkeit, ein Anschlussquerschnitt von nur 6 mm2 Cu und Leckstromfreiheit. Damit bieten Überspannungs-Ableiter mit ACI-Technologie maximale Sicherheit und höchste Anlagenverfügbarkeit.

Technische Daten

Nennableitstoßstrom (8/20 µs) (In ) 20 kA
Höchste Dauerspannung AC (UC ) 275 V

Artikel 952024 wurde zum Merkzettel hinzugefügt.

Zum Merkzettel

Artikel 952024 wurde zum Warenkorb hinzugefügt.

Zum Warenkorb

Art.-Nr. 952028 DG MOD ACI 385

GTIN 4013364387843, Zolltarifnr. (EU): 85363030, Bruttogewicht: 66.00 g, VPE: 1.00 Stk.


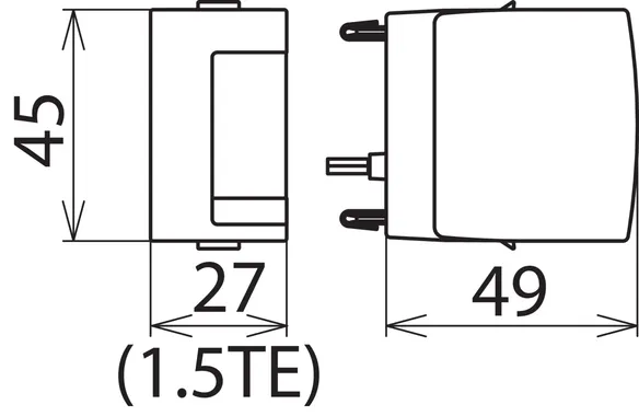
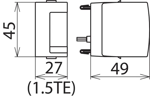
Abbildungen

Weitere Information

Schalter-Funkenstrecken-Schutzmodul DG MOD A 275
Steckbares Schutzmodul für DEHNguard M ACI ...
Typ 2-Ableiter der Red/Line - Produktfamilie
nach EN 61643-11
Höchste Dauerspannung: 275 V ac/350 V dc
Nennableitstoßstrom: 20 kA
Defektanzeige

Fabrikat: DEHN
Typ: DG MOD ACI 385
Art.-Nr.: 952028
oder gleichwertig.

 

ACI-Technologie

Sie ist eine Weiterentwicklung der CI-Technologie und besteht aus einer Schalter-Funkenstreckenkombination, aufgebaut in Reihe mit einem Hochleistungsvaristor. Dies ermöglicht eine einfache Auslegung und den sicheren Betrieb des Überspannungsschutzgerätes. Weitere Merkmale sind Dimensionierungssicherheit, TOV-Festigkeit, ein Anschlussquerschnitt von nur 6 mm2 Cu und Leckstromfreiheit. Damit bieten Überspannungs-Ableiter mit ACI-Technologie maximale Sicherheit und höchste Anlagenverfügbarkeit.

Technische Daten

Nennableitstoßstrom (8/20 µs) (In ) 20 kA
Höchste Dauerspannung AC (UC ) 385 V

Artikel 952028 wurde zum Merkzettel hinzugefügt.

Zum Merkzettel

Artikel 952028 wurde zum Warenkorb hinzugefügt.

Zum Warenkorb

Funkenstrecken-Schutzmodul für DEHNguard M ACI

1 Produkt

Art.-Nr. 952022 DG MOD A NPE

GTIN 4013364376533, Zolltarifnr. (EU): 85363030, Bruttogewicht: 46.00 g, VPE: 1.00 Stk.


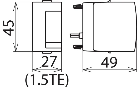
Abbildungen

Weitere Information

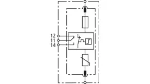
Funkenstrecken-Schutzmodul DG MOD A NPE
Steckbares Schutzmodul für DEHNguard M ACI ...
Typ 2-Ableiter der Red/Line - Produktfamilie
nach EN 61643-11
Höchste Dauerspannung: 275 V ac/350 V dc
Nennableitstoßstrom: 20 kA
Defektanzeige

Fabrikat: DEHN
Typ: DG MOD A NPE
Art.-Nr.: 952022
oder gleichwertig.

Zertifikate

 

ACI-Technologie

Sie ist eine Weiterentwicklung der CI-Technologie und besteht aus einer Schalter-Funkenstreckenkombination, aufgebaut in Reihe mit einem Hochleistungsvaristor. Dies ermöglicht eine einfache Auslegung und den sicheren Betrieb des Überspannungsschutzgerätes. Weitere Merkmale sind Dimensionierungssicherheit, TOV-Festigkeit, ein Anschlussquerschnitt von nur 6 mm2 Cu und Leckstromfreiheit. Damit bieten Überspannungs-Ableiter mit ACI-Technologie maximale Sicherheit und höchste Anlagenverfügbarkeit.

Technische Daten

Nennableitstoßstrom (8/20 µs) (In ) 20 kA
Max. Ableitstoßstrom (8/20 µs) (Imax ) 40 kA
Höchste Dauerspannung AC (UC ) 255 V

Artikel 952022 wurde zum Merkzettel hinzugefügt.

Zum Merkzettel

Artikel 952022 wurde zum Warenkorb hinzugefügt.

Zum Warenkorb

Varistor-Schutzmodul für DEHNguard M CI

1 Produkt

Art.-Nr. 952020 DG MOD CI 275

GTIN 4013364127784, Zolltarifnr. (EU): 85363030, Bruttogewicht: 59.30 g, VPE: 1.00 Stk.


Abbildungen

Weitere Information

Varistor-Schutzmodul DG MOD CI 275
Steckbares Schutzmodul für DEHNguard M CI
Typ 2-Ableiter der Red/Line - Produktfamilie nach EN 61643-11
Höchste Dauerspannung: 275 V ac
Nennableitstoßstrom: 12,5 kA
Defektanzeige

Fabrikat: DEHN
Typ: DG MOD CI 275
Art.-Nr.: 952020
oder gleichwertig.

Zertifikate

 

Integrierte Vorsicherung

Hier ist die Vorsicherung bereits integriert. Das bedeutet: Reduzierter Platzbedarf, geringere Montagekosten, schnellere Verdrahtungszeiten und kürzere Anschlussleitungslängen. Dieses Konzept ist in den Produktfamilien DEHNvenCI, DEHNbloc Maxi S, DEHNguard ... CI und V(A) NH zu finden.

Technische Daten

Nennableitstoßstrom (8/20 µs) (In ) 12,5 kA
Max. Ableitstoßstrom (8/20 µs) (Imax ) 25 kA
Höchste Dauerspannung AC (UC ) 275 V

Artikel 952020 wurde zum Merkzettel hinzugefügt.

Zum Merkzettel

Artikel 952020 wurde zum Warenkorb hinzugefügt.

Zum Warenkorb

Varistor-Schutzmodul für DEHNguard SE CI ...

2 Produkte

Art.-Nr. 952926 DG MOD E CI 440

GTIN 4013364322646, Zolltarifnr. (EU): 85363030, Bruttogewicht: 83.00 g, VPE: 1.00 Stk.


Abbildungen

Weitere Information

Varistor-Schutzmodul DG MOD E CI 440
Steckbares Schutzmodul für DEHNguard SE CI
Typ 2-Ableiter der Red/Line - Produktfamilie
nach EN 61643-11
Höchste Dauerspannung: 440 V ac
Nennableitstoßstrom: 12,5 kA
Defektanzeige

Fabrikat: DEHN
Typ: DG MOD E CI 440
Art.-Nr.: 952926
oder gleichwertig.

Zertifikate

 

Integrierte Vorsicherung

Hier ist die Vorsicherung bereits integriert. Das bedeutet: Reduzierter Platzbedarf, geringere Montagekosten, schnellere Verdrahtungszeiten und kürzere Anschlussleitungslängen. Dieses Konzept ist in den Produktfamilien DEHNvenCI, DEHNbloc Maxi S, DEHNguard ... CI und V(A) NH zu finden.

Technische Daten

Nennableitstoßstrom (8/20 µs) (In ) 12,5 kA
Höchste Dauerspannung AC (UC ) 440 V
Varistor-Bemessungsspannung (Umov ) 440 V

Artikel 952926 wurde zum Merkzettel hinzugefügt.

Zum Merkzettel

Artikel 952926 wurde zum Warenkorb hinzugefügt.

Zum Warenkorb

Art.-Nr. 952927 DG MOD E CI WE 440

GTIN 4013364322653, Zolltarifnr. (EU): 85363030, Bruttogewicht: 82.00 g, VPE: 1.00 Stk.


Abbildungen

Weitere Information

Varistor-Schutzmodul DG MOD E CI WE 440
Steckbares Schutzmodul für DEHNguard SE CI
Typ 2-Ableiter der Red/Line - Produktfamilie
nach EN 61643-11
Höchste Dauerspannung: 440 V ac
Varistor-Bemessungsspannung: 750 V ac
Nennableitstoßstrom: 12,5 kA
Defektanzeige

Fabrikat: DEHN
Typ: DG MOD E CI WE 440
Art.-Nr.: 952927
oder gleichwertig.

Zertifikate

 

Integrierte Vorsicherung

Hier ist die Vorsicherung bereits integriert. Das bedeutet: Reduzierter Platzbedarf, geringere Montagekosten, schnellere Verdrahtungszeiten und kürzere Anschlussleitungslängen. Dieses Konzept ist in den Produktfamilien DEHNvenCI, DEHNbloc Maxi S, DEHNguard ... CI und V(A) NH zu finden.

Technische Daten

Nennableitstoßstrom (8/20 µs) (In ) 12,5 kA
Höchste Dauerspannung AC (UC ) 440 V
Varistor-Bemessungsspannung (Umov ) 750 V

Artikel 952927 wurde zum Merkzettel hinzugefügt.

Zum Merkzettel

Artikel 952927 wurde zum Warenkorb hinzugefügt.

Zum Warenkorb

Varistor-Schutzmodul für DEHNguard M und DEHNguard S

8 Produkte

Art.-Nr. 952018 DG MOD 48

GTIN 4013364119482, Zolltarifnr. (EU): 85363030, Bruttogewicht: 43.50 g, VPE: 1.00 Stk.


Abbildungen

Weitere Information

Varistor-Schutzmodul DG MOD 48
Steckbares Schutzmodul für DEHNguard S ...
Typ 2-Ableiter der Red/Line - Produktfamilie
nach EN 61643-11
Hochleistungsfähige Varistor-Technologie
Höchste Dauerspannung: 48 V ac/60 V dc
Nennableitstoßstrom: 7,5 kA
Defektanzeige

Fabrikat: DEHN
Typ: DG MOD 48
Art.-Nr.: 952018
oder gleichwertig.

Zertifikate

 

Technische Daten

Nennableitstoßstrom (8/20 µs) (In ) 7,5 kA
Max. Ableitstoßstrom (8/20 µs) (Imax ) 25 kA
Höchste Dauerspannung AC (UC ) 48 V

Artikel 952018 wurde zum Merkzettel hinzugefügt.

Zum Merkzettel

Artikel 952018 wurde zum Warenkorb hinzugefügt.

Zum Warenkorb

Art.-Nr. 952011 DG MOD 75

GTIN 4013364109773, Zolltarifnr. (EU): 85363030, Bruttogewicht: 39.30 g, VPE: 1.00 Stk.


Abbildungen

Weitere Information

Varistor-Schutzmodul DG MOD 75
Steckbares Schutzmodul für DEHNguard S ...
Typ 2-Ableiter der Red/Line - Produktfamilie
nach EN 61643-11
Hochleistungsfähige Varistor-Technologie
Höchste Dauerspannung: 75 V ac/100 V dc
Nennableitstoßstrom: 10 kA
Defektanzeige

Fabrikat: DEHN
Typ: DG MOD 75
Art.-Nr.: 952011
oder gleichwertig.

Zertifikate

 

Technische Daten

Nennableitstoßstrom (8/20 µs) (In ) 10 kA
Max. Ableitstoßstrom (8/20 µs) (Imax ) 40 kA
Höchste Dauerspannung AC (UC ) 75 V

Artikel 952011 wurde zum Merkzettel hinzugefügt.

Zum Merkzettel

Artikel 952011 wurde zum Warenkorb hinzugefügt.

Zum Warenkorb

Art.-Nr. 952012 DG MOD 150

GTIN 4013364109780, Zolltarifnr. (EU): 85363030, Bruttogewicht: 42.23 g, VPE: 1.00 Stk.


Abbildungen

Weitere Information

Varistor-Schutzmodul DG MOD 150
Steckbares Schutzmodul für DEHNguard S ...
Typ 2-Ableiter der Red/Line - Produktfamilie
nach EN 61643-11
Hochleistungsfähige Varistor-Technologie
Höchste Dauerspannung: 150 V ac/200 V dc
Nennableitstoßstrom: 15 kA
Defektanzeige

Fabrikat: DEHN
Typ: DG MOD 150
Art.-Nr.: 952012
oder gleichwertig.

Zertifikate

 

Technische Daten

Nennableitstoßstrom (8/20 µs) (In ) 15 kA
Max. Ableitstoßstrom (8/20 µs) (Imax ) 40 kA
Höchste Dauerspannung AC (UC ) 150 V

Artikel 952012 wurde zum Merkzettel hinzugefügt.

Zum Merkzettel

Artikel 952012 wurde zum Warenkorb hinzugefügt.

Zum Warenkorb

Art.-Nr. 952010 DG MOD 275

GTIN 4013364108356, Zolltarifnr. (EU): 85363030, Bruttogewicht: 49.80 g, VPE: 1.00 Stk.


Abbildungen

Weitere Information

Varistor-Schutzmodul DG MOD 275
Steckbares Schutzmodul für DEHNguard M ...
und DEHNguard S ...
Typ 2-Ableiter der Red/Line - Produktfamilie
nach EN 61643-11
Höchste Dauerspannung: 275 V ac/350 V dc
Nennableitstoßstrom: 20 kA
Defektanzeige

Fabrikat: DEHN
Typ: DG MOD 275
Art.-Nr.: 952010
oder gleichwertig.

Zertifikate

 

Technische Daten

Nennableitstoßstrom (8/20 µs) (In ) 20 kA
Max. Ableitstoßstrom (8/20 µs) (Imax ) 40 kA
Höchste Dauerspannung AC (UC ) 275 V

Artikel 952010 wurde zum Merkzettel hinzugefügt.

Zum Merkzettel

Artikel 952010 wurde zum Warenkorb hinzugefügt.

Zum Warenkorb

Art.-Nr. 952013 DG MOD 320

GTIN 4013364109797, Zolltarifnr. (EU): 85363030, Bruttogewicht: 52.50 g, VPE: 1.00 Stk.


Abbildungen

Weitere Information

Varistor-Schutzmodul DG MOD 320
Steckbares Schutzmodul für DEHNguard M ... und
DEHNguard S ...
Typ 2-Ableiter der Red/Line - Produktfamilie
nach EN 61643-11
Hochleistungsfähige Varistor-Technologie
Höchste Dauerspannung: 320 V ac/420 V dc
Nennableitstoßstrom: 20 kA
Defektanzeige

Fabrikat: DEHN
Typ: DG MOD 320
Art.-Nr.: 952013
oder gleichwertig.

Zertifikate

 

Technische Daten

Nennableitstoßstrom (8/20 µs) (In ) 20 kA
Max. Ableitstoßstrom (8/20 µs) (Imax ) 40 kA
Höchste Dauerspannung AC (UC ) 320 V

Artikel 952013 wurde zum Merkzettel hinzugefügt.

Zum Merkzettel

Artikel 952013 wurde zum Warenkorb hinzugefügt.

Zum Warenkorb

Art.-Nr. 952014 DG MOD 385

GTIN 4013364108363, Zolltarifnr. (EU): 85363030, Bruttogewicht: 56.80 g, VPE: 1.00 Stk.


Abbildungen

Weitere Information

Varistor-Schutzmodul DG MOD 385
Steckbares Schutzmodul für DEHNguard M ... und
DEHNguard S ...
Typ 2-Ableiter der Red/Line - Produktfamilie
nach EN 61643-11
Hochleistungsfähige Varistor-Technologie
Höchste Dauerspannung: 385 V ac/500 V dc
Nennableitstoßstrom: 20 kA
Defektanzeige

Fabrikat: DEHN
Typ: DG MOD 385
Art.-Nr.: 952014
oder gleichwertig.

Zertifikate

 

Technische Daten

Nennableitstoßstrom (8/20 µs) (In ) 20 kA
Max. Ableitstoßstrom (8/20 µs) (Imax ) 40 kA
Höchste Dauerspannung AC (UC ) 385 V

Artikel 952014 wurde zum Merkzettel hinzugefügt.

Zum Merkzettel

Artikel 952014 wurde zum Warenkorb hinzugefügt.

Zum Warenkorb

Art.-Nr. 952015 DG MOD 440

GTIN 4013364109803, Zolltarifnr. (EU): 85363030, Bruttogewicht: 60.00 g, VPE: 1.00 Stk.


Abbildungen

Weitere Information

Varistor-Schutzmodul DG MOD 440
Steckbares Schutzmodul für DEHNguard M ...
und DEHNguard S ...
Typ 2-Ableiter der Red/Line - Produktfamilie
nach EN 61643-11
Hochleistungsfähige Varistor-Technologie
Höchste Dauerspannung: 440 V ac/585 V dc
Nennableitstoßstrom: 20 kA
Defektanzeige

Fabrikat: DEHN
Typ: DG MOD 440
Art.-Nr.: 952015
oder gleichwertig.

Zertifikate

 

Technische Daten

Nennableitstoßstrom (8/20 µs) (In ) 20 kA
Max. Ableitstoßstrom (8/20 µs) (Imax ) 40 kA
Höchste Dauerspannung AC (UC ) 440 V

Artikel 952015 wurde zum Merkzettel hinzugefügt.

Zum Merkzettel

Artikel 952015 wurde zum Warenkorb hinzugefügt.

Zum Warenkorb

Art.-Nr. 952016 DG MOD 600

GTIN 4013364109810, Zolltarifnr. (EU): 85363030, Bruttogewicht: 70.60 g, VPE: 1.00 Stk.


Abbildungen

Weitere Information

Varistor-Schutzmodul DG MOD 600
Steckbares Schutzmodul für DEHNguard S ...
Typ 2-Ableiter der Red/Line - Produktfamilie
nach EN 61643-11
Hochleistungsfähige Varistor-Technologie
Höchste Dauerspannung: 600 V ac/600 V dc
Nennableitstoßstrom: 15 kA
Defektanzeige

Fabrikat: DEHN
Typ: DG MOD 600
Art.-Nr.: 952016
oder gleichwertig.

Zertifikate

 

Technische Daten

Nennableitstoßstrom (8/20 µs) (In ) 15 kA
Max. Ableitstoßstrom (8/20 µs) (Imax ) 30 kA
Höchste Dauerspannung AC (UC ) 600 V

Artikel 952016 wurde zum Merkzettel hinzugefügt.

Zum Merkzettel

Artikel 952016 wurde zum Warenkorb hinzugefügt.

Zum Warenkorb

Varistor-Schutzmodul für DEHNguard M (S) WE

1 Produkt

Art.-Nr. 952017 DG MOD 750

GTIN 4013364113329, Zolltarifnr. (EU): 85363030, Bruttogewicht: 69.70 g, VPE: 1.00 Stk.


Abbildungen

Weitere Information

Varistor-Schutzmodul DG MOD 750
Steckbares Schutzmodul für DEHNguard S WE 600 (FM)
und DG M WE 600 (FM)
Typ 2-Ableiter der Red/Line - Produktfamilie
nach EN 61643-11
Hochleistungsfähige Varistor-Technologie
Höchste Dauerspannung: 600 V ac/600 V dc
Varistor-bemessungsspannung: 750 V ac
Nennableitstoßstrom: 15 kA
Defektanzeige

Fabrikat: DEHN
Typ: DG MOD 750
Art.-Nr.: 952017
oder gleichwertig.

Zertifikate

 

Technische Daten

Nennableitstoßstrom (8/20 µs) (In ) 15 kA
Max. Ableitstoßstrom (8/20 µs) (Imax ) 25 kA
Höchste Dauerspannung AC (UC ) 600 V
Varistor-Bemessungsspannung (Umov ) 750 V

Artikel 952017 wurde zum Merkzettel hinzugefügt.

Zum Merkzettel

Artikel 952017 wurde zum Warenkorb hinzugefügt.

Zum Warenkorb

N-PE-Funkenstrecken-Schutzmodul für DEHNguard M ACI

N-PE-Funkenstrecken-Schutzmodul für zwei- und vierpolige DEHNguard DG M TT (2P) ACI ... .

1 Produkt

Art.-Nr. 952083 DG MOD H A NPE

GTIN 4013364376540, Zolltarifnr. (EU): 85363030, Bruttogewicht: 55.00 g, VPE: 1.00 Stk.


Abbildungen

Weitere Information

N-PE-Funkenstrecken-Schutzmodul DG MOD H A NPE
Steckbares N-PE-Funkenstrecken-Schutzmodul
für DEHNguard DG M TT (2P) ACI ...
für Typ 2-N-PE-Überspannungs-Ableiter
der Red/Line - Produktfamilie nach EN 61643-11
Höchste Dauerspannung: 255 V ac
Nennableitstoßstrom: 80 kA
Maximaler Ableitstoßstrom: 120 kA
Defektanzeige

Fabrikat: DEHN
Typ: DG MOD H A NPE
Art.-Nr.: 952083
oder gleichwertig.

Zertifikate

 

Technische Daten

Nennableitstoßstrom (8/20 µs) (In ) 80 kA
Max. Ableitstoßstrom (8/20 µs) (Imax ) 120 kA
Höchste Dauerspannung AC (UC ) 275 V

Artikel 952083 wurde zum Merkzettel hinzugefügt.

Zum Merkzettel

Artikel 952083 wurde zum Warenkorb hinzugefügt.

Zum Warenkorb

N-PE-Funkenstrecken-Schutzmodul für DEHNguard M H TT ...

1 Produkt

Art.-Nr. 952081 DG MOD H NPE

GTIN 4013364318182, Zolltarifnr. (EU): 85363030, Bruttogewicht: 44.50 g, VPE: 1.00 Stk.


Abbildungen

Weitere Information

N-PE-Funkenstrecken-Schutzmodul DG MOD H NPE
Steckbares N-PE-Funkenstrecken-Schutzmodul
für DEHNguard DG M TT ...
für Typ 2-N-PE-Überspannungs-Ableiter
der Red/Line - Produktfamilie nach EN 61643-11
Höchste Dauerspannung: 255 V ac
Nennableitstoßstrom: 80 kA
Maximaler Ableitstoßstrom: 120 kA
Defektanzeige

Fabrikat: DEHN
Typ: DG MOD H NPE
Art.-Nr.: 952081
oder gleichwertig.

Zertifikate

 

Technische Daten

Nennableitstoßstrom (8/20 µs) (In ) 80 kA
Max. Ableitstoßstrom (8/20 µs) (Imax ) 120 kA
Höchste Dauerspannung AC (UC ) 255 V

Artikel 952081 wurde zum Merkzettel hinzugefügt.

Zum Merkzettel

Artikel 952081 wurde zum Warenkorb hinzugefügt.

Zum Warenkorb

N-PE-Funkenstrecken-Schutzmodul für DEHNguard M TT ...

1 Produkt

Art.-Nr. 952050 DG MOD NPE

GTIN 4013364108370, Zolltarifnr. (EU): 85363030, Bruttogewicht: 44.50 g, VPE: 1.00 Stk.


Abbildungen

Weitere Information

N-PE-Funkenstrecken-Schutzmodul DG MOD NPE
Steckbares N-PE-Funkenstrecken-Schutzmodul
für DEHNguard DG M TT ...
für Typ 2-N-PE-Überspannungs-Ableiter
der Red/Line - Produktfamilie nach EN 61643-11
Höchste Dauerspannung: 255 V ac
Nennableitstoßstrom: 20 kA
Maximaler Ableitstoßstrom: 40 kA
Defektanzeige

Fabrikat: DEHN
Typ: DG MOD NPE
Art.-Nr.: 952050
oder gleichwertig.

Zertifikate

 

Technische Daten

Nennableitstoßstrom (8/20 µs) (In ) 20 kA
Max. Ableitstoßstrom (8/20 µs) (Imax ) 40 kA
Höchste Dauerspannung AC (UC ) 255 V

Artikel 952050 wurde zum Merkzettel hinzugefügt.

Zum Merkzettel

Artikel 952050 wurde zum Warenkorb hinzugefügt.

Zum Warenkorb

N-PE-Funkenstrecken-Schutzmodul für DEHNgap C S

1 Produkt

Art.-Nr. 952060 DGP C MOD

GTIN 4013364108387, Zolltarifnr. (EU): 85363030, Bruttogewicht: 44.00 g, VPE: 1.00 Stk.


Abbildungen

Weitere Information

N-PE-Funkenstrecken-Schutzmodul DGP C MOD
Steckbares N-PE-Funkenstrecken-Schutzmodul für
einpolige N-PE-Überspannungs-Ableiter DEHNgap C S ...
für Typ 2-N-PE-Überspannungs-Ableiter
der Red/Line - Produktfamilie nach EN 61643-11
Höchste Dauerspannung: 255 V ac
Nennableitstoßstrom: 20 kA
Maximaler Ableitstoßstrom: 40 kA
Defektanzeige

Fabrikat: DEHN
Typ: DGP C MOD
Art.-Nr.: 952060
oder gleichwertig.

Zertifikate

 

Technische Daten

Nennableitstoßstrom (8/20 µs) (In ) 20 kA
Max. Ableitstoßstrom (8/20 µs) (Imax ) 40 kA
Höchste Dauerspannung AC (UC ) 255 V

Artikel 952060 wurde zum Merkzettel hinzugefügt.

Zum Merkzettel

Artikel 952060 wurde zum Warenkorb hinzugefügt.

Zum Warenkorb

Varistor-Funkenstrecken-Schutzmodul für DEHNguard S ... VA

3 Produkte

Art.-Nr. 952025 DG MOD 75 VA

GTIN 4013364127357, Zolltarifnr. (EU): 85363030, Bruttogewicht: 41.00 g, VPE: 1.00 Stk.


Abbildungen

Weitere Information

Varistor-Schutzmodul DG MOD 75 VA
Steckbares Schutzmodul für DEHNguard S ... VA
Typ 2-Ableiter der Red/Line - Produktfamilie
nach EN 61643-11
Höchste Dauerspannung: 75 V ac/100 V dc
Nennableitstoßstrom: 10 kA
Defektanzeige

Fabrikat: DEHN
Typ: DG MOD 75 VA
Art.-Nr.: 952025
oder gleichwertig.

Zertifikate

 

Technische Daten

Nennableitstoßstrom (8/20 µs) (In ) 10 kA
Max. Ableitstoßstrom (8/20 µs) (Imax ) 20 kA
Höchste Dauerspannung AC (UC ) 75 V
Höchste Dauerspannung DC (UC ) 100 V

Artikel 952025 wurde zum Merkzettel hinzugefügt.

Zum Merkzettel

Artikel 952025 wurde zum Warenkorb hinzugefügt.

Zum Warenkorb

Art.-Nr. 952027 DG MOD 275 VA

GTIN 4013364127364, Zolltarifnr. (EU): 85363030, Bruttogewicht: 47.00 g, VPE: 1.00 Stk.


Abbildungen

Weitere Information

Varistor-Schutzmodul DG MOD 275 VA
Steckbares Schutzmodul für DEHNguard S ... VA
Typ 2-Ableiter der Red/Line - Produktfamilie
nach EN 61643-11
Höchste Dauerspannung: 275 V ac/350 V dc
Nennableitstoßstrom: 10 kA
Defektanzeige

Fabrikat: DEHN
Typ: DG MOD 275 VA
Art.-Nr.: 952027
oder gleichwertig.

Zertifikate

 

Technische Daten

Nennableitstoßstrom (8/20 µs) (In ) 10 kA
Max. Ableitstoßstrom (8/20 µs) (Imax ) 20 kA
Höchste Dauerspannung AC (UC ) 275 V
Höchste Dauerspannung DC (UC ) 350 V

Artikel 952027 wurde zum Merkzettel hinzugefügt.

Zum Merkzettel

Artikel 952027 wurde zum Warenkorb hinzugefügt.

Zum Warenkorb

Art.-Nr. 952029 DG MOD 385 VA

GTIN 4013364127371, Zolltarifnr. (EU): 85363030, Bruttogewicht: 51.00 g, VPE: 1.00 Stk.


Abbildungen

Weitere Information

Varistor-Schutzmodul DG MOD 385 VA
Steckbares Schutzmodul für DEHNguard S ... VA
Typ 2-Ableiter der Red/Line - Produktfamilie
nach EN 61643-11
Höchste Dauerspannung: 385 V ac/500 V dc
Nennableitstoßstrom: 10 kA
Defektanzeige

Fabrikat: DEHN
Typ: DG MOD 385 VA
Art.-Nr.: 952029
oder gleichwertig.

Zertifikate

 

Technische Daten

Nennableitstoßstrom (8/20 µs) (In ) 10 kA
Max. Ableitstoßstrom (8/20 µs) (Imax ) 20 kA
Höchste Dauerspannung AC (UC ) 385 V
Höchste Dauerspannung DC (UC ) 500 V

Artikel 952029 wurde zum Merkzettel hinzugefügt.

Zum Merkzettel

Artikel 952029 wurde zum Warenkorb hinzugefügt.

Zum Warenkorb

Varistor-Schutzmodul für DEHNguard M YPV

2 Produkte

Art.-Nr. 952048 DG MOD H PV 600

GTIN 4013364327733, Zolltarifnr. (EU): 85363030, Bruttogewicht: 61.20 g, VPE: 1.00 Stk.


Abbildungen

Weitere Information

Varistor-Schutzmodul DG MOD H PV 600
Steckbares Schutzmodul für DEHNguard M YPV
Klassifikation Typ 2-Ableiter nach EN 61643-31
der Red/Line – Produktfamilie
Hochleistungsfähige Varistor-Technologie
Höchste Dauerspannung: 585 V dc
Nennableitstoßstrom: 20 kA
Defektanzeige

Fabrikat: DEHN
Typ: DG MOD H PV 600
Art.-Nr.: 952048
oder gleichwertig.

Zertifikate

 

Technische Daten

Nennableitstoßstrom (8/20 µs) (In ) 20 kA
Max. Ableitstoßstrom (8/20 µs) (Imax ) 40 kA
Höchste Dauerspannung DC (UC ) 600 V

Artikel 952048 wurde zum Merkzettel hinzugefügt.

Zum Merkzettel

Artikel 952048 wurde zum Warenkorb hinzugefügt.

Zum Warenkorb

Art.-Nr. 952049 DG MOD H PV 750

GTIN 4013364327740, Zolltarifnr. (EU): 85363030, Bruttogewicht: 70.60 g, VPE: 1.00 Stk.


Abbildungen

Weitere Information

Varistor-Schutzmodul DG MOD H PV 750
Steckbares Schutzmodul für DEHNguard M YPV
Klassifikation Typ 2-Ableiter nach EN 61643-31
der Red/Line – Produktfamilie
Hochleistungsfähige Varistor-Technologie
Höchste Dauerspannung: 750 V dc
Nennableitstoßstrom: 15 kA
Defektanzeige

Fabrikat: DEHN
Typ: DG MOD H PV 750
Art.-Nr.: 952049
oder gleichwertig.

Zertifikate

 

Technische Daten

Nennableitstoßstrom (8/20 µs) (In ) 15 kA
Max. Ableitstoßstrom (8/20 µs) (Imax ) 40 kA
Höchste Dauerspannung DC (UC ) 750 V

Artikel 952049 wurde zum Merkzettel hinzugefügt.

Zum Merkzettel

Artikel 952049 wurde zum Warenkorb hinzugefügt.

Zum Warenkorb

Varistor-Schutzmodul für DEHNguard M YPV SCI und DEHNguard S PV SCI

3 Produkte

Art.-Nr. 952055 DG MOD PV SCI 75

GTIN 4013364136700, Zolltarifnr. (EU): 85363030, Bruttogewicht: 43.40 g, VPE: 1.00 Stk.


Abbildungen

Weitere Information

Varistor-Schutzmodul DG MOD PV SCI 75
Steckbares Schutzmodul für DEHNguard M (Y)PV SCI
Klassifikation Typ 2-Ableiter nach EN 50539-11
der Red/Line - Produktfamilie
Hochleistungsfähige Varistor-Technologie
Kombinierte Abtrenn- und Kurzschließvorrichtung
Höchste Dauerspannung: 75 V dc
für PV-Systeme bis Ucpv <= 150 V
Gesamtableitstoßstrom: 40 kA
Defektanzeige

Fabrikat: DEHN
Typ: DG MOD PV SCI 75
Art.-Nr.: 952055
oder gleichwertig.

Zertifikate

 

SCI-Technologie

Mit der von DEHN patentierten SCI-Technologie mit ihrer aktiven Lichtbogenlöschung wird ein eventuell auftretender Schaltlichtbogen im Überlastfall aktiv, schnell und sicher gelöscht. Die im Kurzschlusspfad integrierte PV-Sicherung löst sofort nach Erlöschen des Lichtbogens aus und stellt dann die sichere elektrische Trennung (Interruption) her. Damit realisieren alle PV-Ableiter von DEHN Überspannungs-, Brand-, und Personenschutz in einem Gerät.

Technische Daten

Nennableitstoßstrom (8/20 µs) (In ) 10 kA
Max. Ableitstoßstrom (8/20 µs) (Imax ) 20 kA
Höchste Dauerspannung DC (UC ) 75 V

Artikel 952055 wurde zum Merkzettel hinzugefügt.

Zum Merkzettel

Artikel 952055 wurde zum Warenkorb hinzugefügt.

Zum Warenkorb

Art.-Nr. 952051 DG MOD PV SCI 500

GTIN 4013364126442, Zolltarifnr. (EU): 85363030, Bruttogewicht: 56.15 g, VPE: 1.00 Stk.


Abbildungen

Weitere Information

Varistor-Schutzmodul DG MOD PV SCI 500
Steckbares Schutzmodul für DEHNguard M (Y)PV SCI
Klassifikation Typ 2-Ableiter nach EN 61643-31
der Red/Line - Produktfamilie
Hochleistungsfähige Varistor-Technologie
Kombinierte Abtrenn- und Kurzschließvorrichtung
Höchste Dauerspannung: 500 V dc
für PV-Systeme bis Ucpv <= 1000 V
Gesamtableitstoßstrom: 40 kA
Defektanzeige

Fabrikat: DEHN
Typ: DG MOD PV SCI 500
Art.-Nr.: 952051
oder gleichwertig.

Zertifikate

 

SCI-Technologie

Mit der von DEHN patentierten SCI-Technologie mit ihrer aktiven Lichtbogenlöschung wird ein eventuell auftretender Schaltlichtbogen im Überlastfall aktiv, schnell und sicher gelöscht. Die im Kurzschlusspfad integrierte PV-Sicherung löst sofort nach Erlöschen des Lichtbogens aus und stellt dann die sichere elektrische Trennung (Interruption) her. Damit realisieren alle PV-Ableiter von DEHN Überspannungs-, Brand-, und Personenschutz in einem Gerät.

Technische Daten

Nennableitstoßstrom (8/20 µs) (In ) 12,5 kA
Max. Ableitstoßstrom (8/20 µs) (Imax ) 25 kA
Höchste Dauerspannung DC (UC ) 500 V

Artikel 952051 wurde zum Merkzettel hinzugefügt.

Zum Merkzettel

Artikel 952051 wurde zum Warenkorb hinzugefügt.

Zum Warenkorb

Art.-Nr. 952054 DG MOD PV SCI 600

GTIN 4013364127975, Zolltarifnr. (EU): 85363030, Bruttogewicht: 58.80 g, VPE: 1.00 Stk.


Abbildungen

Weitere Information

Varistor-Schutzmodul DG MOD PV SCI 600
Steckbares Schutzmodul für DEHNguard M (Y)PV SCI
Klassifikation Typ 2-Ableiter nach EN 61643-31
der Red/Line - Produktfamilie
Hochleistungsfähige Varistor-Technologie
Kombinierte Abtrenn- und Kurzschließvorrichtung
Höchste Dauerspannung: 600 V dc
Maximale PV-Spannung: <= 1200 V dc
Gesamtableitstoßstrom: 30 kA
Defektanzeige

Fabrikat: DEHN
Typ: DG MOD PV SCI 600
Art.-Nr.: 952054
oder gleichwertig.

Zertifikate

 

SCI-Technologie

Mit der von DEHN patentierten SCI-Technologie mit ihrer aktiven Lichtbogenlöschung wird ein eventuell auftretender Schaltlichtbogen im Überlastfall aktiv, schnell und sicher gelöscht. Die im Kurzschlusspfad integrierte PV-Sicherung löst sofort nach Erlöschen des Lichtbogens aus und stellt dann die sichere elektrische Trennung (Interruption) her. Damit realisieren alle PV-Ableiter von DEHN Überspannungs-, Brand-, und Personenschutz in einem Gerät.

Technische Daten

Nennableitstoßstrom (8/20 µs) (In ) 12,5 kA
Max. Ableitstoßstrom (8/20 µs) (Imax ) 25 kA
Höchste Dauerspannung DC (UC ) 600 V

Artikel 952054 wurde zum Merkzettel hinzugefügt.

Zum Merkzettel

Artikel 952054 wurde zum Warenkorb hinzugefügt.

Zum Warenkorb

Varistor-Schutzmodul für DEHNguard M YPV und DEHNguard S PV

3 Produkte

Art.-Nr. 952045 DG MOD PV 75

GTIN 4013364141827, Zolltarifnr. (EU): 85363030, Bruttogewicht: 40.20 g, VPE: 1.00 Stk.


Abbildungen

Weitere Information

Varistor-Schutzmodul DG MOD PV 75
Steckbares Schutzmodul für DEHNguard
M YPV SCI und S PV SCI
Klassifikation Typ 2-Ableiter nach EN 50539-11
der Red/Line – Produktfamilie
Hochleistungsfähige Varistor-Technologie
Höchste Dauerspannung: 75 V dc
Nennableitstoßstrom: 10 kA
Defektanzeige

Fabrikat: DEHN
Typ: DG MOD PV 75
Art.-Nr.: 952045
oder gleichwertig.

Zertifikate

 

Technische Daten

Nennableitstoßstrom (8/20 µs) (In ) 10 kA
Max. Ableitstoßstrom (8/20 µs) (Imax ) 40 kA
Höchste Dauerspannung DC (UC ) 75 V

Artikel 952045 wurde zum Merkzettel hinzugefügt.

Zum Merkzettel

Artikel 952045 wurde zum Warenkorb hinzugefügt.

Zum Warenkorb

Art.-Nr. 952041 DG MOD PV 500

GTIN 4013364141841, Zolltarifnr. (EU): 85363030, Bruttogewicht: 60.19 g, VPE: 1.00 Stk.


Abbildungen

Weitere Information

Varistor-Schutzmodul DG MOD PV 500
Steckbares Schutzmodul für DEHNguard
M YPV SCI und S PV SCI
Klassifikation Typ 2-Ableiter nach EN 61643-31
der Red/Line – Produktfamilie
Hochleistungsfähige Varistor-Technologie
Höchste Dauerspannung: 500 V dc
Nennableitstoßstrom: 20 kA
Defektanzeige

Fabrikat: DEHN
Typ: DG MOD PV 500
Art.-Nr.: 952041
oder gleichwertig.

Zertifikate

 

Technische Daten

Nennableitstoßstrom (8/20 µs) (In ) 20 kA
Max. Ableitstoßstrom (8/20 µs) (Imax ) 40 kA
Höchste Dauerspannung DC (UC ) 500 V

Artikel 952041 wurde zum Merkzettel hinzugefügt.

Zum Merkzettel

Artikel 952041 wurde zum Warenkorb hinzugefügt.

Zum Warenkorb

Art.-Nr. 952044 DG MOD PV 600

GTIN 4013364141858, Zolltarifnr. (EU): 85363030, Bruttogewicht: 69.49 g, VPE: 1.00 Stk.


Abbildungen

Weitere Information

Varistor-Schutzmodul DG MOD PV 600
Steckbares Schutzmodul für DEHNguard
M YPV SCI und S PV SCI
Klassifikation Typ 2-Ableiter nach EN 61643-31
der Red/Line – Produktfamilie
Hochleistungsfähige Varistor-Technologie
Höchste Dauerspannung: 600 V dc
Nennableitstoßstrom: 15 kA
Defektanzeige

Fabrikat: DEHN
Typ: DG MOD PV 600
Art.-Nr.: 952044
oder gleichwertig.

Zertifikate

 

Technische Daten

Nennableitstoßstrom (8/20 µs) (In ) 15 kA
Max. Ableitstoßstrom (8/20 µs) (Imax ) 30 kA
Höchste Dauerspannung DC (UC ) 600 V

Artikel 952044 wurde zum Merkzettel hinzugefügt.

Zum Merkzettel

Artikel 952044 wurde zum Warenkorb hinzugefügt.

Zum Warenkorb

Varistor-Schutzmodul für DEHNguard ME YPV SCI und DEHNguard SE PV SCI

1 Produkt

Art.-Nr. 952056 DG MOD E PV SCI 750

GTIN 4013364149106, Zolltarifnr. (EU): 85363030, Bruttogewicht: 82.70 g, VPE: 1.00 Stk.


Abbildungen

Weitere Information

Varistor-Schutzmodul DG MOD E PV SCI 750
Steckbares Schutzmodul für DEHNguard
ME YPV SCI und SE PV SCI
Klassifikation Typ 2-Ableiter nach EN 50539-11
der Red/Line – Produktfamilie
Hochleistungsfähige Varistor-Technologie
Höchste Dauerspannung: 750 V DC
Nennableitstoßstrom: 12,5 kA
Defektanzeige

Fabrikat: DEHN
Typ: DG MOD E PV SCI 750
Art.-Nr.: 952056
oder gleichwertig.

Zertifikate

 

SCI-Technologie

Mit der von DEHN patentierten SCI-Technologie mit ihrer aktiven Lichtbogenlöschung wird ein eventuell auftretender Schaltlichtbogen im Überlastfall aktiv, schnell und sicher gelöscht. Die im Kurzschlusspfad integrierte PV-Sicherung löst sofort nach Erlöschen des Lichtbogens aus und stellt dann die sichere elektrische Trennung (Interruption) her. Damit realisieren alle PV-Ableiter von DEHN Überspannungs-, Brand-, und Personenschutz in einem Gerät.

Technische Daten

Nennableitstoßstrom (8/20 µs) (In ) 12,5 kA
Max. Ableitstoßstrom (8/20 µs) (Imax ) 25 kA
Höchste Dauerspannung DC (UC ) 750 V

Artikel 952056 wurde zum Merkzettel hinzugefügt.

Zum Merkzettel

Artikel 952056 wurde zum Warenkorb hinzugefügt.

Zum Warenkorb

Varistor-Schutzmodul für DEHNguard SE H ...

4 Produkte

Art.-Nr. 952900 DG MOD E H LI 275

GTIN 4013364158801, Zolltarifnr. (EU): 85363030, Bruttogewicht: 90.00 g, VPE: 1.00 Stk.


Abbildungen

Weitere Information

Varistor-Schutzmodul DG MOD E H LI 275
Steckbares Schutzmodul für DEHNguard
SE H LI 275 FM
mit 3-stufigen Frühwarnsystem
Typ 2-Ableiter nach EN 61643-11
Hochleistungsfähige Varistor-Technologie
Höchste Dauerspannung: 275 V DC
Nennableitstoßstrom: 30 kA
Lebensdauer-Sicht-Anzeige

Fabrikat: DEHN
Typ: DG MOD E H LI 275
Art.-Nr.: 952900
oder gleichwertig.

 

Technische Daten

Nennableitstoßstrom (8/20 µs) (In ) 30 kA
Max. Ableitstoßstrom (8/20 µs) (Imax ) 65 kA
Höchste Dauerspannung AC (UC ) 275 V

Artikel 952900 wurde zum Merkzettel hinzugefügt.

Zum Merkzettel

Artikel 952900 wurde zum Warenkorb hinzugefügt.

Zum Warenkorb

Art.-Nr. 952907 DG MOD E H LI 1000

GTIN 4013364158856, Zolltarifnr. (EU): 85363030, Bruttogewicht: 130.00 g, VPE: 1.00 Stk.


Abbildungen

Weitere Information

Varistor-Schutzmodul DG MOD E H LI 1000
Steckbares Schutzmodul für DEHNguard
SE H LI 1000 FM
mit 3-stufigen Frühwarnsystem
Typ 2-Ableiter nach EN 61643-11
Hochleistungsfähige Varistor-Technologie
Höchste Dauerspannung: 1000 V DC
Nennableitstoßstrom: 20 kA
Schutzmodul-Kodierung

Fabrikat: DEHN
Typ: DG MOD E H LI 1000
Art.-Nr.: 952907
oder gleichwertig.

 

Technische Daten

Nennableitstoßstrom (8/20 µs) (In ) 20 kA
Max. Ableitstoßstrom (8/20 µs) (Imax ) 40 kA
Höchste Dauerspannung AC (UC ) 1000 V

Artikel 952907 wurde zum Merkzettel hinzugefügt.

Zum Merkzettel

Artikel 952907 wurde zum Warenkorb hinzugefügt.

Zum Warenkorb

Art.-Nr. 952908 DG MOD E H 1000

GTIN 4013364264526, Zolltarifnr. (EU): 85363030, Bruttogewicht: 123.00 g, VPE: 1.00 Stk.


Abbildungen

Weitere Information

Varistor-Schutzmodul DG MOD E H 1000
Steckbares Schutzmodul für DEHNguard
SE H 1000 FM
Typ 2-Ableiter nach EN 61643-11
Hochleistungsfähige Varistor-Technologie
Höchste Dauerspannung: 1000 V DC
Nennableitstoßstrom: 20 kA
Defektanzeige

Fabrikat: DEHN
Typ: DG MOD E H 1000
Art.-Nr.: 952908
oder gleichwertig.

Zertifikate

 

Technische Daten

Nennableitstoßstrom (8/20 µs) (In ) 20 kA
Max. Ableitstoßstrom (8/20 µs) (Imax ) 40 kA
Höchste Dauerspannung AC (UC ) 1000 V

Artikel 952908 wurde zum Merkzettel hinzugefügt.

Zum Merkzettel

Artikel 952908 wurde zum Warenkorb hinzugefügt.

Zum Warenkorb

Art.-Nr. 952918 DG MOD E H 1000 VA

GTIN 4013364308336, Zolltarifnr. (EU): 85363030, Bruttogewicht: 130.00 g, VPE: 1.00 Stk.


Abbildungen

Weitere Information

Varistor-Schutzmodul DG MOD E 1000 VA
Steckbares Schutzmodul für DEHNguard
SE H 1000 VA FM
Typ 2-Ableiter nach EN 61643-11
Hochleistungsfähige Varistor-Technologie
Höchste Dauerspannung: 1000 V DC
Nennableitstoßstrom: 15 kA
Defektanzeige

Fabrikat: DEHN
Typ: DG MOD E H 1000 VA
Art.-Nr.: 952918
oder gleichwertig.

Zertifikate

 

Technische Daten

Nennableitstoßstrom (8/20 µs) (In ) 15 kA
Max. Ableitstoßstrom (8/20 µs) (Imax ) 40 kA
Höchste Dauerspannung AC (UC ) 1000 V

Artikel 952918 wurde zum Merkzettel hinzugefügt.

Zum Merkzettel

Artikel 952918 wurde zum Warenkorb hinzugefügt.

Zum Warenkorb

Varistor-Schutzmodul für DEHNguard SE DC

4 Produkte

Art.-Nr. 972010 DG MOD E DC 60

GTIN 4013364158672, Zolltarifnr. (EU): 85363030, Bruttogewicht: 65.00 g, VPE: 1.00 Stk.


Abbildungen

Weitere Information

Varistor-Schutzmodul DG MOD E DC 60
Steckbares Schutzmodul für DEHNguard SE DC ... (FM)
Typ 2-Ableiter der Red/Line - Produktfamilie
nach EN 61643-11
Hochleistungsfähige Varistor-Technologie
Speziell für den Einsatz in DC-Stromkreisen
Höchste Dauerspannung: 60 V DC
Nennableitstoßstrom: 12,5 kA
Defektanzeige

Fabrikat: DEHN
Typ: DG MOD E DC 60
Art.-Nr.: 972010
oder gleichwertig.

 

Direct Current-Disconnection

Beim Einsatz von Überspannungs-Ableitern in Gleichstromanwendungen muss sichergestellt sein, dass die Abtrennvorrichtung auch bei fehlenden Nulldurchgängen sicher schaltet. Die eigens entwickelte DC-Disconnection (DCD)-Technologie wirkt als Keil ähnlich einem Sperrventil um den DC-Strom zu unterbrechen. Damit sind die Geräte der DEHNguard SE DC-Familie in der Lage, Gleichstrom sicher zu unterbrechen und somit Brandschäden infolge von DC-Schaltlichtbögen zu verhindern.

Technische Daten

Nennableitstoßstrom (8/20 µs) (In ) 12,5 kA
Höchste Dauerspannung DC (UC ) 60 V

Artikel 972010 wurde zum Merkzettel hinzugefügt.

Zum Merkzettel

Artikel 972010 wurde zum Warenkorb hinzugefügt.

Zum Warenkorb

Art.-Nr. 972020 DG MOD E DC 242

GTIN 4013364158702, Zolltarifnr. (EU): 85363030, Bruttogewicht: 75.00 g, VPE: 1.00 Stk.


Abbildungen

Weitere Information

Varistor-Schutzmodul DG MOD E DC 242
Steckbares Schutzmodul für DEHNguard SE DC ... (FM)
Typ 2-Ableiter der Red/Line - Produktfamilie
nach EN 61643-11
Hochleistungsfähige Varistor-Technologie
Speziell für den Einsatz in DC-Stromkreisen
Höchste Dauerspannung: 242 V DC
Nennableitstoßstrom: 12,5 kA
Defektanzeige

Fabrikat: DEHN
Typ: DG MOD E DC 242
Art.-Nr.: 972020
oder gleichwertig.

Zertifikate

 

Direct Current-Disconnection

Beim Einsatz von Überspannungs-Ableitern in Gleichstromanwendungen muss sichergestellt sein, dass die Abtrennvorrichtung auch bei fehlenden Nulldurchgängen sicher schaltet. Die eigens entwickelte DC-Disconnection (DCD)-Technologie wirkt als Keil ähnlich einem Sperrventil um den DC-Strom zu unterbrechen. Damit sind die Geräte der DEHNguard SE DC-Familie in der Lage, Gleichstrom sicher zu unterbrechen und somit Brandschäden infolge von DC-Schaltlichtbögen zu verhindern.

Technische Daten

Nennableitstoßstrom (8/20 µs) (In ) 12,5 kA
Höchste Dauerspannung DC (UC ) 242 V

Artikel 972020 wurde zum Merkzettel hinzugefügt.

Zum Merkzettel

Artikel 972020 wurde zum Warenkorb hinzugefügt.

Zum Warenkorb

Art.-Nr. 972030

GTIN , Bruttogewicht: , VPE:


Abbildungen

Weitere Information

Varistor-Schutzmodul DG MOD E DC 550
Steckbares Schutzmodul für DEHNguard SE DC ... (FM)
Typ 2-Ableiter der Red/Line - Produktfamilie
nach EN 61643-11
Hochleistungsfähige Varistor-Technologie
Speziell für den Einsatz in DC-Stromkreisen
Höchste Dauerspannung: 550 V DC
Nennableitstoßstrom: 12,5 kA
Defektanzeige

Fabrikat: DEHN
Typ: null
Art.-Nr.: 972030
oder gleichwertig.

Zertifikate

 

Direct Current-Disconnection

Beim Einsatz von Überspannungs-Ableitern in Gleichstromanwendungen muss sichergestellt sein, dass die Abtrennvorrichtung auch bei fehlenden Nulldurchgängen sicher schaltet. Die eigens entwickelte DC-Disconnection (DCD)-Technologie wirkt als Keil ähnlich einem Sperrventil um den DC-Strom zu unterbrechen. Damit sind die Geräte der DEHNguard SE DC-Familie in der Lage, Gleichstrom sicher zu unterbrechen und somit Brandschäden infolge von DC-Schaltlichtbögen zu verhindern.

Technische Daten

Nennableitstoßstrom (8/20 µs) (In ) 12,5 kA
Höchste Dauerspannung DC (UC ) 550 V

Artikel 972030 wurde zum Merkzettel hinzugefügt.

Zum Merkzettel

Artikel 972030 wurde zum Warenkorb hinzugefügt.

Zum Warenkorb

Art.-Nr. 972040

GTIN , Bruttogewicht: , VPE:


Abbildungen

Weitere Information

Varistor-Schutzmodul DG MOD E DC 900
Steckbares Schutzmodul für DEHNguard SE DC ... (FM)
Typ 2-Ableiter der Red/Line - Produktfamilie
nach EN 61643-11
Hochleistungsfähige Varistor-Technologie
Speziell für den Einsatz in DC-Stromkreisen
Höchste Dauerspannung: 900 V DC
Nennableitstoßstrom: 12,5 kA
Defektanzeige

Fabrikat: DEHN
Typ: null
Art.-Nr.: 972040
oder gleichwertig.

 

Direct Current-Disconnection

Beim Einsatz von Überspannungs-Ableitern in Gleichstromanwendungen muss sichergestellt sein, dass die Abtrennvorrichtung auch bei fehlenden Nulldurchgängen sicher schaltet. Die eigens entwickelte DC-Disconnection (DCD)-Technologie wirkt als Keil ähnlich einem Sperrventil um den DC-Strom zu unterbrechen. Damit sind die Geräte der DEHNguard SE DC-Familie in der Lage, Gleichstrom sicher zu unterbrechen und somit Brandschäden infolge von DC-Schaltlichtbögen zu verhindern.

Technische Daten

Nennableitstoßstrom (8/20 µs) (In ) 12,5 kA
Höchste Dauerspannung DC (UC ) 900 V

Artikel 972040 wurde zum Merkzettel hinzugefügt.

Zum Merkzettel

Artikel 972040 wurde zum Warenkorb hinzugefügt.

Zum Warenkorb

nach oben