Ihre Services im Dashboard..
Registriert nutzen Sie das komplette Angebot.

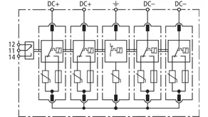
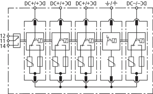
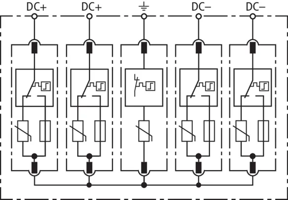
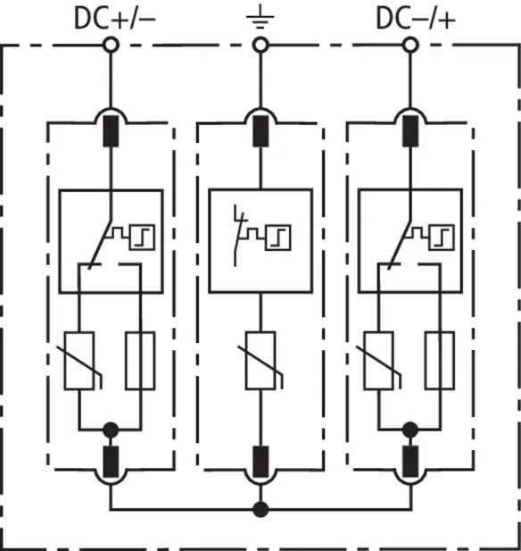
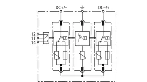
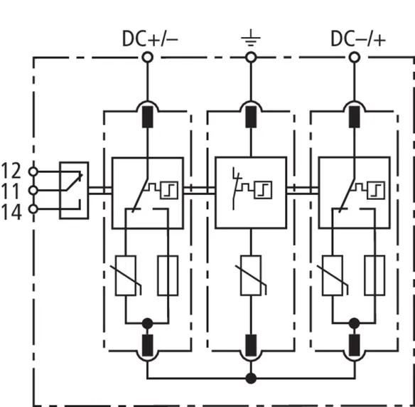
DEHNguard modular (Y)PV SCI ...

  • Verdrahtungsfertige, modulare Kompletteinheit für Photovoltaik-Anlagen, bestehend aus Basisteil und gesteckten Schutzmodulen
  • Kombinierte Abtrenn- und Kurzschließvorrichtung mit sicherer elektrischer Trennung im Schutzmodul (patentiertes SCI-Prinzip)
  • Bewährte fehlerresistente Y-Schaltung des DEHNguard M YPV SCI … (FM) vermeidet Schädigung des Überspannungsschutzes bei Isolationsfehlern im Generatorkreis
  • Geprüft nach EN 61643-31
  • Einsetzbar in allen PV-Systemen gemäß IEC 60364-7-712

Details

lorem ipsum
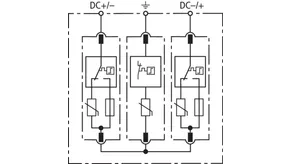
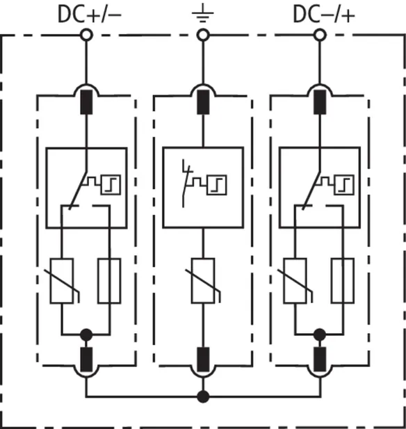
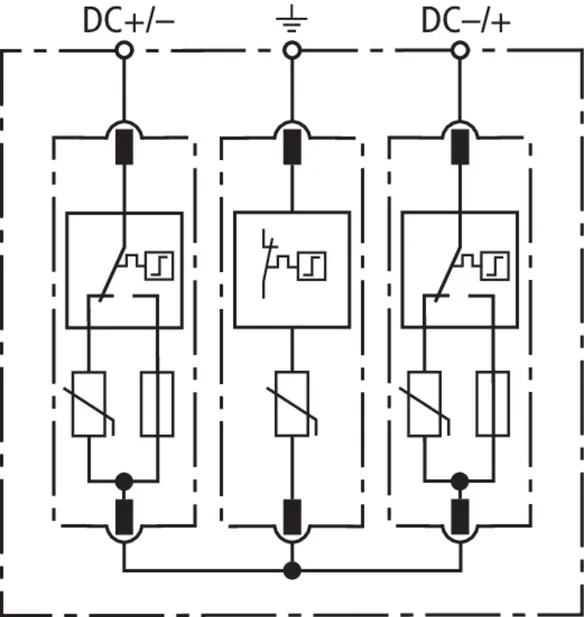
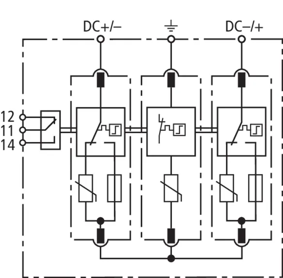
Dreistufige DC-Schalteinrichtung (patentiertes SCI-Prinzip)
lorem ipsum

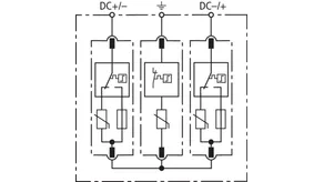
DEHNguard M YPV SCI ...

Mehrpoliger, modularer Überspannungs-Ableiter mit dreistufiger Gleichspannungs-Schaltvorrichtung für PV-Anlagen.

3 Produkte

Art.-Nr. 952513 DG M YPV SCI 150

GTIN 4013364136663, Zolltarifnr. (EU): 85363030, Bruttogewicht: 289.70 g, VPE: 1.00 Stk.


Abbildungen

Weitere Information

Überspannungs-Ableiter DEHNguard M YPV SCI 150
Mehrpoliger modularer, steckbarer Photovoltaik-Ableiter bis 150 V DC
mit 3-stufiger DC-Schalteinrichtung, Breite 3TE
Defektanzeige
Typ 2 nach EN 50539-11
Einsetzbar gemäß IEC 60364-7-712
Sichere elektrische Trennung im Schutzmodul
Maximale PV-Spannung: <= 150 V dc
Gesamtableitstoßstrom: 40 kA
Schutzpegel: <= 0,8 kV
Kurzschlussfestigkeit Iscpv: 10 kA

Fabrikat: DEHN
Typ: DG M YPV SCI 150
Art.-Nr.: 952513
oder gleichwertig.

Zertifikate

 

SCI-Technologie

Mit der von DEHN patentierten SCI-Technologie mit ihrer aktiven Lichtbogenlöschung wird ein eventuell auftretender Schaltlichtbogen im Überlastfall aktiv, schnell und sicher gelöscht. Die im Kurzschlusspfad integrierte PV-Sicherung löst sofort nach Erlöschen des Lichtbogens aus und stellt dann die sichere elektrische Trennung (Interruption) her. Damit realisieren alle PV-Ableiter von DEHN Überspannungs-, Brand-, und Personenschutz in einem Gerät.

Technische Daten

SPD nach EN 61643-31 / ... IEC 61643-31 Typ 2
Max. PV-Spannung (UCPV ) 150 V
Kurzschlussfestigkeit (ISCPV ) 10 kA
Nennableitstoßstrom (8/20 µs) [(DC+/DC-) --> PE] (In ) 10 kA
Max. Ableitstoßstrom (8/20 µs) [(DC+/DC-) --> PE] (Imax ) 20 kA
Schutzpegel (UP ) ≤ 0,8 kV
Zulassungen KEMA, UL, CSA

Artikel 952513 wurde zum Merkzettel hinzugefügt.

Zum Merkzettel

Artikel 952513 wurde zum Warenkorb hinzugefügt.

Zum Warenkorb

Art.-Nr. 952510 DG M YPV SCI 1000

GTIN 4013364126428, Zolltarifnr. (EU): 85363030, Bruttogewicht: 361.40 g, VPE: 1.00 Stk.

Vorgänger

Abbildungen

Weitere Information

Überspannungs-Ableiter DEHNguard M YPV SCI 1000
Mehrpoliger, modularer, steckbarer Photovoltaik-Ableiter bis 1000 V DC
mit 3-stufiger DC-Schalteinrichtung, Breite 3TE
Defektanzeige
Typ 2 nach EN 61643-31
Einsetzbar gemäß IEC 60364-7-712
Sichere elektrische Trennung im Schutzmodul
Maximale PV-Spannung: <= 1000 V dc
Gesamtableitstoßstrom: 40 kA
Schutzpegel: <= 4 kV
Kurzschlussfestigkeit Iscpv: 10 kA

Fabrikat: DEHN
Typ: DG M YPV SCI 1000
Art.-Nr.: 952510
oder gleichwertig.

Zertifikate

 

SCI-Technologie

Mit der von DEHN patentierten SCI-Technologie mit ihrer aktiven Lichtbogenlöschung wird ein eventuell auftretender Schaltlichtbogen im Überlastfall aktiv, schnell und sicher gelöscht. Die im Kurzschlusspfad integrierte PV-Sicherung löst sofort nach Erlöschen des Lichtbogens aus und stellt dann die sichere elektrische Trennung (Interruption) her. Damit realisieren alle PV-Ableiter von DEHN Überspannungs-, Brand-, und Personenschutz in einem Gerät.

Technische Daten

SPD nach EN 61643-31 / ... IEC 61643-31 Typ 2 / Class II
Max. PV-Spannung (UCPV ) 1000 V
Kurzschlussfestigkeit (ISCPV ) 10 kA
Nennableitstoßstrom (8/20 µs) [(DC+/DC-) --> PE] (In ) 12,5 kA
Max. Ableitstoßstrom (8/20 µs) [(DC+/DC-) --> PE] (Imax ) 25 kA
Schutzpegel (UP ) ≤ 4 kV
Zulassungen KEMA, UL, CSA

Artikel 952510 wurde zum Merkzettel hinzugefügt.

Zum Merkzettel

Artikel 952510 wurde zum Warenkorb hinzugefügt.

Zum Warenkorb

Art.-Nr. 952512 DG M YPV SCI 1200

GTIN 4013364127951, Zolltarifnr. (EU): 85354000, Bruttogewicht: 356.50 g, VPE: 1.00 Stk.

Vorgänger

Abbildungen

Weitere Information

Überspannungs-Ableiter DEHNguard M YPV SCI 1200
Mehrpoliger, modularer, steckbarer Photovoltaik-Ableiter bis 1200 V DC
mit 3-stufiger DC-Schalteinrichtung, Breite 3TE
Defektanzeige
Typ 2 nach EN 61643-31
Einsetzbar gemäß IEC 60364-7-712
Sichere elektrische Trennung im Schutzmodul
Maximale PV-Spannung: <= 1200 V dc
Gesamtableitstoßstrom: 30 kA
Schutzpegel: <= 4,5 kV
Kurzschlussfestigkeit Iscpv: 10 kA

Fabrikat: DEHN
Typ: DG M YPV SCI 1200
Art.-Nr.: 952512
oder gleichwertig.

Zertifikate

 

SCI-Technologie

Mit der von DEHN patentierten SCI-Technologie mit ihrer aktiven Lichtbogenlöschung wird ein eventuell auftretender Schaltlichtbogen im Überlastfall aktiv, schnell und sicher gelöscht. Die im Kurzschlusspfad integrierte PV-Sicherung löst sofort nach Erlöschen des Lichtbogens aus und stellt dann die sichere elektrische Trennung (Interruption) her. Damit realisieren alle PV-Ableiter von DEHN Überspannungs-, Brand-, und Personenschutz in einem Gerät.

Technische Daten

SPD nach EN 61643-31 / ... IEC 61643-31 Typ 2 / Class II
Max. PV-Spannung (UCPV ) 1200 V
Kurzschlussfestigkeit (ISCPV ) 10 kA
Nennableitstoßstrom (8/20 µs) [(DC+/DC-) --> PE] (In ) 12,5 kA
Max. Ableitstoßstrom (8/20 µs) [(DC+/DC-) --> PE] (Imax ) 25 kA
Schutzpegel (UP ) ≤ 4,5 kV
Zulassungen KEMA, CSA

Artikel 952512 wurde zum Merkzettel hinzugefügt.

Zum Merkzettel

Artikel 952512 wurde zum Warenkorb hinzugefügt.

Zum Warenkorb

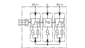
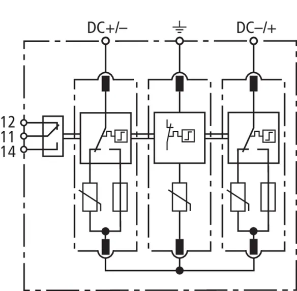
DEHNguard M YPV SCI ... FM

Mehrpoliger, modularer Überspannungs-Ableiter mit dreistufiger Gleichspannungs-Schaltvorrichtung für PV-Anlagen; mit Fernmeldekontakt für Überwachungseinrichtung (potentialfreier Wechsler).

3 Produkte

Art.-Nr. 952518 DG M YPV SCI 150 FM

GTIN 4013364136670, Zolltarifnr. (EU): 85363030, Bruttogewicht: 297.00 g, VPE: 1.00 Stk.


Abbildungen

Weitere Information

Überspannungs-Ableiter DEHNguard M YPV SCI 150 FM
Mehrpoliger, modularer, steckbarer Photovoltaik-Ableiter bis 150 V DC
mit 3-stufiger DC-Schalteinrichtung, Breite 3TE
Defektanzeige, mit Fernmeldekontakt
Typ 2 nach EN 50539-11
Einsetzbar gemäß IEC 60364-7-712
Sichere elektrische Trennung im Schutzmodul
Maximale PV-Spannung: <= 150 V dc
Gesamtableitstoßstrom: 40 kA
Schutzpegel: <= 0,8 kV
Kurzschlussfestigkeit Iscpv: 10 kA

Fabrikat: DEHN
Typ: DG M YPV SCI 150 FM
Art.-Nr.: 952518
oder gleichwertig.

Zertifikate

 

SCI-Technologie

Mit der von DEHN patentierten SCI-Technologie mit ihrer aktiven Lichtbogenlöschung wird ein eventuell auftretender Schaltlichtbogen im Überlastfall aktiv, schnell und sicher gelöscht. Die im Kurzschlusspfad integrierte PV-Sicherung löst sofort nach Erlöschen des Lichtbogens aus und stellt dann die sichere elektrische Trennung (Interruption) her. Damit realisieren alle PV-Ableiter von DEHN Überspannungs-, Brand-, und Personenschutz in einem Gerät.

Technische Daten

SPD nach EN 50539-11 Typ 2
Max. PV-Spannung (UCPV ) 150 V
Kurzschlussfestigkeit (ISCPV ) 10 kA
Nennableitstoßstrom (8/20 µs) [(DC+/DC-) --> PE] (In ) 10 kA
Max. Ableitstoßstrom (8/20 µs) [(DC+/DC-) --> PE] (Imax ) 20 kA
Schutzpegel (UP ) ≤ 0,8 kV
Zulassungen KEMA, UL, CSA
FM-Kontakte / Kontaktform Wechsler

Artikel 952518 wurde zum Merkzettel hinzugefügt.

Zum Merkzettel

Artikel 952518 wurde zum Warenkorb hinzugefügt.

Zum Warenkorb

Art.-Nr. 952515 DG M YPV SCI 1000 FM

GTIN 4013364126435, Zolltarifnr. (EU): 85363030, Bruttogewicht: 343.90 g, VPE: 1.00 Stk.

Vorgänger

Abbildungen

Weitere Information

Überspannungs-Ableiter DEHNguard M YPV SCI 1000 FM
Mehrpoliger, modularer, steckbarer Photovoltaik-Ableiter bis 1000 V DC
mit 3-stufiger DC-Schalteinrichtung, Breite 3TE
Defektanzeige, mit Fernmeldekontakt
Typ 2 nach EN 61643-31
Einsetzbar gemäß IEC 60364-7-712
Sichere elektrische Trennung im Schutzmodul
Maximale PV-Spannung: <= 1000 V dc
Gesamtableitstoßstrom: 40 kA
Schutzpegel: <= 4 kV
Kurzschlussfestigeit Iscpv: 10 kA

Fabrikat: DEHN
Typ: DG M YPV SCI 1000 FM
Art.-Nr.: 952515
oder gleichwertig.

Zertifikate

 

SCI-Technologie

Mit der von DEHN patentierten SCI-Technologie mit ihrer aktiven Lichtbogenlöschung wird ein eventuell auftretender Schaltlichtbogen im Überlastfall aktiv, schnell und sicher gelöscht. Die im Kurzschlusspfad integrierte PV-Sicherung löst sofort nach Erlöschen des Lichtbogens aus und stellt dann die sichere elektrische Trennung (Interruption) her. Damit realisieren alle PV-Ableiter von DEHN Überspannungs-, Brand-, und Personenschutz in einem Gerät.

Technische Daten

SPD nach EN 61643-31 / ... IEC 61643-31 Typ 2 / Class II
Max. PV-Spannung (UCPV ) 1000 V
Kurzschlussfestigkeit (ISCPV ) 10 kA
Nennableitstoßstrom (8/20 µs) [(DC+/DC-) --> PE] (In ) 12,5 kA
Max. Ableitstoßstrom (8/20 µs) [(DC+/DC-) --> PE] (Imax ) 25 kA
Schutzpegel (UP ) ≤ 4 kV
Zulassungen KEMA, UL, CSA
FM-Kontakte / Kontaktform Wechsler

Artikel 952515 wurde zum Merkzettel hinzugefügt.

Zum Merkzettel

Artikel 952515 wurde zum Warenkorb hinzugefügt.

Zum Warenkorb

Art.-Nr. 952517 DG M YPV SCI 1200 FM

GTIN 4013364127968, Zolltarifnr. (EU): 85354000, Bruttogewicht: 359.30 g, VPE: 1.00 Stk.

Vorgänger

Abbildungen

Weitere Information

Überspannungs-Ableiter DEHNguard M YPV SCI 1200 FM
Mehrpoliger, modularer, steckbarer Photovoltaik-Ableiter bis 1200 V DC
mit 3-stufiger DC-Schalteinrichtung, Breite 3TE
Defektanzeige, mit Fernmeldekontakt
Typ 2 nach EN 61643-31
Einsetzbar gemäß IEC 60364-7-712
Sichere elektrische Trennung im Schutzmodul
Maximale PV-Spannung: <= 1200 V dc
Gesamtableitstoßstrom: 30 kA
Schutzpegel: <= 4 ,5 kV
Kurzschlussfestigkeit Iscpv: 10 kA

Fabrikat: DEHN
Typ: DG M YPV SCI 1200 FM
Art.-Nr.: 952517
oder gleichwertig.

Zertifikate

 

SCI-Technologie

Mit der von DEHN patentierten SCI-Technologie mit ihrer aktiven Lichtbogenlöschung wird ein eventuell auftretender Schaltlichtbogen im Überlastfall aktiv, schnell und sicher gelöscht. Die im Kurzschlusspfad integrierte PV-Sicherung löst sofort nach Erlöschen des Lichtbogens aus und stellt dann die sichere elektrische Trennung (Interruption) her. Damit realisieren alle PV-Ableiter von DEHN Überspannungs-, Brand-, und Personenschutz in einem Gerät.

Technische Daten

SPD nach EN 61643-31 / ... IEC 61643-31 Typ 2 / Class II
Max. PV-Spannung (UCPV ) 1200 V
Kurzschlussfestigkeit (ISCPV ) 10 kA
Nennableitstoßstrom (8/20 µs) [(DC+/DC-) --> PE] (In ) 12,5 kA
Max. Ableitstoßstrom (8/20 µs) [(DC+/DC-) --> PE] (Imax ) 25 kA
Schutzpegel (UP ) ≤ 4,5 kV
Zulassungen KEMA, CSA
FM-Kontakte / Kontaktform Wechsler

Artikel 952517 wurde zum Merkzettel hinzugefügt.

Zum Merkzettel

Artikel 952517 wurde zum Warenkorb hinzugefügt.

Zum Warenkorb

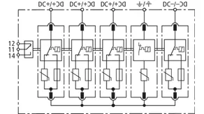
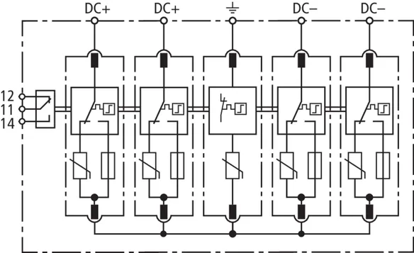
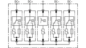
DEHNguard M PV2 SCI ... (FM)

Mehrpoliger, modularer Überspannungs-Ableiter mit dreistufiger Gleichspannungs-Schaltvorrichtung zum Schutz von 2 MPP-Eingängen; für PV-Anlagen bis 1000 V; in der Ausführung FM mit potentialfreiem Fernmeldekontakt.

2 Produkte

Art.-Nr. 952514 DG M PV2 SCI 1000

GTIN 4013364224964, Zolltarifnr. (EU): 85363030, Bruttogewicht: 588.00 g, VPE: 1.00 Stk.


Abbildungen

Weitere Information

Überspannungs-Ableiter DEHNguard M PV2 SCI 1000
Mehrpoliger, modularer, steckbarer Photovoltaik-Ableiter bis 1000 V DC
mit 3-stufiger DC-Schalteinrichtung, Breite 5TE
Defektanzeige
Typ 2 nach EN 61643-31
Einsetzbar gemäß IEC 60364-7-712
zum Schutz von 2 MPP-Eingängen
Sichere elektrische Trennung im Schutzmodul
Maximale PV-Spannung: <= 1000 V dc
Gesamtableitstoßstrom: 40 kA
Schutzpegel: <= 4 kV
Kurzschlussfestigkeit Iscpv: 10 kA

Fabrikat: DEHN
Typ: DG M PV2 SCI 1000
Art.-Nr.: 952514
oder gleichwertig.

Zertifikate

 

SCI-Technologie

Mit der von DEHN patentierten SCI-Technologie mit ihrer aktiven Lichtbogenlöschung wird ein eventuell auftretender Schaltlichtbogen im Überlastfall aktiv, schnell und sicher gelöscht. Die im Kurzschlusspfad integrierte PV-Sicherung löst sofort nach Erlöschen des Lichtbogens aus und stellt dann die sichere elektrische Trennung (Interruption) her. Damit realisieren alle PV-Ableiter von DEHN Überspannungs-, Brand-, und Personenschutz in einem Gerät.

Technische Daten

SPD nach EN 61643-31 / ... IEC 61643-31 Typ 2 / Class II
Max. PV-Spannung (UCPV ) 1000 V
Kurzschlussfestigkeit (ISCPV ) 10 kA
Nennableitstoßstrom (8/20 µs) [(DC+/DC-) --> PE] (In ) 12,5 kA
Max. Ableitstoßstrom (8/20 µs) [(DC+/DC-) --> PE] (Imax ) 25 kA
Schutzpegel (UP ) ≤ 4 kV
Zulassungen UL, KEMA

Artikel 952514 wurde zum Merkzettel hinzugefügt.

Zum Merkzettel

Artikel 952514 wurde zum Warenkorb hinzugefügt.

Zum Warenkorb

Art.-Nr. 952519 DG M PV2 SCI 1000 FM

GTIN 4013364224971, Zolltarifnr. (EU): 85363030, Bruttogewicht: 599.00 g, VPE: 1.00 Stk.


Abbildungen

Weitere Information

Überspannungs-Ableiter DEHNguard M PV2 SCI 1000 FM
Mehrpoliger, modularer, steckbarer Photovoltaik-Ableiter bis 1000 V DC
mit 3-stufiger DC-Schalteinrichtung, Breite 5TE
Defektanzeige, mit Fernmeldekontakt
Typ 2 nach EN 61643-31
Einsetzbar gemäß IEC 60364-7-712
zum Schutz von 2 MPP-Eingängen
Sichere elektrische Trennung im Schutzmodul
Maximale PV-Spannung: <= 1000 V dc
Gesamtableitstoßstrom: 40 kA
Schutzpegel: <= 4 kV
Kurzschlussfestigkeit Iscpv: 10 kA

Fabrikat: DEHN
Typ: DG M PV2 SCI 1000 FM
Art.-Nr.: 952519
oder gleichwertig.

Zertifikate

 

SCI-Technologie

Mit der von DEHN patentierten SCI-Technologie mit ihrer aktiven Lichtbogenlöschung wird ein eventuell auftretender Schaltlichtbogen im Überlastfall aktiv, schnell und sicher gelöscht. Die im Kurzschlusspfad integrierte PV-Sicherung löst sofort nach Erlöschen des Lichtbogens aus und stellt dann die sichere elektrische Trennung (Interruption) her. Damit realisieren alle PV-Ableiter von DEHN Überspannungs-, Brand-, und Personenschutz in einem Gerät.

Technische Daten

SPD nach EN 61643-31 / ... IEC 61643-31 Typ 2 / Class II
Max. PV-Spannung (UCPV ) 1000 V
Kurzschlussfestigkeit (ISCPV ) 10 kA
Nennableitstoßstrom (8/20 µs) [(DC+/DC-) --> PE] (In ) 12,5 kA
Max. Ableitstoßstrom (8/20 µs) [(DC+/DC-) --> PE] (Imax ) 25 kA
Schutzpegel (UP ) ≤ 4 kV
Zulassungen UL, KEMA
FM-Kontakte / Kontaktform Wechsler

Artikel 952519 wurde zum Merkzettel hinzugefügt.

Zum Merkzettel

Artikel 952519 wurde zum Warenkorb hinzugefügt.

Zum Warenkorb

DEHNguard M SN1868

Mehrpoliger, modularer Überspannungs-Ableiter mit dreistufiger Gleichspannungs-Schaltvorrichtung zum Schutz von 3 MPP-Eingängen; für PV-Anlagen mit Fernmeldekontakt für Überwachungseinrichtung (potentialfreier Wechsler).

1 Produkt

Art.-Nr. 999799 DG M PV2 SCI SN1868 FM

GTIN 4013364328723, Zolltarifnr. (EU): 85363030, Bruttogewicht: 598.30 g, VPE: 1.00 Stk.


Abbildungen

Weitere Information

Überspannungs-Ableiter DEHNguard M PV2 SCI SN1868 FM
Mehrpoliger, modularer, steckbarer Photovoltaik-Ableiter bis 1000 V DC
mit 3-stufiger DC-Schalteinrichtung
Mit Fernmeldekontakt, Breite 5TE
Typ 2 nach EN 61643-31
Einsetzbar gemäß IEC 60364-7-712
zum Schutz von 3 MPP-Eingängen
Sichere elektrische Trennung im Schutzmodul
Maximale PV-Spannung: <= 1000 V dc
Gesamtableitstoßstrom: 40 kA
Schutzpegel: <= 4 kV
Kurzschlussfestigkeit Iscpv: 10 kA
Defektanzeige

Fabrikat: DEHN
Typ: DG M PV2 SCI SN1868 FM
Art.-Nr.: 999799
oder gleichwertig.

Zertifikate

 

SCI-Technologie

Mit der von DEHN patentierten SCI-Technologie mit ihrer aktiven Lichtbogenlöschung wird ein eventuell auftretender Schaltlichtbogen im Überlastfall aktiv, schnell und sicher gelöscht. Die im Kurzschlusspfad integrierte PV-Sicherung löst sofort nach Erlöschen des Lichtbogens aus und stellt dann die sichere elektrische Trennung (Interruption) her. Damit realisieren alle PV-Ableiter von DEHN Überspannungs-, Brand-, und Personenschutz in einem Gerät.

Technische Daten

SPD nach EN 61643-31 / ... IEC 61643-31 Typ 2 / Class II
Max. PV-Spannung (UCPV ) 1000 V
Kurzschlussfestigkeit (ISCPV ) 10 kA
Nennableitstoßstrom (8/20 µs) [(DC+/DC-) --> PE] (In ) 12,5 kA
Max. Ableitstoßstrom (8/20 µs) [(DC+/DC-) --> PE] (Imax ) 25 kA
Schutzpegel (UP ) ≤ 4 kV
Zulassungen UL, KEMA
FM-Kontakte / Kontaktform Wechsler

Artikel 999799 wurde zum Merkzettel hinzugefügt.

Zum Merkzettel

Artikel 999799 wurde zum Warenkorb hinzugefügt.

Zum Warenkorb

nach oben