Ihre Services im Dashboard..
Registriert nutzen Sie das komplette Angebot.

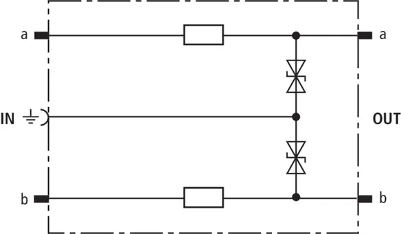
DEHNrapid LSA – Blitzstrom- / Überspannungs-Ableiter

  • Variabler Schutz von 1 – 10 DA für LSA-Systeme der Baureihe 2/10
  • Integrierte LSA-Trennleistenfunktion im Blitzstrom-Ableiter bietet zudem Schutz beim Prüfen, Trennen und Patchen
  • Modulares System aus Blitzstrom- und Überspannungs-Ableitern, kombinierbar zum Kombi-Ableiter

Details

Modularer Aufbau bestehend aus Steckmagazin mit Gasentladungsableitern, Erdungsrahmen und anwendungsspezifischen Ableiter-Modulen.
lorem ipsum
Anwendungsspezifische Überspannungs-Ableiter-Module für den Endgeräteschutz.
lorem ipsum
Blitzstromtragfähiges Steckmagazin mit Gasentladungsableitern optional mit optischer Defektanzeige und fail-safe-Funktion.
lorem ipsum
Steckbare Überspannungs-Ableiter als Schutzmagazine, die in Anschluss- oder Trennleisten gesteckt werden können.
lorem ipsum
Kombinierter Blitz- und Überspannungsschutz für LSA-Anschlussleisten.
lorem ipsum

DRL 10 B

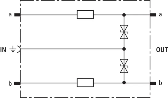
Blitzstromtragfähiges DRL-Steckmagazin 10 DA mit dreipoligen Gasentladungsableitern für nahezu alle Anwendungen und erweiterbar mit DRL-Schutzstecker zum Kombi-Ableiter. Die integrierten Trennleistenkontakte erlauben bei gestecktem Schutz das Prüfen, Messen und Patchen.

1 Produkt

Art.-Nr. 907400 DRL 10 B 180

GTIN 4013364107557, Zolltarifnr. (EU): 85363010, Bruttogewicht: 69.90 g, VPE: 1.00 Stk.

Vorgänger

Abbildungen

Weitere Information

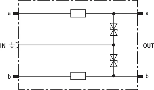
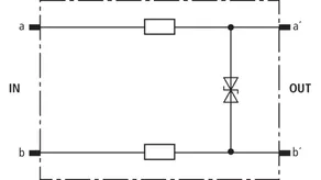
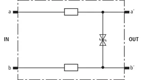
Blitzstromtragfähiges DRL-Steckmagazin DRL 10 B 180
Blitzstrom-Ableiter-Steckmagazin der
Ableiterklasse Type 1 DEHNrapid LSA
für 10 DA LSA-Trennleisten, komplett
bestückt mit 10 GDT 230 B3, geprüft
nach EN 61643-21, erweiterbar mit
DRL-Schutzstecker zum Kombi-
Ableiter, integrierte Trennleistenkon-
takte für Prüfen, Messen und Patchen
bei gleichzeitigem Schutz.
Höchste Dauerspannung DC: 180 V
Nennstrom: 0,4 A

Fabrikat: DEHN
Typ: DRL 10 B 180
Art.-Nr.: 907400
oder gleichwertig.

Zertifikate

 

Technische Daten

Ableiterklasse G
Höchste Dauerspannung DC (UC ) 180 V
Nennstrom (IL ) 0,4 A
D1 Blitzstoßstrom (10/350 µs) gesamt (Iimp ) 5 kA
C2 Nennableitstoßstrom (8/20 µs) gesamt (In ) 10 kA
Serienimpedanz pro Ader ≤ 0,005 Ohm
Einsteckbar in LSA-Trennleiste 2/10

Artikel 907400 wurde zum Merkzettel hinzugefügt.

Zum Merkzettel

Artikel 907400 wurde zum Warenkorb hinzugefügt.

Zum Warenkorb

DRL 10 B FSD

Blitzstromtragfähiges DRL-Steckmagazin 10 DA für nahezu alle Anwendungen und erweiterbar mit DRL-Schutzstecker zum Kombi-Ableiter. Die integrierten Trennleistenkontakte erlauben bei gestecktem Schutz das Prüfen, Messen und Patchen. Die dreipoligen Gasentladungsableiter verfügen über eine fail-safe-Funktion mit optischer Anzeige bei Defekt.

1 Produkt

Art.-Nr. 907401 DRL 10 B 180 FSD

GTIN 4013364107564, Zolltarifnr. (EU): 85363010, Bruttogewicht: 74.30 g, VPE: 1.00 Stk.


Abbildungen

Weitere Information

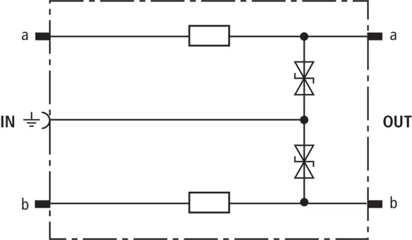
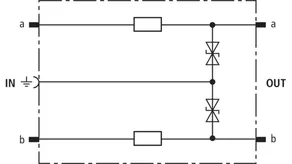
Blitzstromtragfähiges DRL-Steckmagazin DRL 10 B 180 FSD
Blitzstrom-Ableiter-Steckmagazin der
Ableiterklasse Type 1 DEHNrapid LSA
für 10 DA LSA-Trennleisten, komplett
bestückt mit 10 GDT 230 B3 FSD,
geprüft nach EN 61643-21, erweiterbar
mit DRL-Schutzstecker zum Kombi-
Ableiter, integrierte Trennleistenkon-
takte für Prüfen, Messen und Patchen
bei gleichzeitigem Schutz. Ableiter mit
Fail-safe-Funktion und optischer
Defektanzeige.
Höchste Dauerspannung DC: 180 V
Nennstrom: 0,4 A

Fabrikat: DEHN
Typ: DRL 10 B 180 FSD
Art.-Nr.: 907401
oder gleichwertig.

Zertifikate

 

Technische Daten

Ableiterklasse G
Defektanzeige optisch durch Farbumschlag
Höchste Dauerspannung DC (UC ) 180 V
Nennstrom (IL ) 0,4 A
D1 Blitzstoßstrom (10/350 µs) gesamt (Iimp ) 5 kA
C2 Nennableitstoßstrom (8/20 µs) gesamt (In ) 10 kA
Serienimpedanz pro Ader ≤ 0,005 Ohm
Einsteckbar in LSA-Trennleiste 2/10

Artikel 907401 wurde zum Merkzettel hinzugefügt.

Zum Merkzettel

Artikel 907401 wurde zum Warenkorb hinzugefügt.

Zum Warenkorb

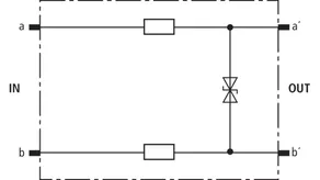
DRL RE

Schutzstecker 1 DA energetisch koordiniert zu DRL-Steckmagazin als einstufiger Endgeräteschutz mit Entkopplungsimpedanzen. Besonders geeignet für Signalkreise mit gemeinsamen Bezugspotential. Erdung über EF 10 DRL. Nur für Trennleisten oder DRL-Steckmagazin.

5 Produkte

Art.-Nr. 907421 DRL RE 12

GTIN 4013364107618, Zolltarifnr. (EU): 85363010, Bruttogewicht: 5.40 g, VPE: 10.00 Stk.

Vorgänger

Abbildungen

Weitere Information

Überspannungs-Schutzstecker 1 DA DRL RE 12
Überspannungs-Schutzstecker,
der Ableiterklasse Type 3 / P1
DEHNrapid LSA, geprüft nach
EN 61643-21 und energetisch
koordiniert nach IEC 61643-22
zu DRL-Steckmagazin Type 1,
zum Schutz von 2 Einzeladern.
Zusammen mit Erdungsrahmen
Einsteckbar in LSA-Trennleisten
Der Baureihe 2/10 oder direkt in
das DRL-Steckmagazin als
Erweiterung zum Kombi-Ableiter.
Höchste Dauerspannung DC: 14 V
Nennstrom: 0,4 A

Fabrikat: DEHN
Typ: DRL RE 12
Art.-Nr.: 907421
oder gleichwertig.

Zertifikate

 

Technische Daten

Ableiterklasse O
Höchste Dauerspannung DC (UC ) 14 V
Nennstrom (IL ) 0,4 A
D1 Blitzstoßstrom (10/350 µs) gesamt in Kombination mit DRL 10 B... (Iimp ) 5 kA
C2 Nennableitstoßstrom (8/20 µs) gesamt in Kombination mit DRL 10 B... (In ) 10 kA
Serienimpedanz pro Ader 4,7 Ohm
Grenzfrequenz Ad-PG (fG ) 2,7 MHz
Einsteckbar in LSA-Trennleiste 2/10 oder DRL 10 B ... Steckmagazin

Artikel 907421 wurde zum Merkzettel hinzugefügt.

Zum Merkzettel

Artikel 907421 wurde zum Warenkorb hinzugefügt.

Zum Warenkorb

Art.-Nr. 907422 DRL RE 24

GTIN 4013364107625, Zolltarifnr. (EU): 85363010, Bruttogewicht: 5.40 g, VPE: 10.00 Stk.

Vorgänger

Abbildungen

Weitere Information

Überspannungs-Schutzstecker 1 DA DRL RE 24
Überspannungs-Schutzstecker,
der Ableiterklasse Type 3 / P1
DEHNrapid LSA, geprüft nach
EN 61643-21 und energetisch
koordiniert nach IEC 61643-22
zu DRL-Steckmagazin Type 1,
zum Schutz von 2 Einzeladern.
Zusammen mit Erdungsrahmen
Einsteckbar in LSA-Trennleisten
Der Baureihe 2/10 oder direkt in
das DRL-Steckmagazin als
Erweiterung zum Kombi-Ableiter.
Höchste Dauerspannung DC: 28 V
Nennstrom: 0,4 A

Fabrikat: DEHN
Typ: DRL RE 24
Art.-Nr.: 907422
oder gleichwertig.

Zertifikate

 

Technische Daten

Ableiterklasse O
Höchste Dauerspannung DC (UC ) 28 V
Nennstrom (IL ) 0,4 A
D1 Blitzstoßstrom (10/350 µs) gesamt in Kombination mit DRL 10 B... (Iimp ) 5 kA
C2 Nennableitstoßstrom (8/20 µs) gesamt in Kombination mit DRL 10 B... (In ) 10 kA
Serienimpedanz pro Ader 4,7 Ohm
Grenzfrequenz Ad-PG (fG ) 4,5 MHz
Einsteckbar in LSA-Trennleiste 2/10 oder DRL 10 B ... Steckmagazin

Artikel 907422 wurde zum Merkzettel hinzugefügt.

Zum Merkzettel

Artikel 907422 wurde zum Warenkorb hinzugefügt.

Zum Warenkorb

Art.-Nr. 907423 DRL RE 48

GTIN 4013364107632, Zolltarifnr. (EU): 85363010, Bruttogewicht: 5.40 g, VPE: 10.00 Stk.

Vorgänger

Abbildungen

Weitere Information

Überspannungs-Schutzstecker 1 DA DRL RE 48
Überspannungs-Schutzstecker,
der Ableiterklasse Type 3 / P1
DEHNrapid LSA, geprüft nach
EN 61643-21 und energetisch
koordiniert nach IEC 61643-22
zu DRL-Steckmagazin Type 1,
zum Schutz von 2 Einzeladern.
Zusammen mit Erdungsrahmen
Einsteckbar in LSA-Trennleisten
Der Baureihe 2/10 oder direkt in
das DRL-Steckmagazin als
Erweiterung zum Kombi-Ableiter.
Höchste Dauerspannung DC: 54 V
Nennstrom: 0,4 A

Fabrikat: DEHN
Typ: DRL RE 48
Art.-Nr.: 907423
oder gleichwertig.

Zertifikate

 

Technische Daten

Ableiterklasse O
Höchste Dauerspannung DC (UC ) 54 V
Nennstrom (IL ) 0,4 A
D1 Blitzstoßstrom (10/350 µs) gesamt in Kombination mit DRL 10 B... (Iimp ) 5 kA
C2 Nennableitstoßstrom (8/20 µs) gesamt in Kombination mit DRL 10 B... (In ) 10 kA
Serienimpedanz pro Ader 6,8 Ohm
Grenzfrequenz Ad-PG (fG ) 7,35 MHz
Einsteckbar in LSA-Trennleiste 2/10 oder DRL 10 B ... Steckmagazin

Artikel 907423 wurde zum Merkzettel hinzugefügt.

Zum Merkzettel

Artikel 907423 wurde zum Warenkorb hinzugefügt.

Zum Warenkorb

Art.-Nr. 907424 DRL RE 60

GTIN 4013364107649, Zolltarifnr. (EU): 85363010, Bruttogewicht: 5.40 g, VPE: 10.00 Stk.

Vorgänger

Abbildungen

Weitere Information

Überspannungs-Schutzstecker 1 DA DRL RE 60
Überspannungs-Schutzstecker,
der Ableiterklasse Type 3 / P1
DEHNrapid LSA, geprüft nach
EN 61643-21 und energetisch
koordiniert nach IEC 61643-22
zu DRL-Steckmagazin Type 1,
zum Schutz von 2 Einzeladern.
Zusammen mit Erdungsrahmen
Einsteckbar in LSA-Trennleisten
Der Baureihe 2/10 oder direkt in
das DRL-Steckmagazin als
Erweiterung zum Kombi-Ableiter.
Höchste Dauerspannung DC: 70 V
Nennstrom: 0,4 A

Fabrikat: DEHN
Typ: DRL RE 60
Art.-Nr.: 907424
oder gleichwertig.

Zertifikate

 

Technische Daten

Ableiterklasse O
Höchste Dauerspannung DC (UC ) 70 V
Nennstrom (IL ) 0,4 A
D1 Blitzstoßstrom (10/350 µs) gesamt in Kombination mit DRL 10 B... (Iimp ) 5 kA
C2 Nennableitstoßstrom (8/20 µs) gesamt in Kombination mit DRL 10 B... (In ) 10 kA
Serienimpedanz pro Ader 6,8 Ohm
Grenzfrequenz Ad-PG (fG ) 10,5 MHz
Einsteckbar in LSA-Trennleiste 2/10 oder DRL 10 B ... Steckmagazin

Artikel 907424 wurde zum Merkzettel hinzugefügt.

Zum Merkzettel

Artikel 907424 wurde zum Warenkorb hinzugefügt.

Zum Warenkorb

Art.-Nr. 907425 DRL RE 180

GTIN 4013364107656, Zolltarifnr. (EU): 85363010, Bruttogewicht: 5.40 g, VPE: 10.00 Stk.

Vorgänger

Abbildungen

Weitere Information

Überspannungs-Schutzstecker 1 DA DRL RE 180
Überspannungs-Schutzstecker,
der Ableiterklasse Type 3 / P1
DEHNrapid LSA, geprüft nach
EN 61643-21 und energetisch
koordiniert nach IEC 61643-22
zu DRL-Steckmagazin Type 1,
zum Schutz von 2 Einzeladern.
Zusammen mit Erdungsrahmen
Einsteckbar in LSA-Trennleisten
Der Baureihe 2/10 oder direkt in
das DRL-Steckmagazin als
Erweiterung zum Kombi-Ableiter.
Höchste Dauerspannung DC: 180 V
Nennstrom: 0,1 A

Fabrikat: DEHN
Typ: DRL RE 180
Art.-Nr.: 907425
oder gleichwertig.

Zertifikate

 

Technische Daten

Ableiterklasse O
Höchste Dauerspannung DC (UC ) 180 V
Nennstrom (IL ) 0,1 A
D1 Blitzstoßstrom (10/350 µs) gesamt in Kombination mit DRL 10 B... (Iimp ) 5 kA
C2 Nennableitstoßstrom (8/20 µs) gesamt in Kombination mit DRL 10 B... (In ) 10 kA
Serienimpedanz pro Ader 4,7 Ohm
Grenzfrequenz Ad-PG (fG ) 42 MHz
Einsteckbar in LSA-Trennleiste 2/10 oder DRL 10 B ... Steckmagazin

Artikel 907425 wurde zum Merkzettel hinzugefügt.

Zum Merkzettel

Artikel 907425 wurde zum Warenkorb hinzugefügt.

Zum Warenkorb

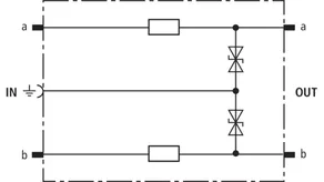
DRL RD

Schutzstecker 1 DA energetisch koordiniert zu DRL-Steckmagazin als einstufiger Endgeräteschutz. Niedriger Schutzpegel Ader-Ader für erdpotentialfreie Schnittstellen. Montage mit EF 10 DRL. Installation nur in Verbindung mit dem DRL-Steckmagazin empfohlen.

5 Produkte

Art.-Nr. 907441 DRL RD 12

GTIN 4013364107694, Zolltarifnr. (EU): 85363010, Bruttogewicht: 5.40 g, VPE: 10.00 Stk.

Vorgänger

Abbildungen

Weitere Information

Überspannungs-Schutzstecker 1 DA DRL RD 12
Überspannungs-Schutzstecker,
der Ableiterklasse Type 3 / P1
DEHNrapid LSA, geprüft nach
EN 61643-21 und energetisch
koordiniert nach IEC 61643-22
zu DRL-Steckmagazin Type 1,
zum Schutz einer Doppelader.
Zusammen mit Erdungsrahmen
einsteckbar in LSA-Trennleisten
der Baureihe 2/10 oder direkt in
das DRL-Steckmagazin als
Erweiterung zum Kombi-Ableiter.
Höchste Dauerspannung DC: 14 V
Nennstrom: 0,4 A

Fabrikat: DEHN
Typ: DRL RD 12
Art.-Nr.: 907441
oder gleichwertig.

Zertifikate

 

Technische Daten

Ableiterklasse O
Höchste Dauerspannung DC (UC ) 14 V
Nennstrom (IL ) 0,4 A
D1 Blitzstoßstrom (10/350 µs) gesamt in Kombination mit DRL 10 B... (Iimp ) 5 kA
C2 Nennableitstoßstrom (8/20 µs) gesamt in Kombination mit DRL 10 B... (In ) 10 kA
Serienimpedanz pro Ader 2,2 Ohm
Grenzfrequenz Ad-Ad (fG ) 2,7 MHz
Einsteckbar in LSA-Trennleiste 2/10 oder DRL 10 B ... Steckmagazin

Artikel 907441 wurde zum Merkzettel hinzugefügt.

Zum Merkzettel

Artikel 907441 wurde zum Warenkorb hinzugefügt.

Zum Warenkorb

Art.-Nr. 907442 DRL RD 24

GTIN 4013364107700, Zolltarifnr. (EU): 85363010, Bruttogewicht: 5.40 g, VPE: 10.00 Stk.


Abbildungen

Weitere Information

Überspannungs-Schutzstecker 1 DA DRL RD 24
Überspannungs-Schutzstecker,
der Ableiterklasse Type 3 / P1
DEHNrapid LSA, geprüft nach
EN 61643-21 und energetisch
koordiniert nach IEC 61643-22
zu DRL-Steckmagazin Type 1,
zum Schutz einer Doppelader.
Zusammen mit Erdungsrahmen
einsteckbar in LSA-Trennleisten
der Baureihe 2/10 oder direkt in
das DRL-Steckmagazin als
Erweiterung zum Kombi-Ableiter.
Höchste Dauerspannung DC: 28 V
Nennstrom: 0,4 A

Fabrikat: DEHN
Typ: DRL RD 24
Art.-Nr.: 907442
oder gleichwertig.

Zertifikate

 

Technische Daten

Ableiterklasse O
Höchste Dauerspannung DC (UC ) 28 V
Nennstrom (IL ) 0,4 A
D1 Blitzstoßstrom (10/350 µs) gesamt in Kombination mit DRL 10 B... (Iimp ) 5 kA
C2 Nennableitstoßstrom (8/20 µs) gesamt in Kombination mit DRL 10 B... (In ) 10 kA
Serienimpedanz pro Ader 2,2 Ohm
Grenzfrequenz Ad-Ad (fG ) 5,4 MHz
Einsteckbar in LSA-Trennleiste 2/10 oder DRL 10 B ... Steckmagazin

Artikel 907442 wurde zum Merkzettel hinzugefügt.

Zum Merkzettel

Artikel 907442 wurde zum Warenkorb hinzugefügt.

Zum Warenkorb

Art.-Nr. 907443 DRL RD 48

GTIN 4013364107717, Zolltarifnr. (EU): 85363010, Bruttogewicht: 5.40 g, VPE: 10.00 Stk.


Abbildungen

Weitere Information

Überspannungs-Schutzstecker 1 DA DRL RD 48
Überspannungs-Schutzstecker,
der Ableiterklasse Type 3 / P1
DEHNrapid LSA, geprüft nach
EN 61643-21 und energetisch
koordiniert nach IEC 61643-22
zu DRL-Steckmagazin Type 1,
zum Schutz einer Doppelader.
Zusammen mit Erdungsrahmen
einsteckbar in LSA-Trennleisten
der Baureihe 2/10 oder direkt in
das DRL-Steckmagazin als
Erweiterung zum Kombi-Ableiter.
Höchste Dauerspannung DC: 54 V
Nennstrom: 0,4 A

Fabrikat: DEHN
Typ: DRL RD 48
Art.-Nr.: 907443
oder gleichwertig.

Zertifikate

 

Technische Daten

Ableiterklasse O
Höchste Dauerspannung DC (UC ) 54 V
Nennstrom (IL ) 0,4 A
D1 Blitzstoßstrom (10/350 µs) gesamt in Kombination mit DRL 10 B... (Iimp ) 5 kA
C2 Nennableitstoßstrom (8/20 µs) gesamt in Kombination mit DRL 10 B... (In ) 10 kA
Serienimpedanz pro Ader 4,7 Ohm
Grenzfrequenz Ad-Ad (fG ) 7,8 MHz
Einsteckbar in LSA-Trennleiste 2/10 oder DRL 10 B ... Steckmagazin

Artikel 907443 wurde zum Merkzettel hinzugefügt.

Zum Merkzettel

Artikel 907443 wurde zum Warenkorb hinzugefügt.

Zum Warenkorb

Art.-Nr. 907444 DRL RD 60

GTIN 4013364107724, Zolltarifnr. (EU): 85363010, Bruttogewicht: 5.40 g, VPE: 10.00 Stk.


Abbildungen

Weitere Information

Überspannungs-Schutzstecker 1 DA DRL RD 60
Überspannungs-Schutzstecker,
der Ableiterklasse Type 3 / P1
DEHNrapid LSA, geprüft nach
EN 61643-21 und energetisch
koordiniert nach IEC 61643-22
zu DRL-Steckmagazin Type 1,
zum Schutz einer Doppelader.
Zusammen mit Erdungsrahmen
einsteckbar in LSA-Trennleisten
der Baureihe 2/10 oder direkt in
das DRL-Steckmagazin als
Erweiterung zum Kombi-Ableiter.
Höchste Dauerspannung DC: 70 V
Nennstrom: 0,4 A

Fabrikat: DEHN
Typ: DRL RD 60
Art.-Nr.: 907444
oder gleichwertig.

Zertifikate

 

Technische Daten

Ableiterklasse O
Höchste Dauerspannung DC (UC ) 70 V
Nennstrom (IL ) 0,4 A
D1 Blitzstoßstrom (10/350 µs) gesamt in Kombination mit DRL 10 B... (Iimp ) 5 kA
C2 Nennableitstoßstrom (8/20 µs) gesamt in Kombination mit DRL 10 B... (In ) 10 kA
Serienimpedanz pro Ader 4,7 Ohm
Grenzfrequenz Ad-Ad (fG ) 11 MHz
Einsteckbar in LSA-Trennleiste 2/10 oder DRL 10 B ... Steckmagazin

Artikel 907444 wurde zum Merkzettel hinzugefügt.

Zum Merkzettel

Artikel 907444 wurde zum Warenkorb hinzugefügt.

Zum Warenkorb

Art.-Nr. 907445 DRL RD 110

GTIN 4013364118461, Zolltarifnr. (EU): 85363010, Bruttogewicht: 3.30 g, VPE: 10.00 Stk.


Abbildungen

Weitere Information

Überspannungs-Schutzstecker 1 DA DRL RD 110
Überspannungs-Schutzstecker,
der Ableiterklasse Type 3 / P1
DEHNrapid LSA, geprüft nach
EN 61643-21 und energetisch
koordiniert nach IEC 61643-22
zu DRL-Steckmagazin Type 1,
zum Schutz einer Doppelader.
Zusammen mit Erdungsrahmen
einsteckbar in LSA-Trennleisten
der Baureihe 2/10 oder direkt in
das DRL-Steckmagazin als
Erweiterung zum Kombi-Ableiter.
Höchste Dauerspannung DC: 180 V
Nennstrom: 0,4 A

Fabrikat: DEHN
Typ: DRL RD 110
Art.-Nr.: 907445
oder gleichwertig.

Zertifikate

 

Technische Daten

Ableiterklasse O
Höchste Dauerspannung DC (UC ) 180 V
Nennstrom (IL ) 0,4 A
D1 Blitzstoßstrom (10/350 µs) gesamt in Kombination mit DRL 10 B... (Iimp ) 5 kA
C2 Nennableitstoßstrom (8/20 µs) gesamt in Kombination mit DRL 10 B... (In ) 10 kA
Serienimpedanz pro Ader 4,7 Ohm
Grenzfrequenz Ad-Ad (fG ) 20 MHz
Einsteckbar in LSA-Trennleiste 2/10 oder DRL 10 B ... Steckmagazin

Artikel 907445 wurde zum Merkzettel hinzugefügt.

Zum Merkzettel

Artikel 907445 wurde zum Warenkorb hinzugefügt.

Zum Warenkorb

DRL PD

Schutzstecker 1 DA energetisch koordiniert zu DRL-Steckmagazin als einstufiger Endgeräteschutz. Niedriger Schutzpegel Ader-Ader und integrierter Überstromschutz für ADSL, ISDN Uk0 oder a/b-Adern. Montage mit EF 10 DRL. Installation nur in Verbindung mit dem DRL-Steckmagazin empfohlen.

1 Produkt

Art.-Nr. 907430 DRL PD 180

GTIN 4013364107670, Zolltarifnr. (EU): 85363010, Bruttogewicht: 3.90 g, VPE: 10.00 Stk.

Vorgänger

Abbildungen

Weitere Information

Überspannungs-Schutzstecker 1 DA DRL PD 180
Überspannungs-Schutzstecker,
der Ableiterklasse Type 3 / P1
DEHNrapid LSA, kombiniert
mit Überstromschutz gegen
Powercrossing, geprüft nach
EN 61643-21 und energetisch
koordiniert nach IEC 61643-22
zu DRL-Steckmagazin Type 1,
zum Schutz einer Doppelader.
Zusammen mit Erdungsrahmen
einsteckbar in LSA-Trennleisten
der Baureihe 2/10 oder direkt in
das DRL-Steckmagazin als
Erweiterung zum Kombi-Ableiter.
Höchste Dauerspannung DC: 180 V
Nennstrom: 0,1 A

Fabrikat: DEHN
Typ: DRL PD 180
Art.-Nr.: 907430
oder gleichwertig.

Zertifikate

 

Technische Daten

Ableiterklasse O
Höchste Dauerspannung DC (UC ) 180 V
Nennstrom (IL ) 0,1 A
D1 Blitzstoßstrom (10/350 µs) gesamt in Kombination mit DRL 10 B... (Iimp ) 5 kA
C2 Nennableitstoßstrom (8/20 µs) gesamt in Kombination mit DRL 10 B... (In ) 10 kA
Serienimpedanz pro Ader 10 Ohm +/- 15%
Grenzfrequenz Ad-Ad (fG ) 61 MHz
Einsteckbar in LSA-Trennleiste 2/10 oder DRL 10 B... Steckmagazin

Artikel 907430 wurde zum Merkzettel hinzugefügt.

Zum Merkzettel

Artikel 907430 wurde zum Warenkorb hinzugefügt.

Zum Warenkorb

DRL HD

Schutzstecker 1 DA energetisch koordiniert zu DRL-Steckmagazin als einstufiger Endgeräteschutz für hochfrequente Übertragungen wie G.703 oder ISDN U2m , S2m und S0. Montage mit EF 10 DRL. Installation nur in Verbindung mit dem DRL-Steckmagazin empfohlen.

1 Produkt

Art.-Nr. 907470 DRL HD 24

GTIN 4013364107663, Zolltarifnr. (EU): 85363010, Bruttogewicht: 5.40 g, VPE: 10.00 Stk.

Vorgänger

Abbildungen

Weitere Information

Überspannungs-Schutzstecker 1 DA DRL HD 24
Überspannungs-Schutzstecker,
der Ableiterklasse Type 3 / P1
DEHNrapid LSA, geprüft nach
EN 61643-21 und energetisch
koordiniert nach IEC 61643-22
zu DRL-Steckmagazin Type 1,
zum Schutz einer Doppelader
von Systemen mit sehr hohen
Übertragungsraten.
Zusammen mit Erdungsrahmen
einsteckbar in LSA-Trennleisten
der Baureihe 2/10 oder direkt in
das DRL-Steckmagazin als
Erweiterung zum Kombi-Ableiter.
Höchste Dauerspannung DC: 28 V
Nennstrom: 0,4 A

Fabrikat: DEHN
Typ: DRL HD 24
Art.-Nr.: 907470
oder gleichwertig.

Zertifikate

 

Technische Daten

Ableiterklasse O
Höchste Dauerspannung DC (UC ) 28 V
Nennstrom (IL ) 0,4 A
D1 Blitzstoßstrom (10/350 µs) gesamt in Kombination mit DRL 10 B... (Iimp ) 5 kA
C2 Nennableitstoßstrom (8/20 µs) gesamt in Kombination mit DRL 10 B... (In ) 10 kA
Serienimpedanz pro Ader 4,7 Ohm
Einsteckbar in LSA-Trennleiste 2/10 oder DRL 10 B ... Steckmagazin

Artikel 907470 wurde zum Merkzettel hinzugefügt.

Zum Merkzettel

Artikel 907470 wurde zum Warenkorb hinzugefügt.

Zum Warenkorb

nach oben