Ihre Services im Dashboard..
Registriert nutzen Sie das komplette Angebot.

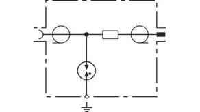
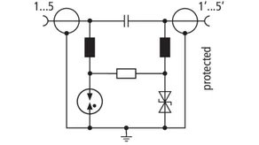
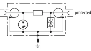
DEHNgate – Ableiter für koaxialen Anschluss

  • Universelle Überspannungs- und Kombi-Ableiter
  • Höchstes Ableitvermögen für koaxiale Systeme
  • Niedriger Schutzpegel auch für Endgeräteschutz geeignet
  • Extrem langzeitbeständige Kontaktmaterialien

Details

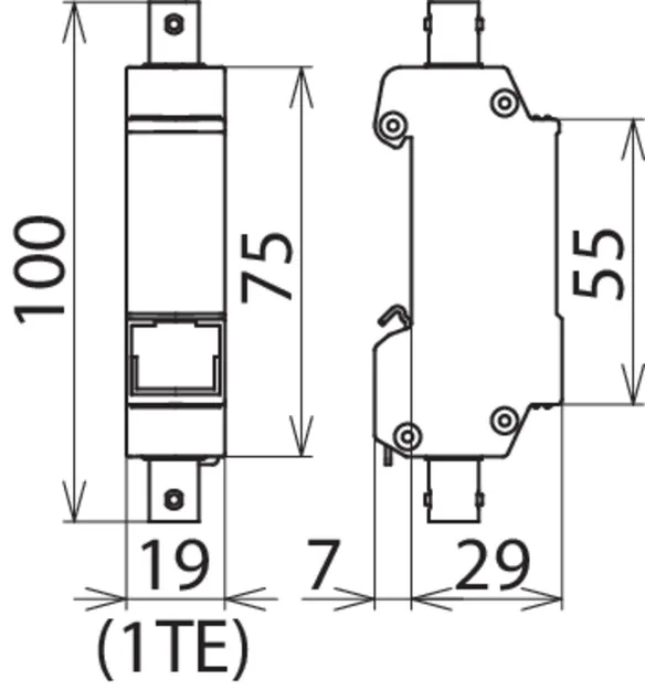
F-Anschluss für 75 Ohm-Systeme.
lorem ipsum
Überspannungs-Ableiter für SAT- und BK-Anlagen.
lorem ipsum
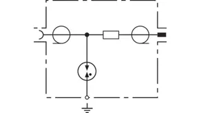
Koaxialableiter mit auswechselbarer Gaskapsel.
lorem ipsum
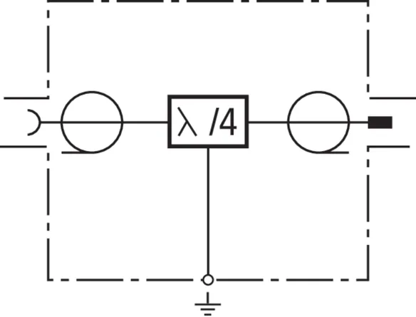
Wartungsfreie Lambda/4-Technik zum Schutz von HF-Anwendungen (z. B. LTE).
lorem ipsum

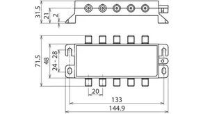
DGA BNC VC

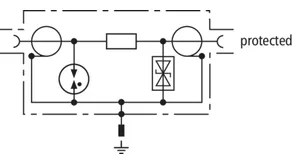
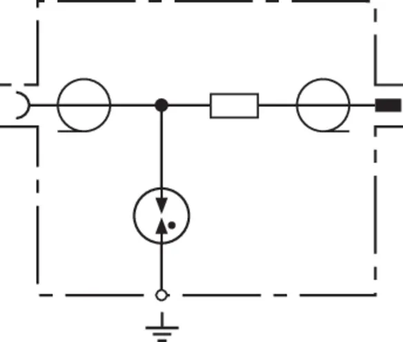
Platzsparender Überspannungs-Ableiter mit BNC-Buchsenanschluss für die Tragschienenmontage zum Schutz von Video- und Kamerasystemen. Je nach Typ mit direkter (VCD) oder indirekter Schirmanbindung (VCID) zum Vermeiden von Brummschleifen.

2 Produkte

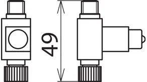
Art.-Nr. 909710 DGA BNC VCD

GTIN 4013364118942, Zolltarifnr. (EU): 85363010, Bruttogewicht: 126.00 g, VPE: 1.00 Stk.


Abbildungen

Weitere Information

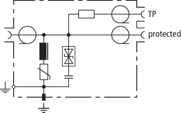
Überspannungs-Ableiter mit BNC-Buchsenanschluss DEHNgate DGA BNC VCD
Überspannungs-Ableiter
der Ableiterklasse Type 2 / P1
DEHNgate, geprüft nach EN 61643-21
zum Schutz von Video-Systemen
oder Arcnet-Computersystemen
mit koaxialen BNC-Buchsen-Anschluss.
Schirm immer direkt geerdet.
Höchste Dauerspannung DC: 6,4 V
D1 Blitzstoßstrom (10/350 µs): 1 kA
Frequenzbereich: 0-300 MHz

Fabrikat: DEHN
Typ: DGA BNC VCD
Art.-Nr.: 909710
oder gleichwertig.

Zertifikate

 

Technische Daten

Ableiterklasse T
Höchste Dauerspannung DC (UC ) 6,4 V
Nennstrom (IL ) 0,1 A
D1 Blitzstoßstrom (10/350 µs) (Iimp ) 1 kA
C2 Nennableitstoßstrom (8/20 µs) Ad-Schirm (In ) 5 kA
Frequenzbereich 0-300 MHz
Anschluss Eingang / Ausgang BNC Buchse / BNC Buchse
Zulassungen CSA, UL

Artikel 909710 wurde zum Merkzettel hinzugefügt.

Zum Merkzettel

Artikel 909710 wurde zum Warenkorb hinzugefügt.

Zum Warenkorb

Art.-Nr. 909711 DGA BNC VCID

GTIN 4013364118980, Zolltarifnr. (EU): 85363010, Bruttogewicht: 127.50 g, VPE: 1.00 Stk.


Abbildungen

Weitere Information

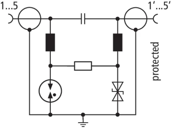
Überspannungs-Ableiter mit BNC-Buchsenanschluss DEHNgate DGA BNC VCID
Überspannungs-Ableiter
der Ableiterklasse Type 2 / P1
DEHNgate, geprüft nach EN 61643-21
zum Schutz von Video-Systemen
oder Arcnet-Computersystemen
mit koaxialen BNC-Buchsen-Anschluss.
Schirm immer indirekt geerdet zum
Vermeiden von Brummschleifen.
Höchste Dauerspannung DC: 6,4 V
D1 Blitzstoßstrom (10/350 µs): 1 kA
Frequenzbereich: 0-300 MHz

Fabrikat: DEHN
Typ: DGA BNC VCID
Art.-Nr.: 909711
oder gleichwertig.

Zertifikate

 

Technische Daten

Ableiterklasse T
Höchste Dauerspannung DC (UC ) 6,4 V
Nennstrom (IL ) 0,1 A
D1 Blitzstoßstrom (10/350 µs) (Iimp ) 1 kA
C2 Nennableitstoßstrom (8/20 µs) Ad-Schirm (In ) 5 kA
Frequenzbereich 0-300 MHz
Anschluss Eingang / Ausgang BNC Buchse / BNC Buchse
Zulassungen CSA, UL

Artikel 909711 wurde zum Merkzettel hinzugefügt.

Zum Merkzettel

Artikel 909711 wurde zum Warenkorb hinzugefügt.

Zum Warenkorb

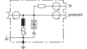
DGA TV

DGA ... TV sind fernspeisetaugliche Ableiter mit F-Anschluss für 75 Ohm SAT- und BK-Anlagen. Die Ableiter entsprechen den erhöhten Schirmungsanforderungen der Klasse A nach EN 50083-2. Geeignet für die platzsparende Installation in allen gängigen TV- und SAT-Anwendungen sind die Ableiter verfügbar als Blitzstrom-Ableiter sowie als Überspannungs-Ableiter oder Kombi-Ableiterset mit integriertem Messausgang zur Anlagenüberprüfung.

3 Produkte

Art.-Nr. 909703 DGA FF TV

GTIN 4013364085664, Zolltarifnr. (EU): 85363010, Bruttogewicht: 233.00 g, VPE: 1.00 Stk.


Abbildungen

Weitere Information

Überspannungs-Ableiter DEHNgate DGA FF TV
Überspannungs-Ableiter
der Ableiterklasse Type 3 / P1
DEHNgate mit integriertem
Mess-/ Prüfausgang für
koaxiale 75 Ohm TV- und SAT-
Systeme, geprüft nach EN 61643-21.
Energetisch koordiniert zu Blitzstrom-
Ableiter DGA GF TV, Fernspeisetauglich. Inklusive
Wandmontage-Adapter und zwei
F-Connectoren. Klasse A-Produkt.
Höchste Dauerspannung DC: 24 V
D1 Blitzstoßstrom (10/350 µs): 0,2 kA
C2 Nennableitstoßstrom (8/20 µs): 1,5 kA
Frequenzbereich: DC / 5-3000 MHz

Fabrikat: DEHN
Typ: DGA FF TV
Art.-Nr.: 909703
oder gleichwertig.

Zertifikate

 

Technische Daten

Ableiterklasse {
Höchste Dauerspannung DC (UC ) 24 V
Nennstrom (IL ) 2 A
D1 Blitzstoßstrom (10/350 µs) (Iimp ) 0,2 kA
C2 Nennableitstoßstrom (8/20 µs) (In ) 1,5 kA
Frequenzbereich DC / 5-3000 MHz
Anschluss Eingang / Ausgang F Buchse / F Buchse

Artikel 909703 wurde zum Merkzettel hinzugefügt.

Zum Merkzettel

Artikel 909703 wurde zum Warenkorb hinzugefügt.

Zum Warenkorb

Art.-Nr. 909704 DGA GF TV

GTIN 4013364105690, Zolltarifnr. (EU): 85363010, Bruttogewicht: 85.50 g, VPE: 1.00 Stk.


Abbildungen

Weitere Information

Blitzstrom-Ableiter DEHNgate DGA GF TV
Blitzstrom-Ableiter
der Ableiterklasse Type 1
DEHNgate für koaxiale 75 Ohm
TV- und SAT-Systeme,
geprüft nach EN 61643-21.
Energetisch koordiniert zu Über-
spannungs-Ableiter DGA FF TV,
fernspeisetauglich, Erdung über
Erdungsblock. Inklusive Erdungsblock
und zwei F-Connectoren.
Klasse A-Produkt.
Höchste Dauerspannung DC: 60 V
D1 Blitzstoßstrom (10/350 µs): 2,5 kA
C2 Nennableitstoßstrom (8/20 µs): 10 kA
Frequenzbereich: 0-2400 MHz

Fabrikat: DEHN
Typ: DGA GF TV
Art.-Nr.: 909704
oder gleichwertig.

Zertifikate

 

Technische Daten

Ableiterklasse H
Höchste Dauerspannung DC (UC ) 60 V
Nennstrom (IL ) 2 A
D1 Blitzstoßstrom (10/350 µs) (Iimp ) 2,5 kA
C2 Nennableitstoßstrom (8/20 µs) (In ) 10 kA
Frequenzbereich 0-2400 MHz
Anschluss Eingang / Ausgang F Buchse / F Stecker

Artikel 909704 wurde zum Merkzettel hinzugefügt.

Zum Merkzettel

Artikel 909704 wurde zum Warenkorb hinzugefügt.

Zum Warenkorb

Art.-Nr. 909705 DGA GFF TV

GTIN 4013364105706, Zolltarifnr. (EU): 85363010, Bruttogewicht: 282.70 g, VPE: 1.00 Stk.


Abbildungen

Weitere Information

Kombi-Ableiter DEHNgate DGA GFF TV
Kombi-Ableiter
der Ableiterklasse Type 1 / P1
DEHNgate, mit integriertem
Mess-/ Prüfausgang für
koaxiale 75 Ohm TV- und SAT-
Systeme, geprüft nach EN 61643-21
und energetisch koordiniert nach
IEC 61643-22. Fernspeisetauglich.
Inklusive Wandmontage-Adapter und zwei
F-Connectoren. Klasse A Produkt.
Höchste Dauerspannung DC: 24 V
D1 Blitzstoßstrom (10/350 µs): 2,5 kA
C2 Nennableitstoßstrom (8/20 µs): 10 kA
Frequenzbereich: DC / 5-2400 MHz

Fabrikat: DEHN
Typ: DGA GFF TV
Art.-Nr.: 909705
oder gleichwertig.

Zertifikate

 

Technische Daten

Ableiterklasse H{
Höchste Dauerspannung DC (UC ) 24 V
Nennstrom (IL ) 2 A
D1 Blitzstoßstrom (10/350 µs) (Iimp ) 2,5 kA
C2 Nennableitstoßstrom (8/20 µs) (In ) 10 kA
Frequenzbereich DC / 5-2400 MHz
Anschluss Eingang / Ausgang F Buchse / F Buchse

Artikel 909705 wurde zum Merkzettel hinzugefügt.

Zum Merkzettel

Artikel 909705 wurde zum Warenkorb hinzugefügt.

Zum Warenkorb

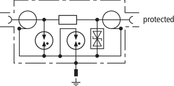
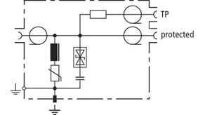
DGA FF5 TV

Fünffach-Überspannungs-Ableiter für 75 Ohm Antennensysteme. Spezielle Bauform für SAT-Antennenverteiler und Multischalter. Der Ableiter entspricht den Schirmungsanforderungen der Klasse A nach EN 50083-2.
Im Lieferumfang enthalten sind Befestigungsmaterial und PA-Leitung.

1 Produkt

Art.-Nr. 909706 DGA FF5 TV

GTIN 4013364362437, Zolltarifnr. (EU): 85363010, Bruttogewicht: 284.00 g, VPE: 1.00 Stk.


Abbildungen

Weitere Information

Überspannungs-Ableiter DEHNgate DGA FF5 TV
Überspannungs-Ableiter
der Ableiterklasse Type 2 / P1
Fünfkanaliger DEHNgate für
koaxiale 75 Ohm TV- und SAT-
Systeme, geprüft nach EN 61643-21
Montagezubehör inklusive
Anschluss für den Potentialausgleich außen am Gehäuse
Klasse A-Produkt
Höchste Dauerspannung DC: 20 V
D1 Blitzstoßstrom (10/350 µs): 0,5 kA
D1 Blitzstoßstrom (10/350 µs) gesamt: 2,5 kA
C2 Nennableitstoßstrom (8/20 µs): 2,5 kA
C2 Nennableitstoßstrom (8/20 µs) gesamt: 10 kA
Frequenzbereich: 47-2200 MHz

Fabrikat: DEHN
Typ: DGA FF5 TV
Art.-Nr.: 909706
oder gleichwertig.

Zertifikate

 

Technische Daten

Ableiterklasse T
Höchste Dauerspannung DC (UC ) 20 V
Nennstrom (IL ) 0,4 A
D1 Blitzstoßstrom (10/350 µs) (Iimp ) 0,5 kA
D1 Blitzstoßstrom (10/350 µs) gesamt (Iimp ) 2,5 kA
C2 Nennableitstoßstrom (8/20 µs) (In ) 2,5 kA
C2 Nennableitstoßstrom (8/20 µs) gesamt (In ) 10 kA
Frequenzbereich 47-2200 MHz
Anschluss Eingang / Ausgang F Buchse / F Buchse

Artikel 909706 wurde zum Merkzettel hinzugefügt.

Zum Merkzettel

Artikel 909706 wurde zum Warenkorb hinzugefügt.

Zum Warenkorb

DGA G

Fernspeisetauglicher Überspannungs-Ableiter mit integriertem Gasentladungsableiter. Speziell zugeschnitten auf die Einsatzgebiete in Wireless-Applikationen für Geräte- und Antennen-Schnittstellen in koaxialer Anschlusstechnik.
Erhältlich mit SMA-, BNC-, oder N-Anschluss für Durchführungsmontage.

3 Produkte

Art.-Nr. 929039 DGA G SMA

GTIN 4013364135185, Zolltarifnr. (EU): 85363010, Bruttogewicht: 24.00 g, VPE: 1.00 Stk.


Abbildungen

Weitere Information

Überspannungs-Ableiter DEHNgate DGA G SMA
Überspannungs-Ableiter
der Ableiterklasse Type 2
DEHNgate, für koaxiale
50 Ohm Antennensysteme,
geprüft nach EN 61643-21.
Fernspeisetauglich, Erdung über
Durchführung, fest integrierter
koaxialer Gasentladungsableiter
Höchste Dauerspannung DC: 135 V
D1 Blitzstoßstrom (10/350 µs): 1 kA
C2 Nennableitstoßstrom (8/20 µs): 5 kA
Frequenzbereich: 0-5,8 GHz

Fabrikat: DEHN
Typ: DGA G SMA
Art.-Nr.: 929039
oder gleichwertig.

Zertifikate

 

Technische Daten

Ableiterklasse B
Höchste Dauerspannung DC (UC ) 135 V
Nennstrom (IL ) 2 A
Max. Übertragungsleistung 60 W
D1 Blitzstoßstrom (10/350 µs) (Iimp ) 1 kA
C2 Nennableitstoßstrom (8/20 µs) (In ) 5 kA
Frequenzbereich 0-5,8 GHz
Anschluss SMA Buchse / SMA Stecker

Artikel 929039 wurde zum Merkzettel hinzugefügt.

Zum Merkzettel

Artikel 929039 wurde zum Warenkorb hinzugefügt.

Zum Warenkorb

Art.-Nr. 929042 DGA G BNC

GTIN 4013364091030, Zolltarifnr. (EU): 85363010, Bruttogewicht: 39.20 g, VPE: 1.00 Stk.


Abbildungen

Weitere Information

Überspannungs-Ableiter DEHNgate DGA G BNC
Überspannungs-Ableiter
der Ableiterklasse Type 2
DEHNgate, für koaxiale
50 Ohm Antennensysteme,
geprüft nach EN 61643-21.
Fernspeisetauglich, Erdung über
Durchführung, fest integrierter
koaxialer Gasentladungsableiter
Höchste Dauerspannung DC: 135 V
D1 Blitzstoßstrom (10/350 µs): 1 kA
C2 Nennableitstoßstrom (8/20 µs): 5 kA
Frequenzbereich: 0-4 GHz

Fabrikat: DEHN
Typ: DGA G BNC
Art.-Nr.: 929042
oder gleichwertig.

Zertifikate

 

Technische Daten

Ableiterklasse B
Höchste Dauerspannung DC (UC ) 135 V
Nennstrom (IL ) 3,5 A
Max. Übertragungsleistung 25 W
D1 Blitzstoßstrom (10/350 µs) (Iimp ) 1 kA
C2 Nennableitstoßstrom (8/20 µs) (In ) 5 kA
Frequenzbereich 0-4 GHz
Anschluss BNC Buchse / BNC Stecker

Artikel 929042 wurde zum Merkzettel hinzugefügt.

Zum Merkzettel

Artikel 929042 wurde zum Warenkorb hinzugefügt.

Zum Warenkorb

Art.-Nr. 929044 DGA G N

GTIN 4013364091054, Zolltarifnr. (EU): 85363010, Bruttogewicht: 86.30 g, VPE: 1.00 Stk.

Vorgänger

Abbildungen

Weitere Information

Überspannungs-Ableiter DEHNgate DGA G N
Überspannungs-Ableiter
der Ableiterklasse Type 2
DEHNgate, für koaxiale
50 Ohm Antennensysteme,
geprüft nach EN 61643-21.
Fernspeisetauglich, Erdung über
Durchführung, fest integrierter
koaxialer Gasentladungsableiter
Höchste Dauerspannung DC: 135 V
D1 Blitzstoßstrom (10/350 µs): 1 kA
C2 Nennableitstoßstrom (8/20 µs): 5 kA
Frequenzbereich: 0-5,8 GHz

Fabrikat: DEHN
Typ: DGA G N
Art.-Nr.: 929044
oder gleichwertig.

Zertifikate

 

Technische Daten

Ableiterklasse B
Höchste Dauerspannung DC (UC ) 135 V
Nennstrom (IL ) 6 A
Max. Übertragungsleistung 60 W
D1 Blitzstoßstrom (10/350 µs) (Iimp ) 1 kA
C2 Nennableitstoßstrom (8/20 µs) (In ) 5 kA
Frequenzbereich 0-5,8 GHz
Anschluss N Buchse / N Stecker

Artikel 929044 wurde zum Merkzettel hinzugefügt.

Zum Merkzettel

Artikel 929044 wurde zum Warenkorb hinzugefügt.

Zum Warenkorb

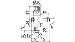
DGA AG

Fernspeisetauglicher Ableiter mit auswechselbarem Gasentladungsableiter. Exzellentes HF-Langzeitverhalten wegen minimalem Kontaktabbrand durch großflächige Kontaktierung des Gasentladungsableiters.

2 Produkte

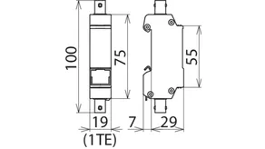
Art.-Nr. 929043 DGA AG BNC

GTIN 4013364091047, Zolltarifnr. (EU): 85363010, Bruttogewicht: 89.60 g, VPE: 1.00 Stk.


Abbildungen

Weitere Information

Blitzstrom-Ableiter DEHNgate DGA AG BNC
Blitzstrom-Ableiter
der Ableiterklasse Type 1
DEHNgate, für koaxiale
50 Ohm Antennensysteme,
geprüft nach EN 61643-21.
Fernspeisetauglich, Erdung über
Durchführung, Führungskäfig für
austauschbaren Gasentladungsableiter
Höchste Dauerspannung DC: 180 V
D1 Blitzstoßstrom (10/350 µs): 5 kA
C2 Nennableitstoßstrom (8/20 µs): 20 kA
Frequenzbereich: 0-1 GHz

Fabrikat: DEHN
Typ: DGA AG BNC
Art.-Nr.: 929043
oder gleichwertig.

Zertifikate

 

Technische Daten

Ableiterklasse A
Höchste Dauerspannung DC (UC ) 180 V
Nennstrom (IL ) 3,5 A
Max. Übertragungsleistung 150 W
D1 Blitzstoßstrom (10/350 µs) (Iimp ) 5 kA
C2 Nennableitstoßstrom (8/20 µs) (In ) 20 kA
Frequenzbereich 0-1 GHz
Anschluss BNC Buchse / BNC Stecker

Artikel 929043 wurde zum Merkzettel hinzugefügt.

Zum Merkzettel

Artikel 929043 wurde zum Warenkorb hinzugefügt.

Zum Warenkorb

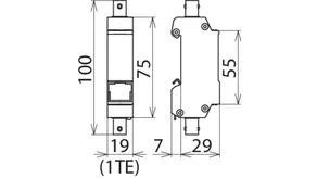
Art.-Nr. 929045 DGA AG N

GTIN 4013364091061, Zolltarifnr. (EU): 85363010, Bruttogewicht: 266.00 g, VPE: 1.00 Stk.


Abbildungen

Weitere Information

Blitzstrom-Ableiter DEHNgate DGA AG N
Blitzstrom-Ableiter
der Ableiterklasse Type 1
DEHNgate, für koaxiale
50 Ohm Antennensysteme,
geprüft nach EN 61643-21.
Fernspeisetauglich, Erdung über
Durchführung oder Erdungsschraube,
Führungskäfig für austauschbaren
Gasentladungsableiter
Höchste Dauerspannung DC: 180 V
D1 Blitzstoßstrom (10/350 µs): 5 kA
C2 Nennableitstoßstrom (8/20 µs): 20 kA
Frequenzbereich: 0-2,5 GHz

Fabrikat: DEHN
Typ: DGA AG N
Art.-Nr.: 929045
oder gleichwertig.

Zertifikate

 

Technische Daten

Ableiterklasse A
Höchste Dauerspannung DC (UC ) 180 V
Nennstrom (IL ) 6 A
Max. Übertragungsleistung 150 W
D1 Blitzstoßstrom (10/350 µs) (Iimp ) 5 kA
C2 Nennableitstoßstrom (8/20 µs) (In ) 20 kA
Frequenzbereich 0-2,5 GHz
Anschluss N Buchse / N Stecker

Artikel 929045 wurde zum Merkzettel hinzugefügt.

Zum Merkzettel

Artikel 929045 wurde zum Warenkorb hinzugefügt.

Zum Warenkorb

DGA LG

Fernspeisetauglicher Ableiter in kombinierter Funkenstrecken-Lambda/4-Technik für Mehrfrequenzanwendungen (Multicarriersysteme), da minimale passive Intermodulation. Besonders breitbandig für alle 4+3G- und LTE-Dienste.

1 Produkt

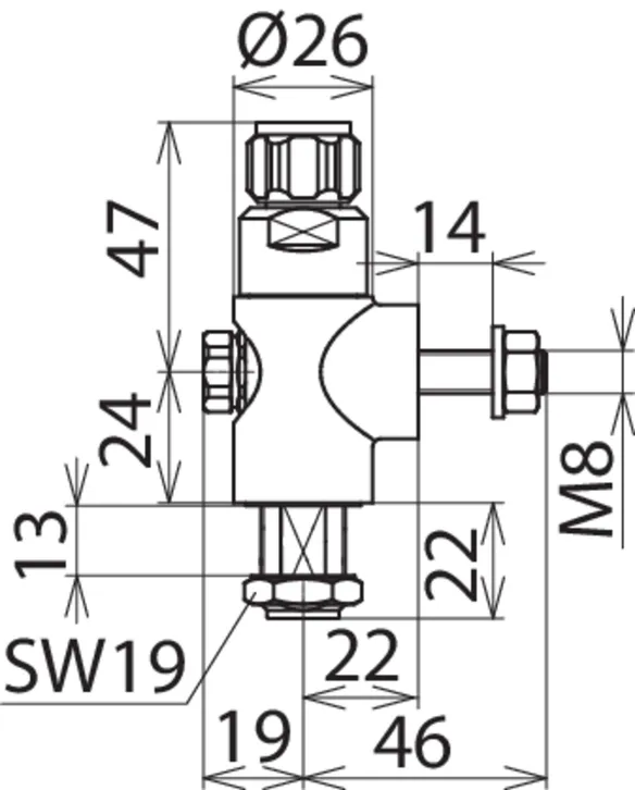
Art.-Nr. 929146 DGA LG 7 16 MFA

GTIN 4013364157156, Zolltarifnr. (EU): 85363010, Bruttogewicht: 493.00 g, VPE: 1.00 Stk.

Vorgänger

Abbildungen

Weitere Information

Blitzstrom-Ableiter DEHNgate DGA LG 7 16 MFA
Blitzstrom-Ableiter
der Ableiterklasse Type 1
DEHNgate, für koaxiale
50 Ohm Antennensysteme,
geprüft nach EN 61643-21.
Fernspeisetauglich, aufgebaut in
wartungsfreier Lambda/4-Technik
speziell für Multi-Carrier-Anwendungen,
für 3+4G- und LTE-Dienste.
Höchste Dauerspannung DC: 65 V
D1 Blitzstoßstrom (10/350 µs): 5 kA
C2 Nennableitstoßstrom (8/20 µs): 20 kA
Frequenzbereich: 690 MHz - 2,7 GHz

Fabrikat: DEHN
Typ: DGA LG 7 16 MFA
Art.-Nr.: 929146
oder gleichwertig.

Zertifikate

 

Technische Daten

Ableiterklasse A
Höchste Dauerspannung DC (UC ) 65 V
Nennstrom (IL ) 13 A
Max. Übertragungsleistung 1500 W
D1 Blitzstoßstrom (10/350 µs) (Iimp ) 5 kA
C2 Nennableitstoßstrom (8/20 µs) (In ) 20 kA
Frequenzbereich 690 MHz - 2,7 GHz
Anschluss 7/16 Buchse / 7/16 Stecker

Artikel 929146 wurde zum Merkzettel hinzugefügt.

Zum Merkzettel

Artikel 929146 wurde zum Warenkorb hinzugefügt.

Zum Warenkorb

DGA L4

Kombi-Ableiter in wartungsfreier Lambda/4-Technik für Mehrfrequenzanwendungen (Multicarriersysteme). Die Ableiter können auch hohe Blitzteilströme ableiten. Keine Fernspeisung möglich, da der Ableiter für niederfrequente Signale einen galvanischen Kurzschluss darstellt. Besonders breitbandig für alle 4+3G- und LTE-Dienste.

2 Produkte

Art.-Nr. 929047 DGA L4 7 16 S

GTIN 4013364091085, Zolltarifnr. (EU): 85363010, Bruttogewicht: 467.00 g, VPE: 1.00 Stk.


Abbildungen

Weitere Information

Kombi-Ableiter DEHNgate DGA L4 7 16 S
Kombi-Ableiter
der Ableiterklasse Type 1 / P1
DEHNgate, für koaxiale
50 Ohm Antennensysteme,
geprüft nach EN 61643-21.
Aufgebaut in wartungsfreier
Lambda/4-Technik mit sehr geringer
Intermodulationsdämpfung. Langzeit-
beständig durch CuBe-Buchse und
nickelfreier 3-Metallbeschichtung.
Erdung über Erdungsschraube.
Höchste Dauerspannung DC: 0 V
D1 Blitzstoßstrom (10/350 µs): 25 kA
C2 Nennableitstoßstrom (8/20 µs): 50 kA
Frequenzbereich: 380-512 MHz

Fabrikat: DEHN
Typ: DGA L4 7 16 S
Art.-Nr.: 929047
oder gleichwertig.

Zertifikate

 

Technische Daten

Ableiterklasse M
Höchste Dauerspannung DC (UC ) 0 V
Nennstrom (IL ) 0 A
Max. Übertragungsleistung 3000 W
D1 Blitzstoßstrom (10/350 µs) (Iimp ) 25 kA
C2 Nennableitstoßstrom (8/20 µs) (In ) 50 kA
Frequenzbereich 380-512 MHz
Anschluss 7/16 Buchse / 7/16 Stecker

Artikel 929047 wurde zum Merkzettel hinzugefügt.

Zum Merkzettel

Artikel 929047 wurde zum Warenkorb hinzugefügt.

Zum Warenkorb

Art.-Nr. 929148 DGA L4 7 16 MFA

GTIN 4013364157163, Zolltarifnr. (EU): 85363010, Bruttogewicht: 476.00 g, VPE: 1.00 Stk.

Vorgänger

Abbildungen

Weitere Information

Kombi-Ableiter DEHNgate DGA L4 7 16 MFA
Kombi-Ableiter
der Ableiterklasse Type 1 / P1
DEHNgate, für koaxiale
50 Ohm Antennensysteme,
geprüft nach EN 61643-21.
Aufgebaut in wartungsfreier
Lambda/4-Technik speziell für
Multi-Carrier-Anwendungen,
mit minimaler passiver Intermodulation.
Besonders breitbandig für alle
3+4G- und LTE-Dienste
Erdung über Durchführung
oder Erdungsschraube.
Höchste Dauerspannung DC: 0 V
D1 Blitzstoßstrom (10/350 µs): 40 kA
C2 Nennableitstoßstrom (8/20 µs): 80 kA
Frequenzbereich: 690 MHz - 2,7 GHz

Fabrikat: DEHN
Typ: DGA L4 7 16 MFA
Art.-Nr.: 929148
oder gleichwertig.

Zertifikate

 

Technische Daten

Ableiterklasse M
Höchste Dauerspannung DC (UC ) 0 V
Nennstrom (IL ) 0 A
Max. Übertragungsleistung 1500 W
D1 Blitzstoßstrom (10/350 µs) (Iimp ) 40 kA
C2 Nennableitstoßstrom (8/20 µs) (In ) 80 kA
Frequenzbereich 690 MHz - 2,7 GHz
Anschluss 7/16 Buchse / 7/16 Stecker

Artikel 929148 wurde zum Merkzettel hinzugefügt.

Zum Merkzettel

Artikel 929148 wurde zum Warenkorb hinzugefügt.

Zum Warenkorb

nach oben