Ihre Services im Dashboard..
Registriert nutzen Sie das komplette Angebot.

DEHNguard YPV SCI ... – kompakt

  • Verdrahtungsfertige Kompletteinheit für Photovoltaik-Anlagen
  • Kombinierte Abtrenn- und Kurzschließvorrichtung mit sicherer elektrischer Trennung (patentiertes SCI-Prinzip)
  • Bewährte fehlerresistente Y-Schaltung des DEHNguard YPV SCI … vermeidet Schädigung des Überspannungsschutzes bei Isolationsfehlern im Generatorkreis
  • Geprüft nach EN 61643-31
  • Einsetzbar in PV-Systemen gemäß IEC 60364-7-712

Details

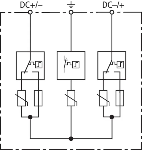
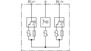
Dreistufige DC-Schalteinrichtung (patentiertes SCI-Prinzip)
lorem ipsum

DEHNguard kompakt YPV SCI ...

Mehrpoliger Überspannungs-Ableiter mit dreistufiger Gleichspannungs-Schaltvorrichtung für PV-Anlagen.

2 Produkte

Art.-Nr. 950531 DG YPV SCI 600

GTIN 4013364152953, Zolltarifnr. (EU): 85363030, Bruttogewicht: 296.00 g, VPE: 1.00 Stk.

Vorgänger

Abbildungen

Weitere Information

Überspannungs-Ableiter DEHNguard kompakt YPV SCI 600
Mehrpoliger Photovoltaik-Ableiter bis 600 V DC
mit 3-stufiger DC-Schalteinrichtung, Breite 3TE
Defektanzeige
Typ 2 nach EN 61643-31
Einsetzbar gemäß IEC 60364-7-712
Sichere elektrische Trennung
Maximale PV-Spannung: <= 600 V dc
Gesamtableitstoßstrom: 40 kA
Schutzpegel: <= 2,5 kV
Kurzschlussfestigkeit Iscpv: 1000 A

Fabrikat: DEHN
Typ: DG YPV SCI 600
Art.-Nr.: 950531
oder gleichwertig.

Zertifikate

 

SCI-Technologie

Mit der von DEHN patentierten SCI-Technologie mit ihrer aktiven Lichtbogenlöschung wird ein eventuell auftretender Schaltlichtbogen im Überlastfall aktiv, schnell und sicher gelöscht. Die im Kurzschlusspfad integrierte PV-Sicherung löst sofort nach Erlöschen des Lichtbogens aus und stellt dann die sichere elektrische Trennung (Interruption) her. Damit realisieren alle PV-Ableiter von DEHN Überspannungs-, Brand-, und Personenschutz in einem Gerät.

Technische Daten

SPD nach EN 61643-31 / ... IEC 61643-31 Typ 2 / Class II
Max. PV-Spannung (UCPV ) 600 V
Kurzschlussfestigkeit (ISCPV ) 1000 A
Nennableitstoßstrom (8/20 µs) [(DC+/DC-) --> PE] (In ) 12,5 kA
Max. Ableitstoßstrom (8/20 µs) [(DC+/DC-) --> PE] (Imax ) 25 kA
Schutzpegel (UP ) ≤ 2,5 kV
Zulassungen KEMA, UL

Artikel 950531 wurde zum Merkzettel hinzugefügt.

Zum Merkzettel

Artikel 950531 wurde zum Warenkorb hinzugefügt.

Zum Warenkorb

Art.-Nr. 950530 DG YPV SCI 1000

GTIN 4013364152960, Zolltarifnr. (EU): 85363030, Bruttogewicht: 321.00 g, VPE: 1.00 Stk.


Abbildungen

Weitere Information

Überspannungs-Ableiter DEHNguard kompakt YPV SCI 1000
Mehrpoliger Photovoltaik-Ableiter bis 1000 V DC
mit 3-stufiger DC-Schalteinrichtung, Breite 3TE
Defektanzeige
Typ 2 nach EN 61643-31
Einsetzbar gemäß IEC 60364-7-71
Sichere elektrische Trennung
Maximale PV-Spannung: <= 1000 V dc
Gesamtableitstoßstrom: 40 kA
Schutzpegel: <= 4 kV
Kurzschlussfestigkeit Iscpv: 1000 A

Fabrikat: DEHN
Typ: DG YPV SCI 1000
Art.-Nr.: 950530
oder gleichwertig.

Zertifikate

 

SCI-Technologie

Mit der von DEHN patentierten SCI-Technologie mit ihrer aktiven Lichtbogenlöschung wird ein eventuell auftretender Schaltlichtbogen im Überlastfall aktiv, schnell und sicher gelöscht. Die im Kurzschlusspfad integrierte PV-Sicherung löst sofort nach Erlöschen des Lichtbogens aus und stellt dann die sichere elektrische Trennung (Interruption) her. Damit realisieren alle PV-Ableiter von DEHN Überspannungs-, Brand-, und Personenschutz in einem Gerät.

Technische Daten

SPD nach EN 61643-31 / ... IEC 61643-31 Typ 2 / Class II
Max. PV-Spannung (UCPV ) 1000 V
Kurzschlussfestigkeit (ISCPV ) 1000 A
Nennableitstoßstrom (8/20 µs) [(DC+/DC-) --> PE] (In ) 12,5 kA
Max. Ableitstoßstrom (8/20 µs) [(DC+/DC-) --> PE] (Imax ) 25 kA
Schutzpegel (UP ) ≤ 4 kV
Zulassungen KEMA, UL

Artikel 950530 wurde zum Merkzettel hinzugefügt.

Zum Merkzettel

Artikel 950530 wurde zum Warenkorb hinzugefügt.

Zum Warenkorb

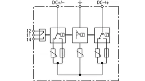
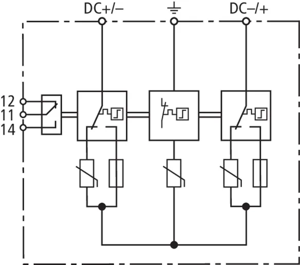
DEHNguard kompakt YPV SCI ... FM

Mehrpoliger Überspannungs-Ableiter mit dreistufiger Gleichspannungs-Schaltvorrichtung für PV-Anlagen, mit Fernmeldekontakt für Überwachungseinrichtung (potentialfreier Wechsler).

2 Produkte

Art.-Nr. 950536 DG YPV SCI 600 FM

GTIN 4013364154995, Zolltarifnr. (EU): 85363030, Bruttogewicht: 306.00 g, VPE: 1.00 Stk.

Vorgänger

Abbildungen

Weitere Information

Überspannungs-Ableiter DEHNguard kompakt YPV SCI 600 FM
Mehrpoliger Photovoltaik-Ableiter bis 600 V DC
mit 3-stufiger DC-Schalteinrichtung, Breite 3TE
Defektanzeige, mit Fernmeldekontakt
Typ 2 nach EN 61643-31
Einsetzbar gemäß IEC 60364-7-712
Sichere elektrische Trennung
Maximale PV-Spannung: <= 600 V dc
Gesamtableitstoßstrom: 40 kA
Schutzpegel: <= 2,5 kV
Kurzschlussfestigkeit Iscpv: 1000 A

Fabrikat: DEHN
Typ: DG YPV SCI 600 FM
Art.-Nr.: 950536
oder gleichwertig.

Zertifikate

 

SCI-Technologie

Mit der von DEHN patentierten SCI-Technologie mit ihrer aktiven Lichtbogenlöschung wird ein eventuell auftretender Schaltlichtbogen im Überlastfall aktiv, schnell und sicher gelöscht. Die im Kurzschlusspfad integrierte PV-Sicherung löst sofort nach Erlöschen des Lichtbogens aus und stellt dann die sichere elektrische Trennung (Interruption) her. Damit realisieren alle PV-Ableiter von DEHN Überspannungs-, Brand-, und Personenschutz in einem Gerät.

Technische Daten

SPD nach EN 61643-31 / ... IEC 61643-31 Typ 2 / Class II
Max. PV-Spannung (UCPV ) 600 V
Kurzschlussfestigkeit (ISCPV ) 1000 A
Nennableitstoßstrom (8/20 µs) [(DC+/DC-) --> PE] (In ) 12,5 kA
Max. Ableitstoßstrom (8/20 µs) [(DC+/DC-) --> PE] (Imax ) 25 kA
Schutzpegel (UP ) ≤ 2,5 kV
Zulassungen KEMA, UL
FM-Kontakte / Kontaktform Wechsler

Artikel 950536 wurde zum Merkzettel hinzugefügt.

Zum Merkzettel

Artikel 950536 wurde zum Warenkorb hinzugefügt.

Zum Warenkorb

Art.-Nr. 950535 DG YPV SCI 1000 FM

GTIN 4013364154988, Zolltarifnr. (EU): 85363030, Bruttogewicht: 331.00 g, VPE: 1.00 Stk.


Abbildungen

Weitere Information

Überspannungs-Ableiter DEHNguard kompakt YPV SCI 1000 FM
Mehrpoliger Photovoltaik-Ableiter bis 1000 V DC
mit 3-stufiger DC-Schalteinrichtung, Breite 3TE
Defektanzeige, mit Fernmeldekontakt
Typ 2 nach EN 61643-31
Einsetzbar gemäß IEC 60364-7-712
Sichere elektrische Trennung
Maximale PV-Spannung:<= 1000 V dc
Gesamtableitstoßstrom: 40 kA
Schutzpegel: <= 4 kV
Kurzschlussfestigkeit Iscpv: 1000 A

Fabrikat: DEHN
Typ: DG YPV SCI 1000 FM
Art.-Nr.: 950535
oder gleichwertig.

Zertifikate

 

SCI-Technologie

Mit der von DEHN patentierten SCI-Technologie mit ihrer aktiven Lichtbogenlöschung wird ein eventuell auftretender Schaltlichtbogen im Überlastfall aktiv, schnell und sicher gelöscht. Die im Kurzschlusspfad integrierte PV-Sicherung löst sofort nach Erlöschen des Lichtbogens aus und stellt dann die sichere elektrische Trennung (Interruption) her. Damit realisieren alle PV-Ableiter von DEHN Überspannungs-, Brand-, und Personenschutz in einem Gerät.

Technische Daten

SPD nach EN 61643-31 / ... IEC 61643-31 Typ 2 / Class II
Max. PV-Spannung (UCPV ) 1000 V
Kurzschlussfestigkeit (ISCPV ) 1000 A
Nennableitstoßstrom (8/20 µs) [(DC+/DC-) --> PE] (In ) 12,5 kA
Max. Ableitstoßstrom (8/20 µs) [(DC+/DC-) --> PE] (Imax ) 25 kA
Schutzpegel (UP ) ≤ 4 kV
Zulassungen KEMA, UL
FM-Kontakte / Kontaktform Wechsler

Artikel 950535 wurde zum Merkzettel hinzugefügt.

Zum Merkzettel

Artikel 950535 wurde zum Warenkorb hinzugefügt.

Zum Warenkorb

nach oben