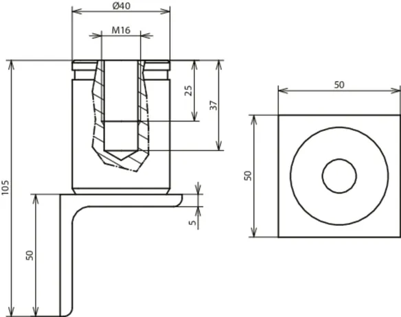
Edelstahl-Erdungsbrücken D BEB 16
Die Erdungsbrücken sind zur Erdung, Rückstromführung sowie dem Potentialausgleich im Nutzungsbereich von Bahnstrecken vorgesehen. Die Erdungsbrücke aus Edelstahl stellt dies über eine definierte Schweißnaht zum Erdungsleiter sicher. Diese Erdungsbrücke besitzt zudem eine technische Freigabe der DB Netz AG und kann dort somit planungssicher verwendet werden.
1 Produkt
Art.-Nr. 419160 D BEB 16 - 105 / 3 EBS 15-03-19-38
GTIN 4013364510203, Zolltarifnr. (EU): 85369010, Bruttogewicht: 697.72 g, VPE: 8.00 Stk.
Technische Daten
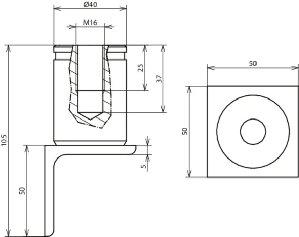
| Werkstoff Anschlusselement | NIRO |
| Werkstoff-Nr. | 1.4301 |
| Werkstoff Winkel | St |
| Kurzschlussstrom | > 25 kA |
| Prüfstrom | 40 kA / 100 ms |
| Kurzschlussstrom (AC 50 Hz / DC) (1 s; ≤ 300 °C) | 12,6 kA |
| Gewinde | M16 |
| Durchmesser Anschlussplatte | 40 mm |
| Abmessung Winkel (l x b x t) | 50 x 50 x 5 mm |
| Gesamthöhe | 105 mm |
| DB Zeichnungs-Nr. | 3 Ebs 15.03.19 - 38 |
| Normenbezug | Ril 997.0205A01 |
Flachstahl-Erdungsbrücken D BEB 1-NR
Die Erdungsbrücken sind zur Erdung, Rückstromführung sowie dem Potentialausgleich im Nutzungsbereich von Bahnstrecken vorgesehen. Diese Variante stellt dies sicher, indem diese bündig zur Oberfläche eingebaut und mit dem Flachstahl an die erdende Bewehrung – über eine definierte Schweißnaht – angeschweißt wird. Diese Erdungsbrücke besitzt zudem eine technische Freigabe der DB Netz AG und kann dort somit planungssicher verwendet werden.
1 Produkt
Art.-Nr. 419012 D BEB 1-NR / EBS 15-03-19
GTIN 4013364439467, Zolltarifnr. (EU): 85369010, Bruttogewicht: 1.46 kg, VPE: 1.00 Stk.
Technische Daten
| Werkstoff Anschlusselement | NIRO |
| Werkstoff-Nr. | 1.4301 |
| Werkstoff Flachstahl | S235 |
| Kurzschlussstrom | > 25 kA |
| Prüfstrom | 40 kA / 100 ms |
| Kurzschlussstrom (AC 50 Hz / DC) (1 s; ≤ 300 °C) | 12,6 kA |
| Gewinde | M16 |
| Durchmesser Anschlussplatte | 50 mm |
| Abmessung Flachstahl | 400 x 50 x 5 mm |
| Gesamthöhe | 63 mm |
| DB Zeichnungs-Nr. | 3 Ebs 15.03.19 - 36 |
| Normenbezug | Ril 997.0205A01 |
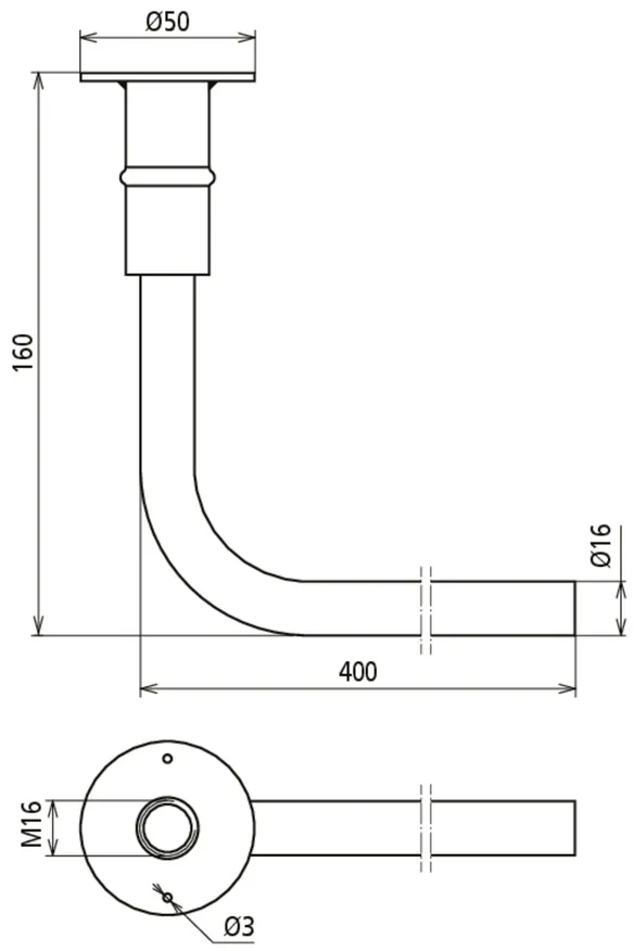
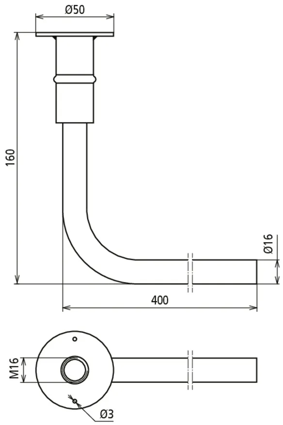
Betonstahl-Erdungsbrücken D BEB 2
Die Erdungsbrücken sind zur Erdung, Rückstromführung sowie dem Potentialausgleich im Nutzungsbereich von Bahnstrecken vorgesehen. Diese Variante wird bündig zur Oberfläche eingebaut und mit dem gebogenen Bewehrungsstahl vor allem bei platzkritischen Einbausituationen an die erdende Bewehrung angeschweißt. Diese Erdungsbrücke besitzt zudem eine technische Freigabe der DB Netz AG und kann dort somit planungssicher verwendet werden.
1 Produkt
Art.-Nr. 419020 D BEB 2 / EBS 15-03-19
GTIN 4013364439405, Zolltarifnr. (EU): 85369010, Bruttogewicht: 950.00 g, VPE: 1.00 Stk.
Technische Daten
| Werkstoff Platte | NIRO |
| Werkstoff-Nr. | 1.4301 |
| Werkstoff Hülse | St / Cu |
| Werkstoff Achse | Betonstahl B500B |
| Kurzschlussstrom | > 25 kA |
| Prüfstrom | 40 kA / 100 ms |
| Kurzschlussstrom (AC 50 Hz / DC) (1 s; ≤ 300 °C) | 12,6 kA |
| Gewinde | M16 |
| Durchmesser Anschlussplatte | 50 mm |
| Durchmesser Betonstahl | 16 mm |
| Einbauhöhe | 160 mm |
| Länge | 400 mm |
| DB Zeichnungs-Nr. | 3 Ebs 15.03.19 - 31 |
| Normenbezug | Ril 997.0205A01 |
Betonstahl-Erdungsbrücken D BEB 3
Die Erdungsbrücken sind zur Erdung, Rückstromführung sowie dem Potentialausgleich im Nutzungsbereich von Bahnstrecken vorgesehen. Diese Variante wird bündig zur Oberfläche eingebaut und mit dem Bewehrungsstahl an die erdende Bewehrung angeschweißt. Diese Erdungsbrücke besitzt zudem eine technische Freigabe der DB Netz AG und kann dort somit planungssicher verwendet werden.
1 Produkt
Art.-Nr. 419030 D BEB 3 / EBS 15-03-19
GTIN 4013364439474, Zolltarifnr. (EU): 85369010, Bruttogewicht: 750.00 g, VPE: 1.00 Stk.
Technische Daten
| Werkstoff Platte | NIRO |
| Werkstoff-Nr. | 1.4301 |
| Werkstoff Hülse | St / Cu |
| Werkstoff Achse | Betonstahl B500B |
| Kurzschlussstrom | > 25 kA |
| Prüfstrom | 40 kA / 100 ms |
| Kurzschlussstrom (AC 50 Hz / DC) (1 s; ≤ 300 °C) | 12,6 kA |
| Gewinde | M16 |
| Durchmesser Anschlussplatte | 50 mm |
| Durchmesser Betonstahl | 16 mm |
| Länge | 400 mm |
| DB Zeichnungs-Nr. | 3 Ebs 15.03.19 - 31 |
| Normenbezug | Ril 997.0205A01 |
Kupfer-Kabel-Erdungsbrücken D BEB 4 / 5
Die Erdungsbrücken sind zur Erdung, Rückstromführung sowie dem Potentialausgleich im Nutzungsbereich von Bahnstrecken vorgesehen. Diese Variante wird bündig zur Oberfläche eingebaut und mit der auf das Kupferkabel aufgepressten verkupferten Stahllasche an die erdende Bewehrung angeschweißt. Die Flexibilität des Kabels erleichtert dem Anwender den Einbau in die Bewehrung. Die speziellen FLEX-Varianten sind bei platzkritischen Einbausituationen besonders geeignet – hier kommen extra-flexible, feindrähtige Kupferkabel zum Einsatz. Diese Erdungsbrücken besitzen zudem eine technische Freigabe der DB Netz AG und können dort somit planungssicher verwendet werden.
Sonderlängen erhalten Sie auf Anfrage: bis 500 mm Gesamtlänge in Schritten von 50 mm und ab 500 mm Gesamtlänge in Schritten von 100 mm.
7 Produkte
Art.-Nr. 419040 D BEB 4 / EBS 15-03-19
GTIN 4013364439481, Zolltarifnr. (EU): 85369010, Bruttogewicht: 640.00 g, VPE: 1.00 Stk.
Technische Daten
| Werkstoff Platte | NIRO |
| Werkstoff-Nr. | 1.4301 |
| Werkstoff Hülse | St / Cu |
| Werkstoff Lasche | St / Cu |
| Werkstoff Kabel | Cu |
| Kurzschlussstrom | ≤ 25 kA |
| Prüfstrom | 25 kA / 100 ms |
| Kurzschlussstrom (AC 50 Hz / DC) (1 s; ≤ 300 °C) | 7,9 kA |
| Gewinde | M16 |
| Durchmesser Anschlussplatte | 50 mm |
| Kabel | NYY-O |
| Querschnitt Kabel | 70 mm² |
| Durchmesser Kabel | 17 mm |
| Abmessung Lasche | 80 x 30 mm |
| Länge | 500 mm |
| DB Zeichnungs-Nr. | 3 Ebs 15.03.19 - 32 |
| Normenbezug | Ril 997.0205A01 |
Art.-Nr. 419050 D BEB 5 / EBS 15-03-19
GTIN 4013364439504, Zolltarifnr. (EU): 85369010, Bruttogewicht: 710.00 g, VPE: 1.00 Stk.
Technische Daten
| Werkstoff Platte | NIRO |
| Werkstoff-Nr. | 1.4301 |
| Werkstoff Hülse | St / Cu |
| Werkstoff Lasche | St / Cu |
| Werkstoff Kabel | Cu |
| Kurzschlussstrom | > 25 kA |
| Prüfstrom | 40 kA / 100 ms |
| Kurzschlussstrom (AC 50 Hz / DC) (1 s; ≤ 300 °C) | 12,6 kA |
| Gewinde | M16 |
| Durchmesser Anschlussplatte | 50 mm |
| Kabel | NYY-O |
| Querschnitt Kabel | 95 mm² |
| Durchmesser Kabel | 19 mm |
| Abmessung Lasche | 80 x 30 mm |
| Länge | 500 mm |
| DB Zeichnungs-Nr. | 3 Ebs 15.03.19 - 32 |
| Normenbezug | Ril 997.0205A01 |
Art.-Nr. 419051 D BEB 5-FLEX / EBS 15-03-19
GTIN 4013364439511, Zolltarifnr. (EU): 85369010, Bruttogewicht: 640.00 g, VPE: 1.00 Stk.
Technische Daten
| Werkstoff Platte | NIRO |
| Werkstoff-Nr. | 1.4301 |
| Werkstoff Hülse | St / Cu |
| Werkstoff Lasche | St / Cu |
| Werkstoff Kabel | Cu |
| Kurzschlussstrom | > 25 kA |
| Prüfstrom | 40 kA / 100 ms |
| Kurzschlussstrom (AC 50 Hz / DC) (1 s; ≤ 300 °C) | 12,6 kA |
| Gewinde | M16 |
| Durchmesser Anschlussplatte | 50 mm |
| Kabel | H07V-K |
| Querschnitt Kabel | 95 mm² |
| Durchmesser Kabel | 19 mm |
| Abmessung Lasche | 80 x 30 mm |
| Länge | 500 mm |
| DB Zeichnungs-Nr. | 3 Ebs 15.03.19 - 32 |
| Normenbezug | Ril 997.0205A01 |
Art.-Nr. 419501 D BEB 5 - L700 / EBS 15-03-19
GTIN 4013364458390, Zolltarifnr. (EU): 85369010, Bruttogewicht: 980.00 g, VPE: 1.00 Stk.
Technische Daten
| Werkstoff Platte | NIRO |
| Werkstoff-Nr. | 1.4301 |
| Werkstoff Hülse | St / Cu |
| Werkstoff Lasche | St / Cu |
| Werkstoff Kabel | Cu |
| Kurzschlussstrom | > 25 kA |
| Prüfstrom | 40 kA / 100 ms |
| Kurzschlussstrom (AC 50 Hz / DC) (1 s; ≤ 300 °C) | 12,6 kA |
| Gewinde | M16 |
| Durchmesser Anschlussplatte | 50 mm |
| Kabel | NYY-O |
| Querschnitt Kabel | 95 mm² |
| Durchmesser Kabel | 19 mm |
| Abmessung Lasche | 80 x 30 mm |
| Länge | 700 mm |
| DB Zeichnungs-Nr. | 3 Ebs 15.03.19 - 32 |
| Normenbezug | Ril 997.0205A01 |
Art.-Nr. 419502 D BEB 5 - L1000 / EBS 15-03-19
GTIN 4013364458406, Zolltarifnr. (EU): 85369010, Bruttogewicht: 1.40 kg, VPE: 1.00 Stk.
Technische Daten
| Werkstoff Platte | NIRO |
| Werkstoff-Nr. | 1.4301 |
| Werkstoff Hülse | St / Cu |
| Werkstoff Lasche | St / Cu |
| Werkstoff Kabel | Cu |
| Kurzschlussstrom | > 25 kA |
| Prüfstrom | 40 kA / 100 ms |
| Kurzschlussstrom (AC 50 Hz / DC) (1 s; ≤ 300 °C) | 12,6 kA |
| Gewinde | M16 |
| Durchmesser Anschlussplatte | 50 mm |
| Kabel | NYY-O |
| Querschnitt Kabel | 95 mm² |
| Durchmesser Kabel | 19 mm |
| Abmessung Lasche | 80 x 30 mm |
| Länge | 1000 mm |
| DB Zeichnungs-Nr. | 3 Ebs 15.03.19 - 32 |
| Normenbezug | Ril 997.0205A01 |
Art.-Nr. 419503 D BEB 5 - L1500 / EBS 15-03-19
GTIN 4013364458413, Zolltarifnr. (EU): 85369010, Bruttogewicht: 2.10 kg, VPE: 1.00 Stk.
Technische Daten
| Werkstoff Platte | NIRO |
| Werkstoff-Nr. | 1.4301 |
| Werkstoff Hülse | St / Cu |
| Werkstoff Lasche | St / Cu |
| Werkstoff Kabel | Cu |
| Kurzschlussstrom | > 25 kA |
| Prüfstrom | 40 kA / 100 ms |
| Kurzschlussstrom (AC 50 Hz / DC) (1 s; ≤ 300 °C) | 12,6 kA |
| Gewinde | M16 |
| Durchmesser Anschlussplatte | 50 mm |
| Kabel | NYY-O |
| Querschnitt Kabel | 95 mm² |
| Durchmesser Kabel | 19 mm |
| Abmessung Lasche | 80 x 30 mm |
| Länge | 1500 mm |
| DB Zeichnungs-Nr. | 3 Ebs 15.03.19 - 32 |
| Normenbezug | Ril 997.0205A01 |
Art.-Nr. 419504 D BEB 5 - L2000 / EBS 15-03-19
GTIN 4013364458420, Zolltarifnr. (EU): 85369010, Bruttogewicht: 2.80 kg, VPE: 1.00 Stk.
Technische Daten
| Werkstoff Platte | NIRO |
| Werkstoff-Nr. | 1.4301 |
| Werkstoff Hülse | St / Cu |
| Werkstoff Lasche | St / Cu |
| Werkstoff Kabel | Cu |
| Kurzschlussstrom | > 25 kA |
| Prüfstrom | 40 kA / 100 ms |
| Kurzschlussstrom (AC 50 Hz / DC) (1 s; ≤ 300 °C) | 12,6 kA |
| Gewinde | M16 |
| Durchmesser Anschlussplatte | 50 mm |
| Kabel | NYY-O |
| Querschnitt Kabel | 95 mm² |
| Durchmesser Kabel | 19 mm |
| Abmessung Lasche | 80 x 30 mm |
| Länge | 2000 mm |
| DB Zeichnungs-Nr. | 3 Ebs 15.03.19 - 32 |
| Normenbezug | Ril 997.0205A01 |
Kupfer-Kabel-Erdungsbrücken D BEB 6 / 7
Die Erdungsbrücken sind zur Erdung, Rückstromführung sowie dem Potentialausgleich im Nutzungsbereich von Bahnstrecken vorgesehen. Diese Variante wird als Erdungsdurchführung von Bauteilen verwendet indem sie beidseitig bündig zur Oberfläche eingebaut wird. Die Flexibilität des Kabels erleichtert dem Anwender den Einbau in die Bewehrung. Die speziellen FLEX-Varianten sind bei platzkritischen Einbausituationen besonders geeignet – hier kommen extra-flexible, feindrähtige Kupferkabel zum Einsatz. Diese Erdungsbrücken besitzen zudem eine technische Freigabe der DB Netz AG und können dort somit planungssicher verwendet werden.
Sonderlängen erhalten Sie auf Anfrage: bis 500 mm Gesamtlänge in Schritten von 50 mm und ab 500 mm Gesamtlänge in Schritten von 100 mm.
4 Produkte
Art.-Nr. 419060 D BEB 6 / EBS 15-03-19
GTIN 4013364439528, Zolltarifnr. (EU): 85369010, Bruttogewicht: 600.00 g, VPE: 1.00 Stk.
Technische Daten
| Werkstoff Platte | NIRO |
| Werkstoff-Nr. | 1.4301 |
| Werkstoff Hülse | St / Cu |
| Werkstoff Kabel | Cu |
| Kurzschlussstrom | ≤ 25 kA |
| Prüfstrom | 25 kA / 100 ms |
| Kurzschlussstrom (AC 50 Hz / DC) (1 s; ≤ 300 °C) | 7,9 kA |
| Gewinde | M16 |
| Durchmesser Anschlussplatte | 50 mm |
| Kabel | NYY-O |
| Querschnitt Kabel | 70 mm² |
| Durchmesser Kabel | 17 mm |
| Länge | 500 mm |
| DB Zeichnungs-Nr. | 3 Ebs 15.03.19 - 33 |
| Normenbezug | Ril 997.0205A01 |
Art.-Nr. 419061 D BEB 6-FLEX / EBS 15-03-19
GTIN 4013364439535, Zolltarifnr. (EU): 85369010, Bruttogewicht: 530.00 g, VPE: 1.00 Stk.
Technische Daten
| Werkstoff Platte | NIRO |
| Werkstoff-Nr. | 1.4301 |
| Werkstoff Hülse | St / Cu |
| Werkstoff Kabel | Cu |
| Kurzschlussstrom | ≤ 25 kA |
| Prüfstrom | 25 kA / 100 ms |
| Kurzschlussstrom (AC 50 Hz / DC) (1 s; ≤ 300 °C) | 7,9 kA |
| Gewinde | M16 |
| Durchmesser Anschlussplatte | 50 mm |
| Kabel | H07V-K |
| Querschnitt Kabel | 70 mm² |
| Durchmesser Kabel | 17 mm |
| Länge | 500 mm |
| DB Zeichnungs-Nr. | 3 Ebs 15.03.19 - 33 |
| Normenbezug | Ril 997.0205A01 |
Art.-Nr. 419070 D BEB 7 / EBS 15-03-19
GTIN 4013364439542, Zolltarifnr. (EU): 85369010, Bruttogewicht: 704.50 g, VPE: 1.00 Stk.
Technische Daten
| Werkstoff Platte | NIRO |
| Werkstoff-Nr. | 1.4301 |
| Werkstoff Hülse | St / Cu |
| Werkstoff Kabel | Cu |
| Kurzschlussstrom | > 25 kA |
| Prüfstrom | 40 kA / 100 ms |
| Kurzschlussstrom (AC 50 Hz / DC) (1 s; ≤ 300 °C) | 12,6 kA |
| Gewinde | M16 |
| Durchmesser Anschlussplatte | 50 mm |
| Kabel | NYY-O |
| Querschnitt Kabel | 95 mm² |
| Durchmesser Kabel | 19 mm |
| Länge | 500 mm |
| DB Zeichnungs-Nr. | 3 Ebs 15.03.19 - 33 |
| Normenbezug | Ril 997.0205A01 |
Art.-Nr. 419071 D BEB 7-FLEX / EBS 15-03-19
GTIN 4013364439559, Zolltarifnr. (EU): 85369010, Bruttogewicht: 622.00 g, VPE: 1.00 Stk.
Technische Daten
| Werkstoff Platte | NIRO |
| Werkstoff-Nr. | 1.4301 |
| Werkstoff Hülse | St / Cu |
| Werkstoff Kabel | Cu |
| Kurzschlussstrom | > 25 kA |
| Prüfstrom | 40 kA / 100 ms |
| Kurzschlussstrom (AC 50 Hz / DC) (1 s; ≤ 300 °C) | 12,6 kA |
| Gewinde | M16 |
| Durchmesser Anschlussplatte | 50 mm |
| Kabel | H07V-K |
| Querschnitt Kabel | 95 mm² |
| Durchmesser Kabel | 19 mm |
| Länge | 500 mm |
| DB Zeichnungs-Nr. | 3 Ebs 15.03.19 - 33 |
| Normenbezug | Ril 997.0205A01 |
Kupfer-Kabel-Erdungsbrücken D BEB 9 / 10
Die Erdungsbrücken sind zur Erdung, Rückstromführung sowie dem Potentialausgleich im Nutzungsbereich von Bahnstrecken vorgesehen. Diese Variante stellt eine nicht sichtbare Verbindung innerhalb des Betons dar, indem die auf das Kupferkabel aufgepressten verkupferten Stahllaschen an die erdende Bewehrung angeschweißt werden. Die Flexibilität des Kabels erleichtert dem Anwender den Einbau in die Bewehrung. Die speziellen FLEX-Varianten sind bei platzkritischen Einbausituationen besonders geeignet – hier kommen extra-flexible, feindrähtige Kupferkabel zum Einsatz. Diese Erdungsbrücken besitzen zudem eine technische Freigabe der DB Netz AG und können dort somit planungssicher verwendet werden.
Sonderlängen erhalten Sie auf Anfrage: bis 500 mm Gesamtlänge in Schritten von 50 mm und ab 500 mm Gesamtlänge in Schritten von 100 mm.
5 Produkte
Art.-Nr. 419090 D BEB 9 / EBS 15-03-19
GTIN 4013364439573, Zolltarifnr. (EU): 85369010, Bruttogewicht: 640.00 g, VPE: 1.00 Stk.
Technische Daten
| Werkstoff Lasche | St / Cu |
| Werkstoff Kabel | Cu |
| Kurzschlussstrom | ≤ 25 kA |
| Prüfstrom | 25 kA / 100 ms |
| Kurzschlussstrom (AC 50 Hz / DC) (1 s; ≤ 300 °C) | 7,9 kA |
| Kabel | NYY-O |
| Querschnitt Kabel | 70 mm² |
| Durchmesser Kabel | 17 mm |
| Abmessung Lasche | 80 x 30 mm |
| Länge | 500 mm |
| DB Zeichnungs-Nr. | 3 Ebs 15.03.19 - 33 |
| Normenbezug | Ril 997.0205A01 |
Art.-Nr. 419091 D BEB 9-FLEX / EBS 15-03-19
GTIN 4013364439580, Zolltarifnr. (EU): 85369010, Bruttogewicht: 570.00 g, VPE: 1.00 Stk.
Technische Daten
| Werkstoff Lasche | St / Cu |
| Werkstoff Kabel | Cu |
| Kurzschlussstrom | ≤ 25 kA |
| Prüfstrom | 25 kA / 100 ms |
| Kurzschlussstrom (AC 50 Hz / DC) (1 s; ≤ 300 °C) | 7,9 kA |
| Kabel | H07V-K |
| Querschnitt Kabel | 70 mm² |
| Durchmesser Kabel | 17 mm |
| Abmessung Lasche | 80 x 30 mm |
| Länge | 500 mm |
| DB Zeichnungs-Nr. | 3 Ebs 15.03.19 - 33 |
| Normenbezug | Ril 997.0205A01 |
Art.-Nr. 419100 D BEB 10 / EBS 15-03-19
GTIN 4013364439597, Zolltarifnr. (EU): 85369010, Bruttogewicht: 722.50 g, VPE: 1.00 Stk.
Technische Daten
| Werkstoff Lasche | St / Cu |
| Werkstoff Kabel | Cu |
| Kurzschlussstrom | > 25 kA |
| Prüfstrom | 40 kA / 100 ms |
| Kurzschlussstrom (AC 50 Hz / DC) (1 s; ≤ 300 °C) | 12,6 kA |
| Kabel | NYY-O |
| Querschnitt Kabel | 95 mm² |
| Durchmesser Kabel | 19 mm |
| Abmessung Lasche | 80 x 30 mm |
| Länge | 500 mm |
| DB Zeichnungs-Nr. | 3 Ebs 15.03.19 - 33 |
| Normenbezug | Ril 997.0205A01 |
Art.-Nr. 419101 D BEB 10-FLEX / EBS 15-03-19
GTIN 4013364439603, Zolltarifnr. (EU): 85369010, Bruttogewicht: 667.00 g, VPE: 1.00 Stk.
Technische Daten
| Werkstoff Lasche | St / Cu |
| Werkstoff Kabel | Cu |
| Kurzschlussstrom | > 25 kA |
| Prüfstrom | 40 kA / 100 ms |
| Kurzschlussstrom (AC 50 Hz / DC) (1 s; ≤ 300 °C) | 12,6 kA |
| Kabel | H07V-K |
| Querschnitt Kabel | 95 mm² |
| Durchmesser Kabel | 19 mm |
| Abmessung Lasche | 80 x 30 mm |
| Länge | 500 mm |
| DB Zeichnungs-Nr. | 3 Ebs 15.03.19 - 33 |
| Normenbezug | Ril 997.0205A01 |
Art.-Nr. 419505 D BEB 10 - L800 / EBS 15-03-19
GTIN 4013364458437, Zolltarifnr. (EU): 85369010, Bruttogewicht: 1.12 kg, VPE: 1.00 Stk.
Technische Daten
| Werkstoff Lasche | St / Cu |
| Werkstoff Kabel | Cu |
| Kurzschlussstrom | > 25 kA |
| Prüfstrom | 40 kA / 100 ms |
| Kurzschlussstrom (AC 50 Hz / DC) (1 s; ≤ 300 °C) | 12,6 kA |
| Kabel | NYY-O |
| Querschnitt Kabel | 95 mm² |
| Durchmesser Kabel | 19 mm |
| Abmessung Lasche | 80 x 30 mm |
| Länge | 800 mm |
| DB Zeichnungs-Nr. | 3 Ebs 15.03.19 - 33 |
| Normenbezug | Ril 997.0205A01 |
Erdungsverbinder für Großrohrerdung D BEB 11
Die Erdungsbrücken sind zur Erdung, Rückstromführung sowie dem Potentialausgleich im Nutzungsbereich von Bahnstrecken vorgesehen. Die Variante für Großrohrerdung ist zur Verwendung bei Pfahl- und Großrohrfundamenten vorgesehen. Das Produkt besteht aus einem Kupferkabel mit aufgepresster Hülse und NIRO Anschlussplatte mit integrierten Bohrungen zur Schalungsbefestigung an einem Ende, sowie einem Kabelschuh am gegenüberliegenden Ende. Der Kabelschuh dient dazu eine kurzschlussstromfeste Verbindung zum Pfahl- oder Großrohrfundament herzustellen. Die Flexibilität des Kabels erleichtert dem Anwender den Einbau in die Bewehrung. Diese Erdungsbrücke besitzt zudem eine technische Freigabe der DB Netz AG und kann dort somit planungssicher verwendet werden.
Sonderlängen erhalten Sie auf Anfrage: bis 500 mm Gesamtlänge in Schritten von 50 mm und ab 500 mm Gesamtlänge in Schritten von 100 mm.
2 Produkte
Art.-Nr. 419110 D BEB 11 / EBS 15-03-27
GTIN 4013364439665, Zolltarifnr. (EU): 85369010, Bruttogewicht: 640.00 g, VPE: 1.00 Stk.
Technische Daten
| Werkstoff Platte | NIRO |
| Werkstoff-Nr. | 1.4301 |
| Werkstoff Hülse | St / Cu |
| Werkstoff Kabelschuh | Cu /gal Sn |
| Werkstoff Kabel | Cu |
| Kurzschlussstrom | ≤ 25 kA |
| Prüfstrom | 25 kA / 100 ms |
| Kurzschlussstrom (AC 50 Hz / DC) (1 s; ≤ 300 °C) | 7,9 kA |
| Gewinde | M16 |
| Durchmesser Anschlussplatte | 50 mm |
| Kabel | NYY-O |
| Querschnitt Kabel | 70 mm² |
| Durchmesser Kabel | 17 mm |
| Bohrung Kabelschuh | 13 mm |
| Länge | 500 mm |
| DB Zeichnungs-Nr. | 4 Ebs 15.03.27 - 2 |
| Normenbezug | Ril 997.0205A01 |
Art.-Nr. 419506 D BEB 11 - L1000 / EBS 15-03-27
GTIN 4013364458444, Zolltarifnr. (EU): 85369010, Bruttogewicht: 1.10 kg, VPE: 1.00 Stk.
Technische Daten
| Werkstoff Platte | NIRO |
| Werkstoff-Nr. | 1.4301 |
| Werkstoff Hülse | St / Cu |
| Werkstoff Kabelschuh | Cu /gal Sn |
| Werkstoff Kabel | Cu |
| Kurzschlussstrom | ≤ 25 kA |
| Prüfstrom | 25 kA / 100 ms |
| Kurzschlussstrom (AC 50 Hz / DC) (1 s; ≤ 300 °C) | 7,9 kA |
| Gewinde | M16 |
| Durchmesser Anschlussplatte | 50 mm |
| Kabel | NYY-O |
| Querschnitt Kabel | 70 mm² |
| Durchmesser Kabel | 17 mm |
| Bohrung Kabelschuh | 13 mm |
| Länge | 1000 mm |
| DB Zeichnungs-Nr. | 4 Ebs 15.03.27 - 2 |
| Normenbezug | Ril 997.0205A01 |
CuStAl-Kabel-Erdungsverbinder D BEB 29
Die Erdungsverbinder sind zur Erdung, Rückstromführung sowie dem Potentialausgleich im Nutzungsbereich von Bahnstrecken vorgesehen. Die halogenfreie Variante D BEB 29 bzw. halogenfreie und flammwidrige Variante D BEB 29-NF - zum äußeren Verbinden von Erdungspunkten und anderen Anschlusselementen wird mit einer Kabelschuhversion für M16-Anschlüsse ausgeführt. Diese Erdungsverbinder bestehen aus einem Kupfer-Stahl-Aluminium-Kabel und stellen somit eine präventive Diebstahlschutzmaßnahme dar. Diese Erdungsverbinder besitzen zudem eine technische Freigabe der DB Netz AG und können dort somit planungssicher verwendet werden. Bei der halogenfreie und flammwidrige Ausführung ist der Einsatz in Tunneln gemäß EU-Verordnung möglich.
Sonderlängen erhalten Sie auf Anfrage: bis 500 mm Gesamtlänge in Schritten von 50 mm und ab 500 mm Gesamtlänge in Schritten von 100 mm.
6 Produkte
Art.-Nr. 419290 D BEB 29 / EBS 15-03-17
GTIN 4013364439627, Zolltarifnr. (EU): 85359000, Bruttogewicht: 390.00 g, VPE: 1.00 Stk.
Technische Daten
| Werkstoff Kabelschuh | Cu /gal Sn |
| Werkstoff Kabel | Cu St Al |
| Kurzschlussstrom | > 25 kA |
| Prüfstrom | 40 kA / 100 ms |
| Blitzstromtragfähigkeit (10/350 µs) | 200 kA |
| Kurzschlussstrom (AC 50 Hz / DC) (1 s; ≤ 300 °C) | 12,6 kA |
| Kabel | (N)2X RF Cu St Al |
| Querschnitt Kabel | ≥ 70 mm² |
| Ausführung | halogenfrei |
| Durchmesser Kabel | 17 mm |
| Bohrung Kabelschuh | 17 mm |
| Länge | 500 mm |
| DB Zeichnungs-Nr. | 4 Ebs 15.03.17 - 6 (Bayka) |
| Normenbezug | Ril 997.0205A01; DIN EN 62561-1 |
Art.-Nr. 419291 D BEB 29-NF / EBS 15-03-17
GTIN 4013364439634, Zolltarifnr. (EU): 85359000, Bruttogewicht: 410.00 g, VPE: 1.00 Stk.
Technische Daten
| Werkstoff Kabelschuh | Cu /gal Sn |
| Werkstoff Kabel | Cu St Al |
| Kurzschlussstrom | > 25 kA |
| Prüfstrom | 40 kA / 100 ms |
| Blitzstromtragfähigkeit (10/350 µs) | 200 kA |
| Kurzschlussstrom (AC 50 Hz / DC) (1 s; ≤ 300 °C) | 12,6 kA |
| Kabel | B2ca RF Cu St Al |
| Querschnitt Kabel | ≥ 70 mm² |
| Ausführung | halogenfrei und flammenwidrig |
| Durchmesser Kabel | 17 mm |
| Bohrung Kabelschuh | 17 mm |
| Länge | 500 mm |
| DB Zeichnungs-Nr. | 4 Ebs 15.03.17 - 6 (Bayka) |
| Normenbezug | Ril 997.0205A01; DIN EN 62561-1 |
Art.-Nr. 419511 D BEB 29 M12 M16 / EBS 15-03-17
GTIN 4013364480513, Zolltarifnr. (EU): 85359000, Bruttogewicht: 410.00 g, VPE: 1.00 Stk.
Technische Daten
| Werkstoff Kabelschuh | Cu /gal Sn |
| Werkstoff Kabel | Cu St Al |
| Kurzschlussstrom | > 25 kA |
| Prüfstrom | 40 kA / 100 ms |
| Kurzschlussstrom (AC 50 Hz / DC) (1 s; ≤ 300 °C) | 12,6 kA |
| Kabel | (N)2X RF Cu St Al |
| Querschnitt Kabel | ≥ 70 mm² |
| Ausführung | halogenfrei |
| Durchmesser Kabel | 17 mm |
| Bohrung Kabelschuh | 13 mm für M12 und 17 mm für M16 |
| Länge | 500 mm |
| DB Zeichnungs-Nr. | 4 Ebs 15.03.17 - 6 (Bayka) |
| Normenbezug | Ril 997.0205A01 |
Art.-Nr. 419512 D BEB 29-NF M12 M16 / EBS 15-03-17
GTIN 4013364480520, Zolltarifnr. (EU): 85359000, Bruttogewicht: 410.00 g, VPE: 1.00 Stk.
Technische Daten
| Werkstoff Kabelschuh | Cu /gal Sn |
| Werkstoff Kabel | Cu St Al |
| Kurzschlussstrom | > 25 kA |
| Prüfstrom | 40 kA / 100 ms |
| Kurzschlussstrom (AC 50 Hz / DC) (1 s; ≤ 300 °C) | 12,6 kA |
| Kabel | B2ca RF Cu St Al |
| Querschnitt Kabel | ≥ 70 mm² |
| Ausführung | halogenfrei und flammenwidrig |
| Durchmesser Kabel | 17 mm |
| Bohrung Kabelschuh | 13 mm für M12 und 17 mm für M16 |
| Länge | 500 mm |
| DB Zeichnungs-Nr. | 4 Ebs 15.03.17 - 6 (Bayka) |
| Normenbezug | Ril 997.0205A01 |
Art.-Nr. 419513 D BEB 29 R / EBS 15-03-17
GTIN 4013364480506, Zolltarifnr. (EU): 85359000, Bruttogewicht: 410.00 g, VPE: 1.00 Stk.
Technische Daten
| Werkstoff Kabelschuh | Cu /gal Sn |
| Werkstoff Kabel | Cu St Al |
| Kurzschlussstrom | > 25 kA |
| Prüfstrom | 40 kA / 100 ms |
| Blitzstromtragfähigkeit (10/350 µs) | 200 kA |
| Kurzschlussstrom (AC 50 Hz / DC) (1 s; ≤ 300 °C) | 12,6 kA |
| Kabel | (N)2X RF Cu St Al |
| Querschnitt Kabel | ≥ 70 mm² |
| Ausführung | halogenfrei |
| Durchmesser Kabel | 17 mm |
| Bohrung Kabelschuh | 17 mm |
| Ausführung Kabelschuh | 90° rechts gedreht |
| Länge | 500 mm |
| DB Zeichnungs-Nr. | 4 Ebs 15.03.17 - 6 (Bayka) |
| Normenbezug | Ril 997.0205A01; DIN EN 62561-1 |
Art.-Nr. 419514 D BEB 29 L / EBS 15-03-17
GTIN 4013364480537, Zolltarifnr. (EU): 85359000, Bruttogewicht: 410.00 g, VPE: 1.00 Stk.
Technische Daten
| Werkstoff Kabelschuh | Cu /gal Sn |
| Werkstoff Kabel | Cu St Al |
| Kurzschlussstrom | > 25 kA |
| Prüfstrom | 40 kA / 100 ms |
| Blitzstromtragfähigkeit (10/350 µs) | 200 kA |
| Kurzschlussstrom (AC 50 Hz / DC) (1 s; ≤ 300 °C) | 12,6 kA |
| Kabel | (N)2X RF Cu St Al |
| Querschnitt Kabel | ≥ 70 mm² |
| Ausführung | halogenfrei |
| Durchmesser Kabel | 17 mm |
| Bohrung Kabelschuh | 17 mm |
| Ausführung Kabelschuh | 90° links gedreht |
| Länge | 500 mm |
| DB Zeichnungs-Nr. | 4 Ebs 15.03.17 - 6 (Bayka) |
| Normenbezug | Ril 997.0205A01; DIN EN 62561-1 |
Art.-Nr. 419900 D KLP D50 BEB
GTIN 4013364439641, Zolltarifnr. (EU): 39191080, Bruttogewicht: 2.00 g, VPE: 1.00 Stk.
Technische Daten
| Durchmesser | 50 mm |
Erdungsaufkleber
Der Erdungsaufkleber ist als Ersatzteil zur Kennzeichnung von Bahnerdungsprodukten im eingebauten Zustand vorgesehen. Dieser lässt sich einfach auf die NIRO-Anschlussplatte aufkleben. Eine solche Kennzeichnung kann für die Erdungsbrücken D BEB 1 bis 8 sowie für die Variante D BEB 11 für Großrohrerdungen vorgenommen werden, falls der werksseitig angebrachte Aufkleber nicht mehr vorhanden bzw. beschädigt ist.
1 Produkt
Art.-Nr. 419901 D EAK D50 BEB
GTIN 4013364439658, Zolltarifnr. (EU): 39191080, Bruttogewicht: 3.00 g, VPE: 1.00 Stk.
Technische Daten
| Durchmesser | 50 mm |
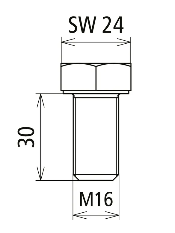
Art.-Nr. 419902 D SKS M16X30 V4A
GTIN 4013364439689, Zolltarifnr. (EU): 85389099, Bruttogewicht: 76.89 g, VPE: 1.00 Stk.
Technische Daten
| Werkstoff | NIRO (V4A) |
| Gewinde | M16 x 30 mm |
Art.-Nr. 419903 D SKM M16 V4A
GTIN 4013364439696, Zolltarifnr. (EU): 73181639, Bruttogewicht: 28.98 g, VPE: 1.00 Stk.
Technische Daten
| Werkstoff | NIRO (V4A) |
| Gewinde | M16 |
Art.-Nr. 419904 D SCH A17 V4A
GTIN 4013364439702, Zolltarifnr. (EU): 85389099, Bruttogewicht: 9.10 g, VPE: 1.00 Stk.
Technische Daten
| Werkstoff | NIRO (V4A) |
| Durchmesser Außen | 30 mm |
| Durchmesser Innen | 17 mm |