Verwandte Themen
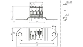
Art.-Nr. 472415 PAS EX 7AP SET
GTIN 4013364470590, Zolltarifnr. (EU): 85359000, Bruttogewicht: 3.23 kg, VPE: 1.00 Stk.
Technische Daten
| Anschluss Rd/Fl | 1x Flachleiter 30/40 mm oder 1x Rundleiter 10 mm |
| Anschluss Verbindungsklemme | 4x 4-16 mm² |
| Anschluss Kabelschuh | 1x flexible / starre Leiter 16-95 mm² |
| Abmessung | 382 x 140 x 101 mm |
| Blitzstoßstrom (10/350 µs) NIRO (V4A) 30x3,5 mm / 40x5 mm | 2HExIIC 75 kA (zündfunkenfrei) T4 |
| Blitzstoßstrom (10/350 µs) St/tZn 30x3,5 mm / 40x5 mm | 1HExIIC 100 kA (zündfunkenfrei) T4 |
| Blitzstoßstrom (10/350 µs) NIRO (V4A) Ø10 mm | NExIIC 50 kA (zündfunkenfrei) T4 |
| Blitzstoßstrom (10/350 µs) St/tZn Ø10 mm | 2HExIIC 75 kA (zündfunkenfrei) T4 |
| Blitzstoßstrom (10/350 µs) Cu 16-95 mm2 | 1HExIIC 100 kA (zündfunkenfrei) T4 |
| Blitzstoßstrom (10/350 µs) Cu 4-16 mm² (pro Ader) | 3 kA (zündfunkenfrei) |
| Nennableitstoßstrom (8/20 µs) pro Ader (In) Cu 4-10 mm² | 10 kA (zündfunkenfrei) |
| Nennableitstoßstrom (8/20 µs) pro Ader (In) Cu 16 mm² | 15 kA (zündfunkenfrei) |
| Max. Kurzschlussstrom (AC 50 Hz / DC / 5 s) NIRO (V4A) 30x3,5 mm / 40x5 mm | 750 A / T4 |
| Max. Kurzschlussstrom (AC 50 Hz / DC / 5 s) St/tZn 30x3,5 mm / 40x5 mm | 1500 A / T4 |
| Max. Kurzschlussstrom (AC 50 Hz / DC / 5s) NIRO (V4A) Ø10 mm | 650 A / T4 |
| Max. Kurzschlussstrom (AC 50 Hz / DC / 5s) St/tZn Ø10 mm | 1000 A / T4 |
| Normenbezug | DIN EN 62561-1 / CLC 50703-2 |
Art.-Nr. 472425 PAS EX 11AP SET
GTIN 4013364470606, Zolltarifnr. (EU): 85359000, Bruttogewicht: 3.82 kg, VPE: 1.00 Stk.
Technische Daten
| Anschluss Rd/Fl | 1x Flachleiter 30/40 mm oder 1x Rundleiter 10 mm |
| Anschluss Verbindungsklemme | 4x 4-16 mm² |
| Anschluss Kabelschuh | 5x flexible / starre Leiter 16-95 mm² |
| Abmessung | 522 x 140 x 101 mm |
| Blitzstoßstrom (10/350 µs) NIRO (V4A) 30x3,5 mm / 40x5 mm | 2HExIIC 75 kA (zündfunkenfrei) T4 |
| Blitzstoßstrom (10/350 µs) St/tZn 30x3,5 mm / 40x5 mm | 1HExIIC 100 kA (zündfunkenfrei) T4 |
| Blitzstoßstrom (10/350 µs) NIRO (V4A) Ø10 mm | NExIIC 50 kA (zündfunkenfrei) T4 |
| Blitzstoßstrom (10/350 µs) St/tZn Ø10 mm | 2HExIIC 75 kA (zündfunkenfrei) T4 |
| Blitzstoßstrom (10/350 µs) Cu 16-95 mm2 | 1HExIIC 100 kA (zündfunkenfrei) T4 |
| Blitzstoßstrom (10/350 µs) Cu 4-16 mm² (pro Ader) | 3 kA (zündfunkenfrei) |
| Nennableitstoßstrom (8/20 µs) pro Ader (In) Cu 4-10 mm² | 10 kA (zündfunkenfrei) |
| Nennableitstoßstrom (8/20 µs) pro Ader (In) Cu 16 mm² | 15 kA (zündfunkenfrei) |
| Max. Kurzschlussstrom (AC 50 Hz / DC / 5 s) NIRO (V4A) 30x3,5 mm / 40x5 mm | 750 A / T4 |
| Max. Kurzschlussstrom (AC 50 Hz / DC / 5 s) St/tZn 30x3,5 mm / 40x5 mm | 1500 A / T4 |
| Max. Kurzschlussstrom (AC 50 Hz / DC / 5s) NIRO (V4A) Ø10 mm | 650 A / T4 |
| Max. Kurzschlussstrom (AC 50 Hz / DC / 5s) St/tZn Ø10 mm | 1000 A / T4 |
| Normenbezug | DIN EN 62561-1 / CLC 50703-2 |
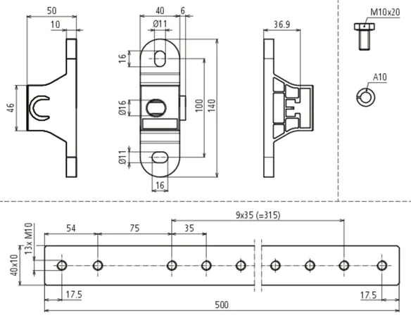
Art.-Nr. 472410 PAS EX 1+5AP M10 V2A
GTIN 4013364470521, Zolltarifnr. (EU): 85359000, Bruttogewicht: 1.96 kg, VPE: 1.00 Stk.
Technische Daten
| Anschluss Fl | 1x Flachleiter 30/40 mm |
| Anschluss Kabelschuh | 5x flexible / starre Leiter 16-95 mm² |
| Abmessung | 382 x 140 x 65 mm |
| Blitzstoßstrom (10/350 µs) NIRO (V4A) 30x3,5 mm / 40x5 mm | 2HExIIC 75 kA (zündfunkenfrei) T4 |
| Blitzstoßstrom (10/350 µs) St/tZn 30x3,5 mm / 40x5 mm | 1HExIIC 100 kA (zündfunkenfrei) T4 |
| Blitzstoßstrom (10/350 µs) Cu 16-95 mm2 | 1HExIIC 100 kA (zündfunkenfrei) T4 |
| Max. Kurzschlussstrom (AC 50 Hz / DC / 5 s) NIRO (V4A) 30x3,5 mm / 40x5 mm | 750 A / T4 |
| Max. Kurzschlussstrom (AC 50 Hz / DC / 5 s) St/tZn 30x3,5 mm / 40x5 mm | 1500 A / T4 |
| Normenbezug | DIN EN 62561-1 / CLC 50703-2 |
| In Bezug auf die Korrosionsbeständigkeit sind die verwendeten Materialien bei den PAS EX (z. B. Cu/galSn, NIRO, Polyamid, Polyurethan-Ester) bezüglich deren Anwendbarkeit in der vorhandenen Umgebungsbedingung zu prüfen. | |
Art.-Nr. 472420 PAS EX 1+9AP M10 V2A
GTIN 4013364476059, Zolltarifnr. (EU): 85359000, Bruttogewicht: 2.50 kg, VPE: 1.00 Stk.
Technische Daten
| Anschluss Fl | 1x Flachleiter 30/40 mm |
| Anschluss Kabelschuh | 9x flexible / starre Leiter 16-95 mm² |
| Abmessung | 522 x 140 x 65 mm |
| Blitzstoßstrom (10/350 µs) NIRO (V4A) 30x3,5 mm / 40x5 mm | 2HExIIC 75 kA (zündfunkenfrei) T4 |
| Blitzstoßstrom (10/350 µs) St/tZn 30x3,5 mm / 40x5 mm | 1HExIIC 100 kA (zündfunkenfrei) T4 |
| Blitzstoßstrom (10/350 µs) Cu 16-95 mm2 | 1HExIIC 100 kA (zündfunkenfrei) T4 |
| Max. Kurzschlussstrom (AC 50 Hz / DC / 5 s) NIRO (V4A) 30x3,5 mm / 40x5 mm | 750 A / T4 |
| Max. Kurzschlussstrom (AC 50 Hz / DC / 5 s) St/tZn 30x3,5 mm / 40x5 mm | 1500 A / T4 |
| Normenbezug | DIN EN 62561-1 / CLC 50703-2 |
| In Bezug auf die Korrosionsbeständigkeit sind die verwendeten Materialien bei den PAS EX (z. B. Cu/galSn, NIRO, Polyamid, Polyurethan-Ester) bezüglich deren Anwendbarkeit in der vorhandenen Umgebungsbedingung zu prüfen. | |
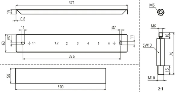
Art.-Nr. 472411 PAS EX 7AP M10 V2A
GTIN 4013364470460, Zolltarifnr. (EU): 85359000, Bruttogewicht: 1.65 kg, VPE: 1.00 Stk.
Technische Daten
| Anschluss Kabelschuh | 7x flexible / starre Leiter 16-95 mm² |
| Abmessung | 382 x 140 x 50 mm |
| Blitzstoßstrom (10/350 µs) Cu 16-95 mm2 | 1HExIIC 100 kA (zündfunkenfrei) T4 |
| Normenbezug | DIN EN 62561-1 / CLC 50703-2 |
| In Bezug auf die Korrosionsbeständigkeit sind die verwendeten Materialien bei den PAS EX (z. B. Cu/galSn, NIRO, Polyamid, Polyurethan-Ester) bezüglich deren Anwendbarkeit in der vorhandenen Umgebungsbedingung zu prüfen. | |
Art.-Nr. 472421 PAS EX 11AP M10 V2A
GTIN 4013364470477, Zolltarifnr. (EU): 85359000, Bruttogewicht: 2.16 kg, VPE: 1.00 Stk.
Technische Daten
| Anschluss Kabelschuh | 11x flexible / starre Leiter 16-95 mm² |
| Abmessung | 522 x 140 x 50 mm |
| Blitzstoßstrom (10/350 µs) Cu 16-95 mm2 | 1HExIIC 100 kA (zündfunkenfrei) T4 |
| Normenbezug | DIN EN 62561-1 / CLC 50703-2 |
| In Bezug auf die Korrosionsbeständigkeit sind die verwendeten Materialien bei den PAS EX (z. B. Cu/galSn, NIRO, Polyamid, Polyurethan-Ester) bezüglich deren Anwendbarkeit in der vorhandenen Umgebungsbedingung zu prüfen. | |
Art.-Nr. 472412 PAS EX AD 7 AP
GTIN 4013364470491, Zolltarifnr. (EU): 85389099, Bruttogewicht: 576.00 g, VPE: 1.00 Stk.
Technische Daten
| Werkstoff | NIRO |
Art.-Nr. 472422 PAS EX AD 11 AP
GTIN 4013364470507, Zolltarifnr. (EU): 85389099, Bruttogewicht: 658.00 g, VPE: 1.00 Stk.
Technische Daten
| Werkstoff | NIRO |
PAS EX CC
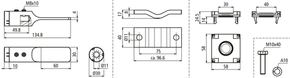
Push-in Adapter für zündfunkenfreie Ex-Potentialausgleichsschiene PAS EX zum einfachen Anschluss von flexiblen Leitungen. Einsatz in explosionsgefährdeten Bereichen Ex-Zonen 1 und 2 (Gase, Dämpfe, Nebel) bis Explosionsgruppe IIC sowie Ex-Zonen 21 und 22 (Stäube). Einsatz nur im Innenbereich zulässig.
1 Produkt
Art.-Nr. 472497 PAS EX CC
GTIN 4013364470484, Zolltarifnr. (EU): 85359000, Bruttogewicht: 196.00 g, VPE: 1.00 Stk.
Technische Daten
| Blitzstoßstrom (10/350 µs) Cu 4-16 mm² (pro Ader) | 3 kA (zündfunkenfrei) |
| Nennableitstoßstrom (8/20 µs) pro Ader (In) Cu 4-10 mm² | 10 kA (zündfunkenfrei) |
| Nennableitstoßstrom (8/20 µs) pro Ader (In) Cu 16 mm² | 15 kA (zündfunkenfrei) |
| Hinweis: Zündfunkenfreiheit nur in Verbindung mit PAS EX ... gewährleistet! | |
PAS EX R
Adapter für zündfunkenfreie Ex-Potentialausgleichsschiene PAS EX zum Anschluss eines Rundleiters. Einsatz in explosionsgefährdeten Bereichen Ex-Zonen 1 und 2 (Gase, Dämpfe, Nebel) bis Explosionsgruppe IIC sowie Ex-Zonen 21 und 22 (Stäube). Einsatz sowohl im Innenbereich als auch im Außenbereich zulässig.
1 Produkt
Art.-Nr. 472498 PAS EX R
GTIN 4013364476042, Zolltarifnr. (EU): 85359000, Bruttogewicht: 790.00 g, VPE: 1.00 Stk.
Technische Daten
| Blitzstoßstrom (10/350 µs) NIRO (V4A) Ø10 mm | NExIIC 50 kA (zündfunkenfrei) T4 |
| Blitzstoßstrom (10/350 µs) St/tZn Ø10 mm | 2HExIIC 75 kA (zündfunkenfrei) T4 |
| Max. Kurzschlussstrom (AC 50 Hz / DC / 5s) NIRO (V4A) Ø10 mm | 650 A / T4 |
| Max. Kurzschlussstrom (AC 50 Hz / DC / 5s) St/tZn Ø10 mm | 1000 A / T4 |
| Hinweis: Zündfunkenfreiheit nur in Verbindung mit PAS EX ... gewährleistet! | |
PAS EX FL
Adapter für zündfunkenfreie Ex-Potentialausgleichsschiene PAS EX zum Anschluss eines Flachleiters. Einsatz in explosionsgefährdeten Bereichen Ex-Zonen 1 und 2 (Gase, Dämpfe, Nebel) bis Explosionsgruppe IIC sowie Ex-Zonen 21 und 22 (Stäube). Einsatz sowohl im Innenbereich als auch im Außenbereich zulässig.
1 Produkt
Art.-Nr. 472499 PAS EX FL
GTIN 4013364470514, Zolltarifnr. (EU): 85359000, Bruttogewicht: 408.00 g, VPE: 1.00 Stk.
Technische Daten
| Blitzstoßstrom (10/350 µs) NIRO (V4A) 30x3,5 mm / 40x5 mm | 2HExIIC 75kA (zündfunkenfrei) T4 |
| Blitzstoßstrom (10/350 µs) St/tZn 30x3,5 mm / 40x5 mm | 1HExIIC 100 kA (zündfunkenfrei) T4 |
| Max. Kurzschlussstrom (AC 50 Hz / DC / 5 s) NIRO (V4A) 30x3,5 mm / 40x5 mm | 750 A / T4 |
| Max. Kurzschlussstrom (AC 50 Hz / DC / 5 s) St/tZn 30x3,5 mm / 40x5 mm | 1500 A / T4 |
| Hinweis: Zündfunkenfreiheit nur in Verbindung mit PAS EX ... gewährleistet! | |
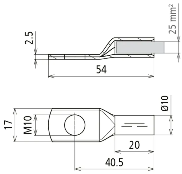
Art.-Nr. 472432 PKS 16 10 CUGALNISN
GTIN 4013364470538, Zolltarifnr. (EU): 85369010, Bruttogewicht: 16.33 g, VPE: 3.00 Stk.
Technische Daten
| Werkstoff | Cu /gal (Ni)Sn |
| Bohrung Kabelschuh | M10 |
| Leiterquerschnitt | 16 mm2 |
| Hinweis: Zündfunkenfreiheit nur in Verbindung mit PAS EX ... gewährleistet! | |
Art.-Nr. 472433 PKS 25 10 CUGALNISN
GTIN 4013364470545, Zolltarifnr. (EU): 85369010, Bruttogewicht: 19.67 g, VPE: 3.00 Stk.
Technische Daten
| Werkstoff | Cu /gal (Ni)Sn |
| Bohrung Kabelschuh | M10 |
| Leiterquerschnitt | 25 mm2 |
| Hinweis: Zündfunkenfreiheit nur in Verbindung mit PAS EX ... gewährleistet! | |
Art.-Nr. 472434 PKS 35 10 CUGALNISN
GTIN 4013364470552, Zolltarifnr. (EU): 85369010, Bruttogewicht: 34.33 g, VPE: 3.00 Stk.
Technische Daten
| Werkstoff | Cu /gal (Ni)Sn |
| Bohrung Kabelschuh | M10 |
| Leiterquerschnitt | 35 mm2 |
| Hinweis: Zündfunkenfreiheit nur in Verbindung mit PAS EX ... gewährleistet! | |
Art.-Nr. 472435 PKS 50 10 CUGALNISN
GTIN 4013364470569, Zolltarifnr. (EU): 85369010, Bruttogewicht: 51.67 g, VPE: 3.00 Stk.
Technische Daten
| Werkstoff | Cu /gal (Ni)Sn |
| Bohrung Kabelschuh | M10 |
| Leiterquerschnitt | 50 mm2 |
| Hinweis: Zündfunkenfreiheit nur in Verbindung mit PAS EX ... gewährleistet! | |
Art.-Nr. 472436 PKS 70 10 CUGALNISN
GTIN 4013364470576, Zolltarifnr. (EU): 85369010, Bruttogewicht: 68.00 g, VPE: 3.00 Stk.
Technische Daten
| Werkstoff | Cu /gal (Ni)Sn |
| Bohrung Kabelschuh | M10 |
| Leiterquerschnitt | 70 mm2 |
| Hinweis: Zündfunkenfreiheit nur in Verbindung mit PAS EX ... gewährleistet! | |
Art.-Nr. 472437 PKS 95 10 CUGALNISN
GTIN 4013364470583, Zolltarifnr. (EU): 85369010, Bruttogewicht: 98.00 g, VPE: 3.00 Stk.
Technische Daten
| Werkstoff | Cu /gal (Ni)Sn |
| Bohrung Kabelschuh | M10 |
| Leiterquerschnitt | 95 mm2 |
| Hinweis: Zündfunkenfreiheit nur in Verbindung mit PAS EX ... gewährleistet! | |