Ihre Services im Dashboard..
Registriert nutzen Sie das komplette Angebot.

DEHNvario

Die variable Ableiterfamilie
  • Einfache und schnelle Montage durch kompakte Anschlussklemmen
  • Werkzeugloser Leitungsanschluss in Direkt-Stecktechnik
  • Schneller Austausch des Ableiters durch einfaches Lösen und Abziehen der Anschlussklemmen-Einheit
  • Erdung/Potentialausgleich über die Hutschiene
  • Kunden- und anwendungsspezifischer Überspannungsschutz

Details

Einfache Entnahme der Anschlussklemmen-Einheit zum schnellen Ableitertausch.
lorem ipsum
Optional integrierbare Anzeige.
lorem ipsum
Einfacher, werkzeugloser Leitungsanschluss in Direkt-Stecktechnik.
lorem ipsum
Lösungsbeispiel: Kompakter 3in1-Ableiter zum Schutz von 3 Schnittstellen in einem Gerät.
lorem ipsum
Blitzstrom- und stoßstromtragfähiger Erdungskontakt.
lorem ipsum
Integrierte Prüföffnungen für Tests im Signalkreis mittels Prüfstifte.
lorem ipsum

DVR 2 BY S 150 FM

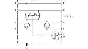
Kompakter Kombi-Ableiter zum Schutz von elektroakustischen Anlagen (z. B. Sprachalarmierung, Lautsprechersysteme). Schutz von einer Doppelader mit galvanischer Trennung mit der Möglichkeit zur direkten oder indirekten Schirmerdung. Schneller und werkzeugloser Leiteranschluss durch Direkt-Stecktechnik. Die Anschlussklemmen-Einheiten können zum einfachen Ableitertausch entriegelt und aus dem Gehäuse entnommen werden. Mit integriertem Fernmeldekontakt (Öffnerkontakt).

1 Produkt

Art.-Nr. 928430 DVR 2 BY S 150 FM

GTIN 4013364261389, Zolltarifnr. (EU): 85363010, Bruttogewicht: 161.30 g, VPE: 1.00 Stk.


Abbildungen

Weitere Information

Kompakter Kombi-Ableiter DEHNvario für elektroakustische Anlagen
Kompakter Kombi-Ableiter
der Ableiterklasse Type 1 / P2
DEHNvario geprüft nach EN 61643-21
und energetisch koordiniert nach IEC 61643-22
Zum Schutz von elektroakustischen Anlagen
(z.B. Sprachalarmierung, Lautsprechersysteme)
zum Schutz von einer Doppelader mit galvanischer Trennung zur direkten oder indirekten Schirmerdung,
schnelle und werkzeuglos Montage durch Direkt-
Stecktechnik (die Anschlussblöcke können entriegelt
und aus dem Gehäuse entnommen werden).
Mit Fernmeldekontakt 1 Öffner
Zur Montage auf 35 mm Hutschiene 2TE
Nennspannung AC: 100 V
Höchste Dauerspannung DC: 150 V
Höchste Dauerspannung AC: 110 V
Nennstrom bei 70 °C: 10 A
Nennstrom bei 80 °C: 7 A
D1 Blitzstoßstrom (10/350 µs) pro Ader: 2,5 kA
D1 Blitzstoßstrom (10/350 µs) gesamt: 9 kA
C2 Nennableitstoßstrom (8/20 µs) pro Ader: 7,5 kA
C2 Nennableitstoßstrom (8/20 µs) gesamt: 22,5 kA
Grenzfrequenz Ad-Ad: 1,4 MHz
Schutzart: IP 20

Fabrikat: DEHN
Typ: DVR 2 BY S 150 FM
Art.-Nr.: 928430
oder gleichwertig.

Zertifikate

 

Technische Daten

Ableiterklasse L
Höchste Dauerspannung DC (UC ) 150 V
Nennstrom bei 70 °C (IL ) 10 A
Nennstrom bei 80 °C (IL ) 7 A
D1 Blitzstoßstrom (10/350 µs) pro Ader (Iimp ) 2,5 kA
C2 Nennableitstoßstrom (8/20 µs) gesamt (In ) 22,5 kA
Grenzfrequenz Ad-Ad (fG ) 1,4 MHz

Artikel 928430 wurde zum Merkzettel hinzugefügt.

Zum Merkzettel

Artikel 928430 wurde zum Warenkorb hinzugefügt.

Zum Warenkorb

DVR BNC RS485 230

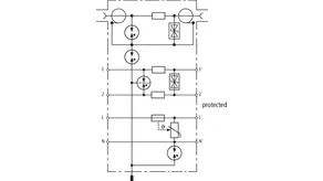
Kompakter 3in1-Überspannungs-Ableiter zum Schutz von analogen Kamerasystemen. Schutz des Videosignals (BNC-Anschluss), eines Datensignals (RS485) und einer Spannungsversorgung (230 V AC). Schneller und werkzeugloser Leiteranschluss durch Direktstecktechnik. Die Anschlussklemmen-Einheiten können zum einfachen Ableiterwechsel entriegelt und aus dem Gehäuse entnommen werden. Mit einfacher Überlastanzeige (230 V).

1 Produkt

Art.-Nr. 928440 DVR BNC RS485 230

GTIN 4013364280809, Zolltarifnr. (EU): 85363010, Bruttogewicht: 185.50 g, VPE: 1.00 Stk.


Abbildungen

Weitere Information

Kompakter Überspannungs-Ableiter DEHNvario für analoge Kamerasysteme
Kompakter 3in1 Überspannungs-Ableiter
der Ableiterklasse T2 / Type 2
DEHNvario geprüft nach EN / IEC 61643-11
IEC 61643-21 und
energetisch koordiniert nach IEC 61643-22
Zum Schutz eines Videosignals (BNC-Anschluss),
eines Datensignals (RS485) und einer
Spannungsversorgung (230 V AC)
schnelle und werkzeuglos Montage durch Direkt-
Stecktechnik (die Anschlusseinheiten können entriegelt
und aus dem Gehäuse entnommen werden).
Zur Montage auf 35 mm Hutschiene 2 TE

Ableiterklasse:
Versorgung Typ 2 / Class II
Daten Type 2 / P1
Video Type 2 / P2
Nennspannung:
Versorgung 230 V AC
Daten 5 V DC
Video 5 V DC
Höchste Dauerspannung:
Versorgung 255 V AC
Daten 8 V DC
Video 6,4 V DC
Nennstrom:
Versorgung 10 A
Daten 0,5 A
Video 100 mA
Nennableitstoßstrom:(8/20)
5 kA pro Ader
10 kA gesamt
Grenzfrequenz:
Daten 100 MHz
Video 300 MHz @ 75 Ohm
Schutzart: IP 20

Fabrikat: DEHN
Typ: DVR BNC RS485 230
Art.-Nr.: 928440
oder gleichwertig.

Zertifikate

 

Technische Daten

Video (BNC)
Ableiterklasse U
Höchste Dauerspannung DC (UC ) 6,4 V
Nennstrom (IL ) 0,1 A
C2 Nennableitstoßstrom (8/20 µs) Schirm-PG (In ) 10 kA
Einfügungsdämpfung bei 300 MHz (75 Ohm) ≤ 3,0 dB
Anschluss Eingang / Ausgang BNC Buchse / BNC Buchse
Daten (RS485)
Ableiterklasse T
Höchste Dauerspannung DC (UC ) 8 V
Nennstrom (IL ) 0,5 A
C2 Nennableitstoßstrom (8/20 µs) gesamt (In ) 10 kA
Grenzfrequenz Ad-Ad (fG ) 100 MHz
Spannungsversorgung (230 V)
Ableiterklasse Typ 2 / Class II
Höchste Dauerspannung AC [L-N] (UC ) 255 V (50 / 60 Hz)
Höchste Dauerspannung AC [N-PE] (UC ) 255 V (50 / 60 Hz)
Nennstrom (IL ) 10 A
Nennableitstoßstrom (8/20 µs) (In ) 5 kA
Max. Ableitstoßstrom (8/20 µs) (Imax ) 10 kA
Schutzpegel [L-N] (UP ) ≤ 1,5 kV
Schutzpegel [N-PE] (UP ) ≤ 1,5 kV

Artikel 928440 wurde zum Merkzettel hinzugefügt.

Zum Merkzettel

Artikel 928440 wurde zum Warenkorb hinzugefügt.

Zum Warenkorb

nach oben