Ihre Services im Dashboard..
Registriert nutzen Sie das komplette Angebot.

Typ 2 PV-Box

  • Verdrahtungsfertige Kompletteinheit für Photovoltaik-Anlagen
  • Kombinierte Abtrenn- und Kurzschließvorrichtung mit sicherer elektrischer Trennung (patentiertes SCI-Prinzip)
  • Bewährte fehlerresistente Y-Schaltung des DEHNguard YPV SCI … vermeidet Schädigung des Überspannungsschutzes bei Isolationsfehlern im Generatorkreis
  • Geprüft nach EN 50539-11
  • Einsetzbar in PV-Systemen gemäß IEC 60364-7-712

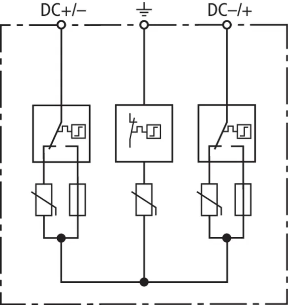
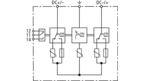
PVB 1 1000

2 Produkte

Art.-Nr. 041800

GTIN , Bruttogewicht: , VPE:


Abbildungen

Weitere Information

 

SCI-Technologie

Mit der von DEHN patentierten SCI-Technologie mit ihrer aktiven Lichtbogenlöschung wird ein eventuell auftretender Schaltlichtbogen im Überlastfall aktiv, schnell und sicher gelöscht. Die im Kurzschlusspfad integrierte PV-Sicherung löst sofort nach Erlöschen des Lichtbogens aus und stellt dann die sichere elektrische Trennung (Interruption) her. Damit realisieren alle PV-Ableiter von DEHN Überspannungs-, Brand-, und Personenschutz in einem Gerät.

Technische Daten

Daten Ableiter
SPD nach EN 50539-11 Typ 2
Max. PV-Spannung (UCPV ) ≤ 1000 V
Kurzschlussfestigkeit (ISCPV ) 1000 A
Nennableitstoßstrom (8/20 µs) [(DC+/DC-) --> PE] (In ) 12,5 kA
Max. Ableitstoßstrom (8/20 µs) [(DC+/DC-) --> PE] (Imax ) 25 kA
Schutzpegel (UP ) ≤ 4 kV
Zulassungen KEMA, UL
Daten Gehäuse
Schutzart IP65
Kabeleinführung 2x MC4 Steckanschluss DC/+, 2x MC4 Steckanschluss DC/-, 1x Verschraubung M16 x 1,5
Verfügbarer Einbauraum 4 TE, DIN 43880
Abmessungen (b x h x t) 125 x 200 x 110 mm

Artikel 041800 wurde zum Merkzettel hinzugefügt.

Zum Merkzettel

Artikel 041800 wurde zum Warenkorb hinzugefügt.

Zum Warenkorb

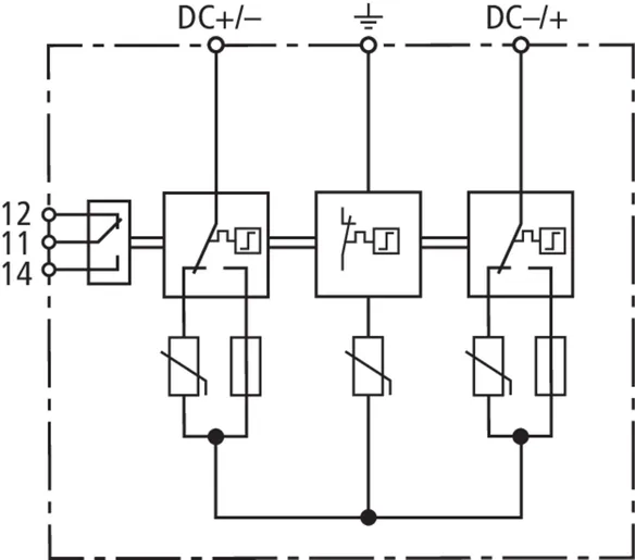
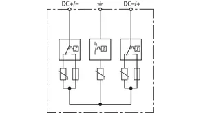
Art.-Nr. 041805

GTIN , Bruttogewicht: , VPE:


Abbildungen

Weitere Information

 

SCI-Technologie

Mit der von DEHN patentierten SCI-Technologie mit ihrer aktiven Lichtbogenlöschung wird ein eventuell auftretender Schaltlichtbogen im Überlastfall aktiv, schnell und sicher gelöscht. Die im Kurzschlusspfad integrierte PV-Sicherung löst sofort nach Erlöschen des Lichtbogens aus und stellt dann die sichere elektrische Trennung (Interruption) her. Damit realisieren alle PV-Ableiter von DEHN Überspannungs-, Brand-, und Personenschutz in einem Gerät.

Technische Daten

Daten Ableiter
SPD nach EN 50539-11 Typ 2
Max. PV-Spannung (UCPV ) ≤ 1000 V
Kurzschlussfestigkeit (ISCPV ) 1000 A
Nennableitstoßstrom (8/20 µs) [(DC+/DC-) --> PE] (In ) 12,5 kA
Max. Ableitstoßstrom (8/20 µs) [(DC+/DC-) --> PE] (Imax ) 25 kA
Schutzpegel (UP ) ≤ 4 kV
Zulassungen KEMA, UL
Daten Gehäuse
Schutzart IP65
Kabeleinführung 2x MC4 Steckanschluss DC/+, 2x MC4 Steckanschluss DC/-, 1x Verschraubung M16 x 1,5
Verfügbarer Einbauraum 4 TE, DIN 43880
Abmessungen (b x h x t) 125 x 200 x 110 mm

Artikel 041805 wurde zum Merkzettel hinzugefügt.

Zum Merkzettel

Artikel 041805 wurde zum Warenkorb hinzugefügt.

Zum Warenkorb

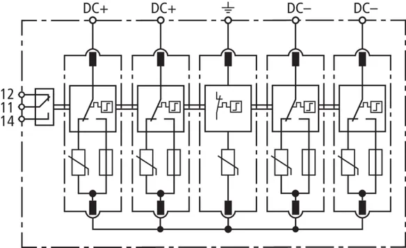
PVB 2 1000

2 Produkte

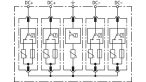
Art.-Nr. 041801

GTIN , Bruttogewicht: , VPE:


Abbildungen

Weitere Information

 

SCI-Technologie

Mit der von DEHN patentierten SCI-Technologie mit ihrer aktiven Lichtbogenlöschung wird ein eventuell auftretender Schaltlichtbogen im Überlastfall aktiv, schnell und sicher gelöscht. Die im Kurzschlusspfad integrierte PV-Sicherung löst sofort nach Erlöschen des Lichtbogens aus und stellt dann die sichere elektrische Trennung (Interruption) her. Damit realisieren alle PV-Ableiter von DEHN Überspannungs-, Brand-, und Personenschutz in einem Gerät.

Technische Daten

Daten Ableiter
SPD nach EN 50539-11 Typ 2
Max. PV-Spannung (UCPV ) ≤ 1000 V
Kurzschlussfestigkeit (ISCPV ) 1000 A
Nennableitstoßstrom (8/20 µs) [(DC+/DC-) --> PE] (In ) 12,5 kA
Max. Ableitstoßstrom (8/20 µs) [(DC+/DC-) --> PE] (Imax ) 25 kA
Schutzpegel (UP ) ≤ 4 kV
Zulassungen KEMA, UL
Daten Gehäuse
Schutzart IP65
Kabeleinführung 4x MC4 Steckanschluss DC/+, 4x MC4 Steckanschluss DC/-, 1x Verschraubung M16 x 1,5
Verfügbarer Einbauraum 8 TE, DIN 43880
Abmessungen (b x h x t) 200 x 210 x 110 mm

Artikel 041801 wurde zum Merkzettel hinzugefügt.

Zum Merkzettel

Artikel 041801 wurde zum Warenkorb hinzugefügt.

Zum Warenkorb

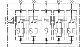
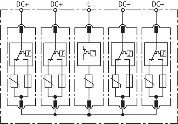
Art.-Nr. 041806

GTIN , Bruttogewicht: , VPE:


Abbildungen

Weitere Information

 

SCI-Technologie

Mit der von DEHN patentierten SCI-Technologie mit ihrer aktiven Lichtbogenlöschung wird ein eventuell auftretender Schaltlichtbogen im Überlastfall aktiv, schnell und sicher gelöscht. Die im Kurzschlusspfad integrierte PV-Sicherung löst sofort nach Erlöschen des Lichtbogens aus und stellt dann die sichere elektrische Trennung (Interruption) her. Damit realisieren alle PV-Ableiter von DEHN Überspannungs-, Brand-, und Personenschutz in einem Gerät.

Technische Daten

Daten Ableiter
SPD nach EN 50539-11 Typ 2
Max. PV-Spannung (UCPV ) ≤ 1000 V
Kurzschlussfestigkeit (ISCPV ) 1000 A
Nennableitstoßstrom (8/20 µs) [(DC+/DC-) --> PE] (In ) 12,5 kA
Max. Ableitstoßstrom (8/20 µs) [(DC+/DC-) --> PE] (Imax ) 25 kA
Schutzpegel (UP ) ≤ 4 kV
Zulassungen KEMA, UL
Daten Gehäuse
Schutzart IP65
Kabeleinführung 4x MC4 Steckanschluss DC/+, 4x MC4 Steckanschluss DC/-, 1x Verschraubung M16 x 1,5
Verfügbarer Einbauraum 8 TE, DIN 43880
Abmessungen (b x h x t) 200 x 210 x 110 mm

Artikel 041806 wurde zum Merkzettel hinzugefügt.

Zum Merkzettel

Artikel 041806 wurde zum Warenkorb hinzugefügt.

Zum Warenkorb

nach oben